PRODUCTS
- 首頁
- 產品介紹
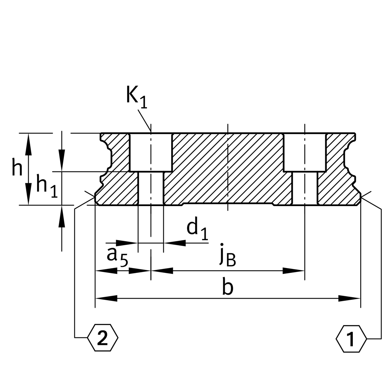
| h | 12.9 mm | 高度 |
| b | 37 mm | 寬度 |
| Tol b | -0.005 mm | 公差上限 |
| Tol b | -0.035 mm | 較低的公差 |
| ≈m | 3.6 kg/m | 重量 |
| K1 | M4 | 線 |
| K1 MA | 5 Nm | Tightening torque 1 |
| d1 | 4.6 mm | 內徑 |
| lmax | 2,950 mm | Max length single piece guideway 2 |
| aL max | 44 mm | Distance 3 |
| aL min | 10 mm | Distance 3 |
| aR max | 44 mm | Distance 3 |
| aR min | 10 mm | Distance 3 |
| jL | 50 mm | 增量 |
| jB | 22 mm | 增量 |
| a5 | 7.5 mm | Distance |
| h1 | 6 mm | 長度 |
| Tol h1 | 0.5 mm | 公差上限 |
| Tol h1 | -0.5 mm | 距離 距離 |
KWVE15-W... | 可用托架 | |
KUVE15-W... | 可用的線性系統 |
| Size code | 15 | |
| Length | ~3000 | |
| Guideway design | W | wide execution |