PRODUCTS


FAG
NUP314-E-XL-TVP2-C3
Cylindrical roller bearing NUP314-E-XL-TVP2-C3
加入詢價
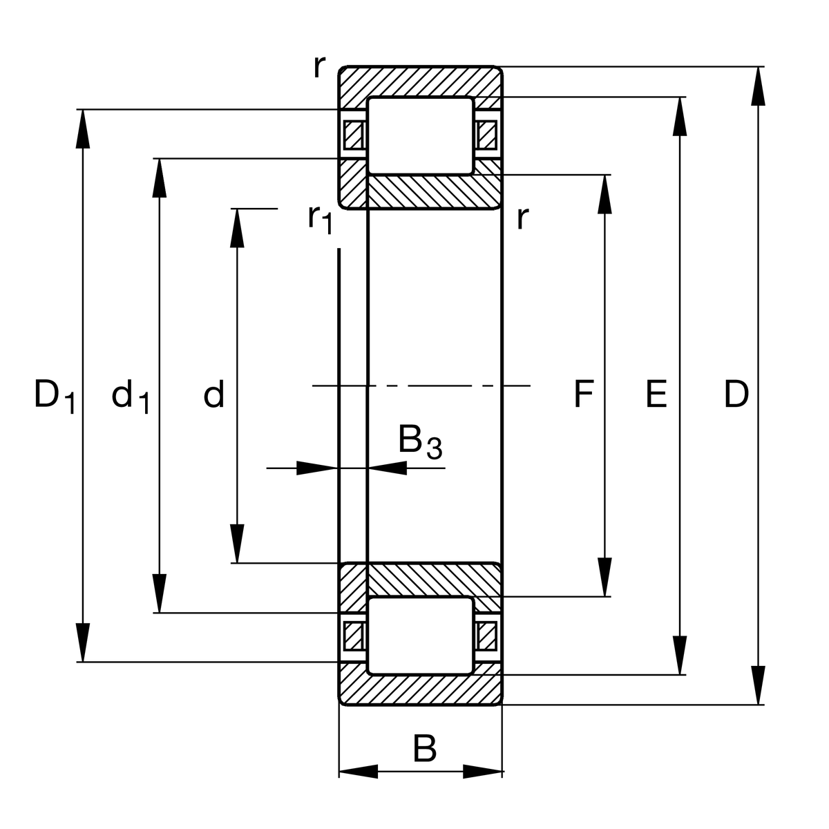
主要尺寸與性能資料
d
70 mm
內徑
D
150 mm
外徑
B
35 mm
寬度
Cr
242,000 N
基本額定動載荷,徑向
C0r
222,000 N
基本額定靜態負荷,徑向
Cur
40,500 N
疲勞負載極限,徑向
nG
6,300 1/min
極限轉速
nϑr
4,500 1/min
參考轉速
≈m
2.85 kg
重量

安裝尺寸
d1
97.4 mm
內圈最大擋邊直徑
D1 min
126.8 mm
外圈最小擋邊直徑
da min
82 mm
軸肩最小直徑
dc min
100 mm
最小軸肩
Da max
138 mm
殼肩最大直徑
ra max
2.1 mm
最大凹槽半徑

尺寸
rmin
2.1 mm
最小倒角尺寸
r1 min
2.1 mm
最小倒角尺寸
E
133 mm
外圈滾道直徑
F
89 mm
內圈滾道直徑
B3
5.5 mm
鬆配肋寬度

溫度範圍
Tmin
-30 °C
最低工作溫度
Tmax
120 °C
最高操作溫度

您目前的產品型號
DesignE增加額定載荷設計
CageTVP2Solid Window Cage made from PA66
Radial internal clearanceC3 (Group 3)內部間隙大於CN
Tolerance classPN正常(PN)
Number of rolling element rows1單列設計
加入詢價