PRODUCTS
- 首頁
- 產品介紹
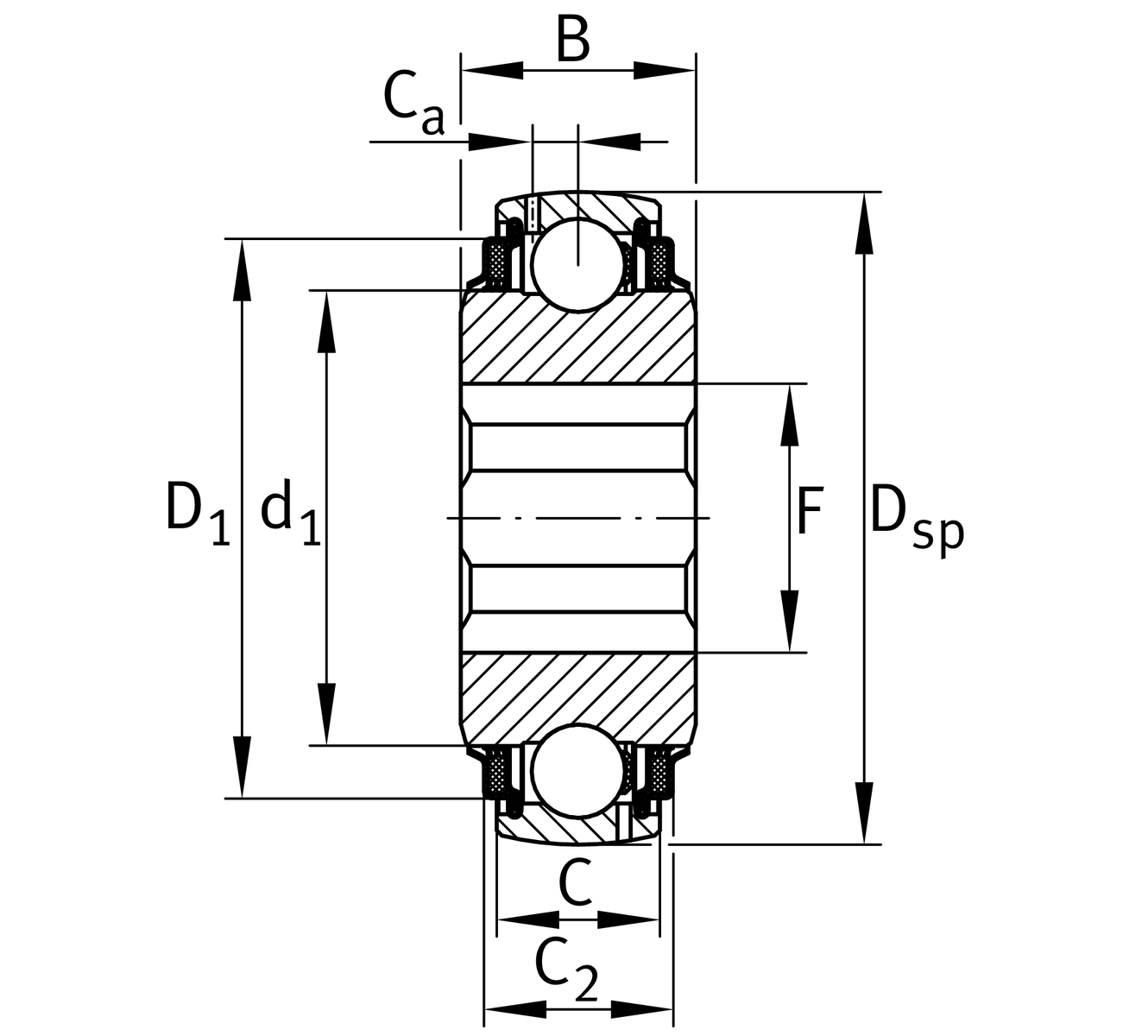
| DSP | 100 mm | 外徑 |
| B | 36 mm | 寬度 |
| Cr | 43,500 N | 基本額定動載荷,徑向 |
| C0r | 29,000 N | 基本額定靜態負荷,徑向 |
| ≈m | 1.07 kg | 重量 |
| D1 | 85.8 mm | 外徑密封 |
| C | 25 mm | 外圈寬度 |
| F | 55.1 mm | Maximum distance hexagonal bore |
| r | 2.5 mm | Radius hexagonal bore |
| C2 | 28.9 mm | 封口總寬度 |
| d1 | 69.8 mm | 內圈擋邊直徑 |
| d | 39.6875 mm | 平面寬度 |
| Ca | 7 mm | 至潤滑孔距離 |
0.3 mm | 平面寬度s 公差上限 | |
| d | 39.688 mm | 平面寬度s (Inch) |
0 mm | 平面寬度s 較低的公差 |
| f0 | 14.2 | 計算參數 |
| Sealing | KTT | Triple 兩側唇形密封 |
| Shape of outer surface | B | 球形 |
| Deviating ballset | 211 | 211 |