PRODUCTS
- 首頁
- 產品介紹
DA | 優化設計 | |
| ≈m | 5.21 kg | 重量 |
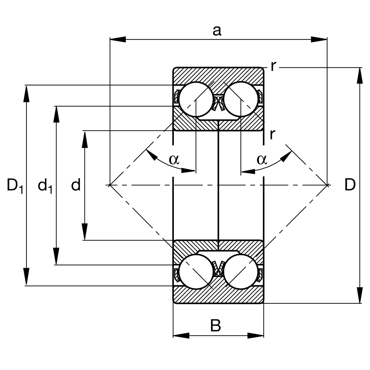
| d | 70 mm | 內徑 |
| D | 150 mm | 外徑 |
| B | 63.5 mm | 寬度 |
| Cr | 157,000 N | 基本額定動載荷,徑向 |
| C0r | 157,000 N | 基本額定靜態負荷,徑向 |
| Cur | 8,500 N | 疲勞負載極限,徑向 |
| nG | 4,800 1/min | 極限轉速 |
| nϑr | 4,550 1/min | 參考轉速 |
| da min | 82 mm | 軸肩最小直徑 |
| Da max | 138 mm | 殼肩最大直徑 |
| ra max | 2.1 mm | 最大圓角半徑 |
| rmin | 2.1 mm | 最小倒角尺寸 |
| D1 | 132.36 mm | 外圈肩徑 |
| d1 | 103.36 mm | 內圈肩徑 |
| a | 141 mm | 壓力錐頂點之間的距離 |
| α | 45 ° | 接觸角 |
| Tmin | -30 °C | 最低工作溫度 |
| Tmax | 150 °C | 最高操作溫度 |
| Sealing | 沒有 | 未密封 |
| Cage | JP | 沖壓鋼板 |
| Tolerance class | PN | 正常(PN) |
| Lubricant | 沒有 | 軸承未潤滑 |
| Axial internal clearance | CN | 正常組(標準間隙) |