PRODUCTS
- 首頁
- 產品介紹
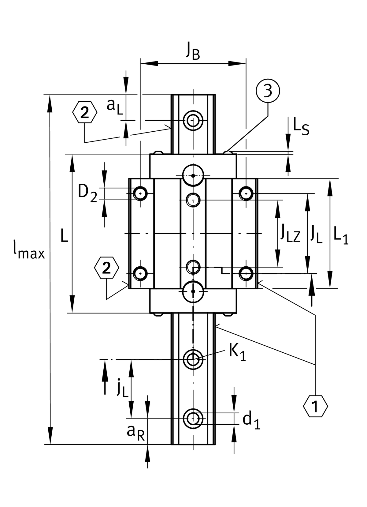
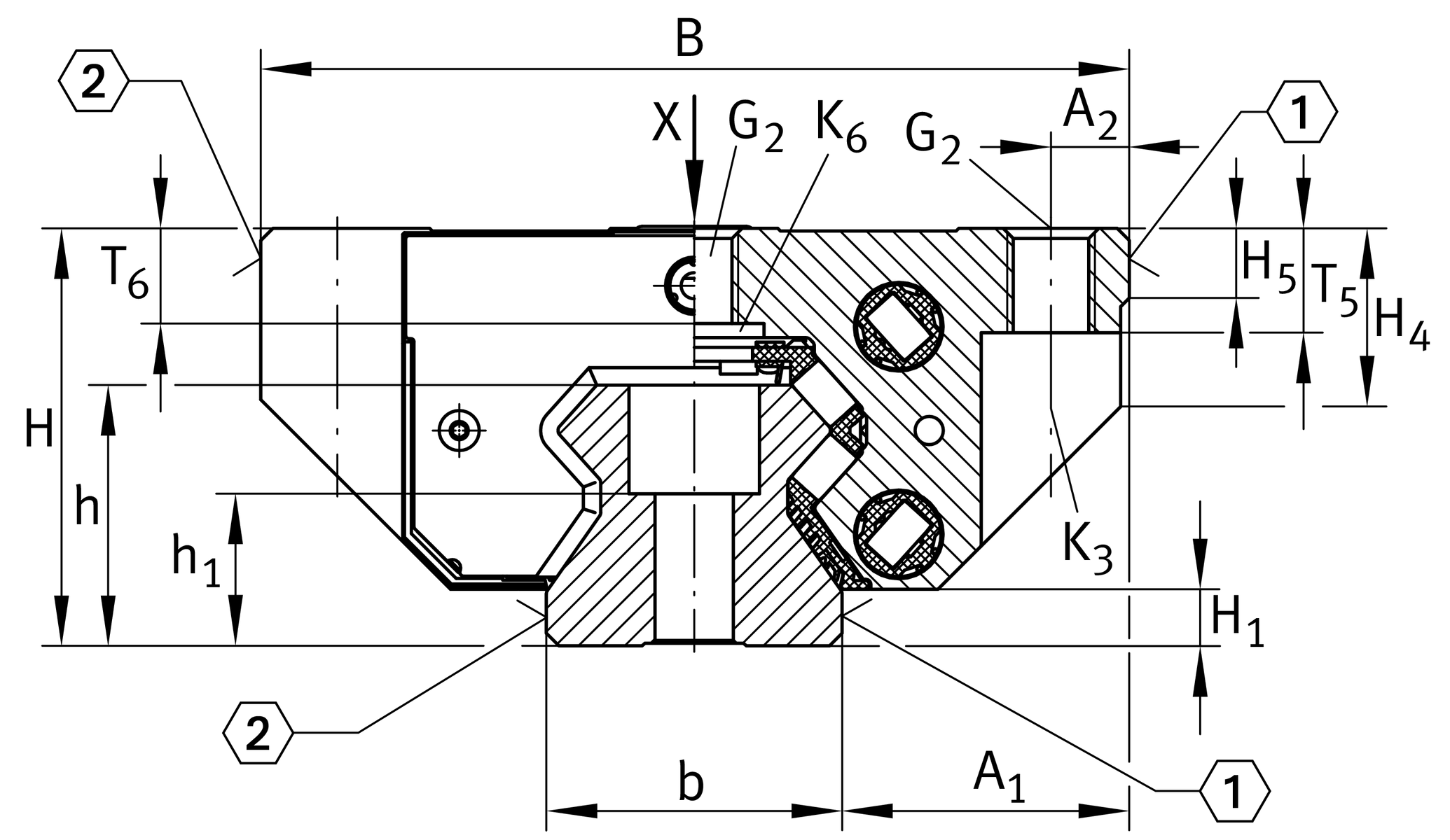
| A1 | 53.5 mm | |
| JB | 142 mm | |
| b | 63 mm | width rail |
| Tolb | -0.005 mm | 公差上限 |
| Tolb | -0.035 mm | 較低的公差 |
| A2 | 14 mm | |
| L1 | 141.2 mm | |
| JL | 110 mm | |
| JLZ | 82 mm | |
| jL | 75 mm | |
| aL min | 20 mm | 1 |
| aL max | 61 mm | 1 |
| aR min | 20 mm | Distance 1 |
| aR max | 61 mm | 1 |
| H1 | 11.5 mm | |
| H4 | 39.2 mm | |
| H5 | 15 mm | |
| T5 | 23.3 mm | |
| T6 | 23.3 mm | |
| h | 53.8 mm | |
| h1 | 28.8 mm | |
| Tol h1 | 0.5 mm | 公差上限 |
| Tol h1 | -0.5 mm | 較低的公差 |
| G2 | M16 | fixing screws |
| G2 MA | 220 Nm | maximum tightening torque 2 |
| K1 | M14 | fixing screws |
| K1 MA | 340 Nm | maximum tightening torque 2 |
| K3 | M14 | fixing screws |
| K3 MA | 220 Nm | maximum tightening torque 2 |
| K6 | M14 | fixing screws |
| K6 MA | 130 Nm | maximum tightening torque 2 |
| d1 | 14.5 mm | |
| D2 | 14.5 mm | |
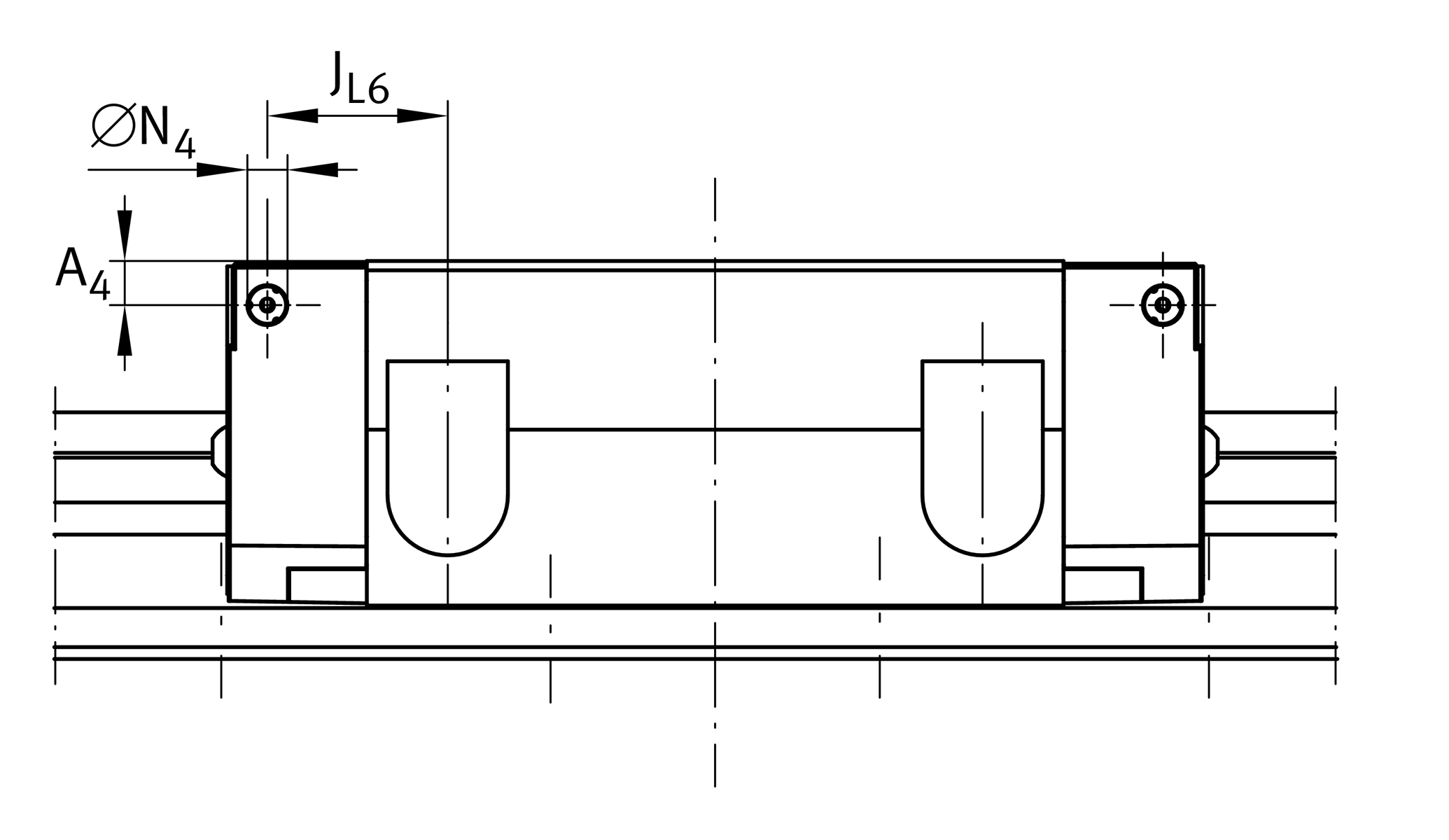
| A3 | 19.6 mm | position lubrication adapter |
| N3 | M6 | lubrication connector 3 |
| A4 | 19.6 mm | position lubrication connector |
| N4 | M6 | lubrication connector 3 |
| JL6 | 34.8 mm | position lubrication connector |
| N2 max | 6 mm | 4 |
| JL5 | 15.6 mm | 5 |
| GS | M4x4 | |
| O | 18x1,5 | O-Ring DIN 3771 |
| lmax | 5,865 mm | Max length single piece guideway 6 |
| H | 90 mm | height system |
| B | 170 mm | width carriage |
| L | 195.5 mm | overall length carriage 7 |
| C | 200,000 N | dynamic load rating 8 |
| C0 | 435,000 N | static load rating 8 |
| M0x | 5,450 Nm | static moment rating about X axis |
| M0y | 12,100 Nm | static moment rating about Y axis |
| M0z | 10,900 Nm | static moment rating about Z axis |
RWU65-F | Carriage | |
TSX65-E | Guideway |
| Size code | 65 |