PRODUCTS
- 首頁
- 產品介紹
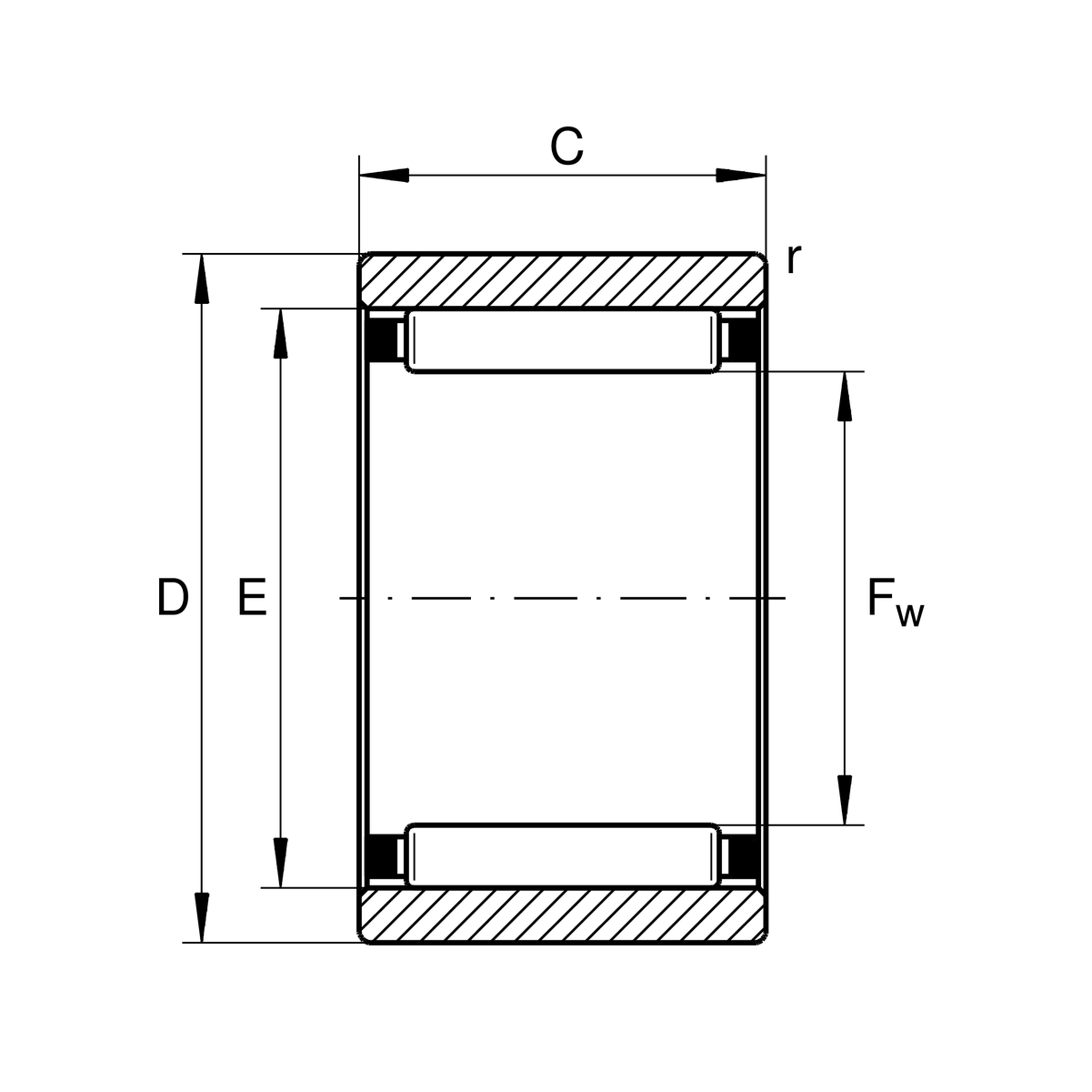
| Fw | 35 mm | 下輥直徑 |
| D | 45 mm | 外徑 |
| C | 13 mm | 外圈寬度 |
| Cr | 18,300 N | 基本額定動載荷,徑向 |
| C0r | 28,000 N | 基本額定靜態負荷,徑向 |
| Cur | 4,550 N | 疲勞負載極限,徑向 |
| nG | 13,100 1/min | 極限轉速 |
| nϑr | 7,800 1/min | 參考轉速 |
| ≈m | 0.053 kg | 重量 |
| Db | 35.6 mm | Shoulder diameter axial guidance NK/軸承座 |
| db | 39.4 mm | Shoulder diameter axial guidance NK/shaft |
| Da | 40.5 mm | 外圈肩徑 |
| ra max | 0.3 mm | 最大凹槽半徑 |
| E | 40 mm | 外圈滾道直徑 |
| rmin | 0.3 mm | 最小倒角尺寸 |
| Tmin | -30 °C | 最低工作溫度 |
| Tmax | 120 °C | 最高操作溫度 |
| Cage | Standard |