PRODUCTS
- 首頁
- 產品介紹
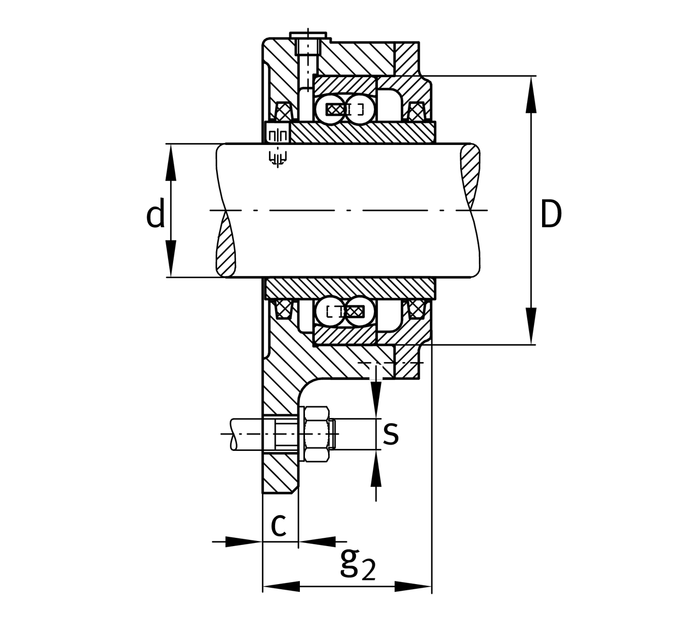
| d | 50 mm | Shaft diameter |
| a | 180 mm | 法蘭寬度 |
| g2 | 62.5 mm | Total width with cover |
| h1 | 160 mm | Height flange |
| ≈m | 3 kg | 重量 |
M10x1 | 用於潤滑的連接螺紋 | |
| c | 15 mm | 法蘭厚度 |
| D | 90 mm | 外徑 bearing |
| h | 60 mm | Distance shaft axis |
| m | 160 mm | Pitch circle diameter fixing holes |
| s | M12 | Size of fixing screws |
| Tmin | -20 °C | 最低工作溫度 |
| Tmax | 100 °C | 最高操作溫度 |