PRODUCTS
- 首頁
- 產品介紹
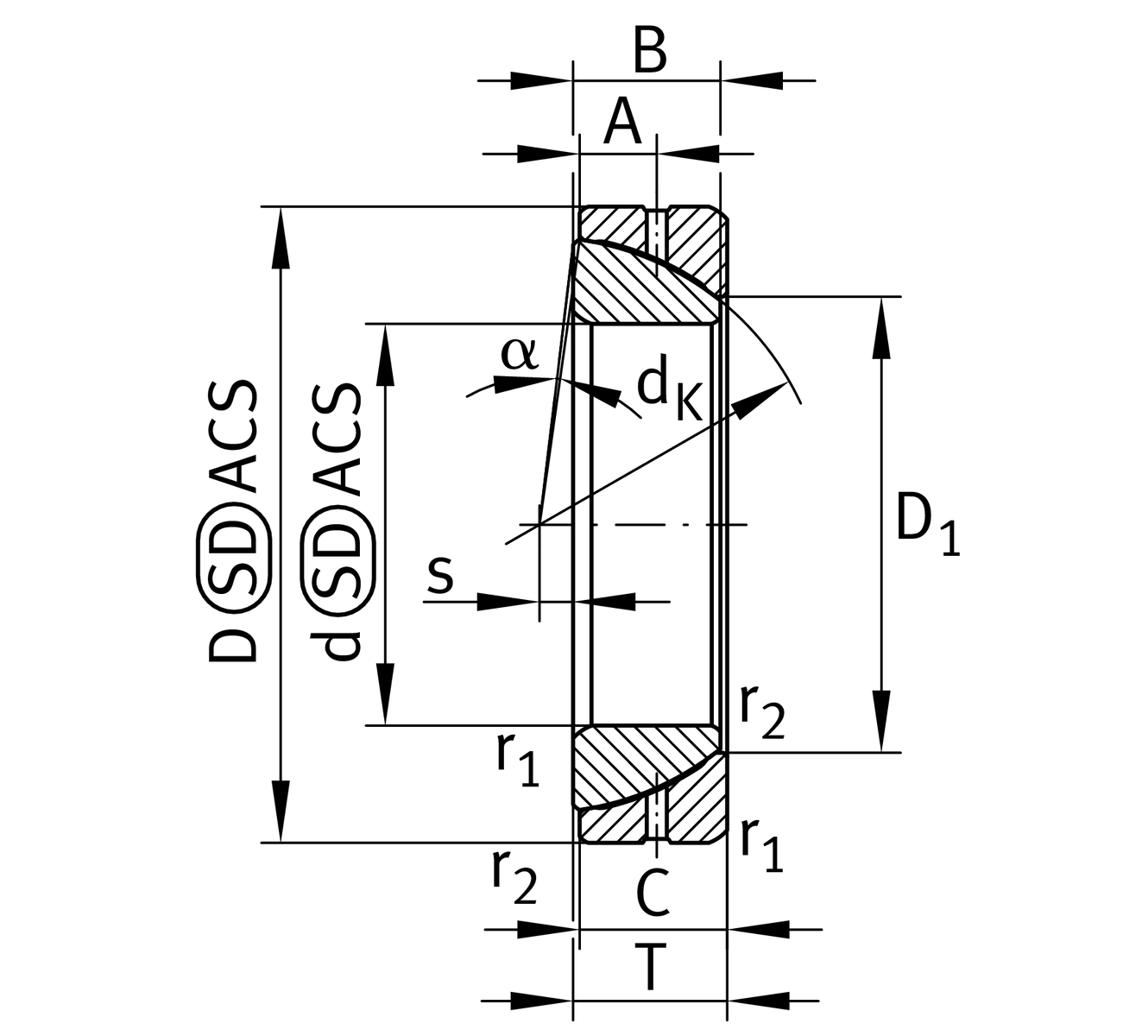
| d | 55 mm | 內徑 bearing |
| D | 90 mm | 外徑 bearing |
| T | 23 mm | 高度 |
| Cr | 149,000 N | 基本額定動載荷,徑向 |
| C0r | 746,000 N | 基本額定靜態負荷,徑向 |
| ≈m | 0.668 kg | 重量 |
| r1smin | 1.5 mm | 邊緣間距 |
| r2smin | 0.6 mm | 邊緣間距 |
| da max | 60.8 mm | Connection measure Inner ring |
| Da min | 70 mm | 軸承座 Connection Diameter |
| Db min | 81 mm | Connection diameter |
| dK | 80 mm | 球直徑 |
| D1 | 62 mm | 內徑 of 軸承座 washer |
| B | 22 mm | 內圈寬度 |
| C | 22 mm | Width Outer ring |
| s | 4 mm | Plane Surface Spacing |
| A | 11.5 mm | Distance lubrication Bore |
| α | 1.4 ° | 傾斜角度 |
| dOT | 0 mm | 內徑 bearing, 公差上限 |
| dUT | -0.015 mm | 內徑 bearing, 較低的公差 |
| DOT | 0 mm | 外徑, 公差上限 |
| DUT | -0.018 mm | 外徑,公差下限 |
| TOT | 0.25 mm | Height, 公差上限 |
| TUT | -0.25 mm | Height, 較低的公差 |
| CUT | 0 mm | Width outer ring, 公差上限 |
| COT | -0.3 mm | Width outer ring, 較低的公差 |
| BOT | 0 mm | 內圈寬度, 公差上限 |
| BUT | -0.3 mm | 內圈寬度, 較低的公差 |
| d2 | 71 mm | Connection measure Inner ring |
| Tmin | -60 °C | 最低工作溫度 |
| Tmax | 200 °C | 最高操作溫度 |