PRODUCTS
- 首頁
- 產品介紹
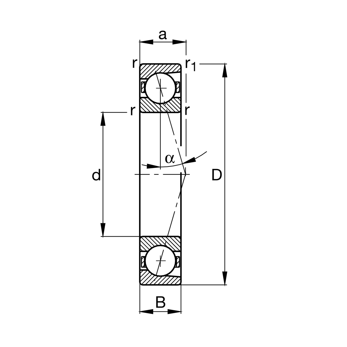
| d | 55 mm | 內徑 |
| D | 80 mm | 外徑 |
| B | 13 mm | 寬度 |
| Cr | 23,500 N | 基本額定動載荷,徑向 |
| C0r | 14,400 N | 基本額定靜態負荷,徑向 |
| Cur | 1,530 N | 疲勞負載極限,徑向 |
| nG Grease | 17,000 1/min | 脂潤滑的極限轉度 |
| nG Oil | 26,000 1/min | 油潤滑極限轉速 |
| ≈m | 174.13 g | 重量 |
| da | 60 mm | 直徑軸肩 |
| da | h12 | 直徑軸肩間隙 |
| Da | 75.5 mm | 外圈肩徑 |
| Da | H12 | 軸肩直徑 外圈游隙 |
| ra max | 0.6 mm | 最大凹槽半徑 |
| ra1 max | 0.3 mm | 最大凹槽半徑 |
| Etk min | 62.8 mm | 最小直徑注射節距 |
| Etk max | 65.1 mm | 最大直徑注射節距 |
| Etk1 min | 62.8 mm | 最小直徑注射節距 |
| Etk1 max | 65.1 mm | 最大直徑注射節距 |
| a | 15.5 mm | 壓力錐頂點之間的距離 |
| rmin | 1 mm | 最小倒角尺寸 |
| r1 min | 1 mm | 最小倒角尺寸 |
| α | 15 ° | 接觸角 |
| Tmin | -30 °C | 最低工作溫度 |
| Tmax | 100 °C | 最高操作溫度 |
| FV L | 111 N | 預壓力 輕 |
| FV M | 382 N | 預壓力 中 |
| FV H | 780 N | 預壓力 重 |
| KaE L | 340 N | 提升力 輕 |
| KaE M | 1,274 N | 提升力 中 |
| KaE H | 2,784 N | 提升力 重 |
| ca L | 51 N/µm | 軸向剛性 輕 |
| ca M | 89 N/µm | 軸向剛性 中等 |
| ca H | 128 N/µm | 軸向剛性 重 |
| 接觸角 | C | 接觸角 15 |
| Lubricant | 沒有 | |
| Sealing | 沒有 | |
| Outer shape | Standard | |
| Cage | T | 積層纖維保持架 |
| Tolerance class | P4S | 公差等級 P4S,FAG 標準優於 P4,符合 DIN 620 標準 |
| Arrangement bearing set | U | 單軸承 |
| Preload | L | 預壓力 輕 |