INA
DRS30105
Seal carrier Assy DRS30105
加入詢價
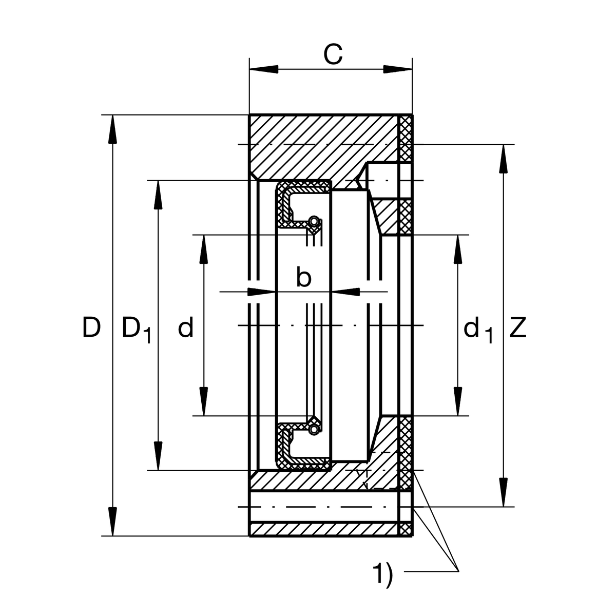
主要尺寸與性能資料
| d1 | 68 mm | 內徑 centering |
| D | 105 mm | 外徑 |
| C | 25 mm | Width wave carrier |
| ≈m | 0.659 kg | 重量 |
尺寸
| Z | 95 mm | Pitch circle diameter (holes) |
| d | 68 mm | 內徑 centering seal lip |
| D1 | 85 mm | 外徑密封 |
| b | 10 mm | Width seal |
| M4X35 | Screw size |
| 1) | 4 | Number of screws |
加入詢價
Seal carrier Assy DRS30105
已將您選擇的品項
加入詢價清單
非常感謝您!
選擇更多商品
瀏覽詢價清單