PRODUCTS


INA
RSL183013-A-XL-2S
Cylindrical roller bearing RSL183013-A-XL-2S
加入詢價
主要尺寸與性能資料
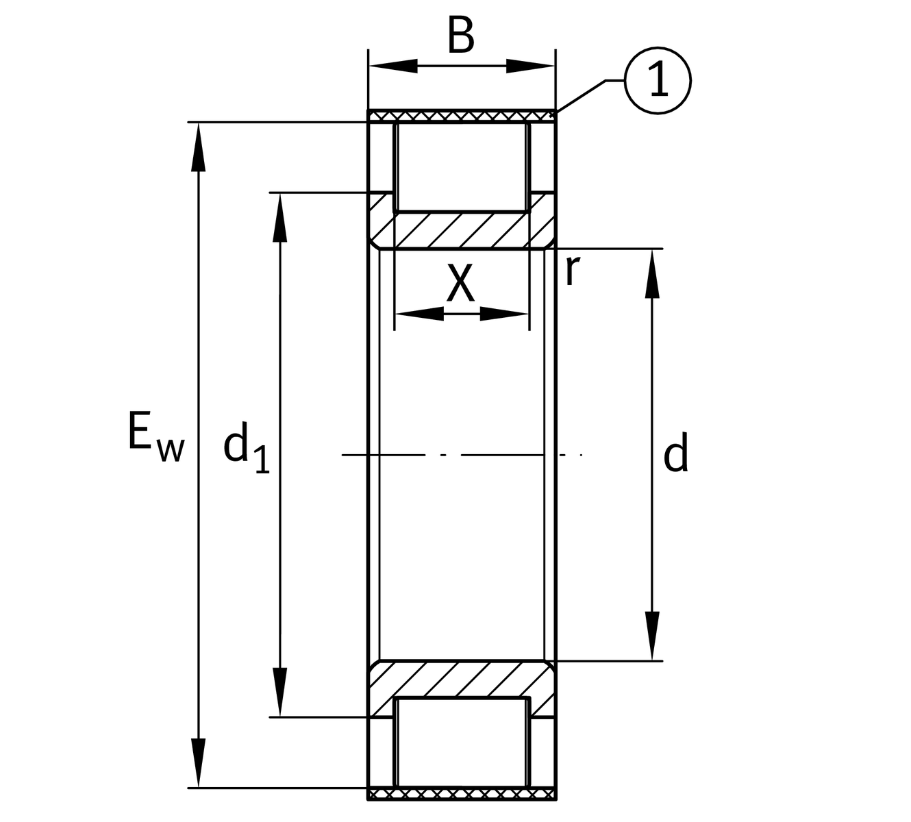
d
65 mm
內徑
Ew
93.09 mm
Outer envelope circle
B
26 mm
寬度
Cr
130,000 N
基本額定動載荷,徑向
C0r
157,000 N
基本額定靜態負荷,徑向
Cur
26,500 N
疲勞負載極限,徑向
nG
4,000 1/min
極限轉速
≈m
494.5 g
重量

安裝尺寸
da min
78.1 mm
軸肩最小直徑
X
17 mm
raceway width

尺寸
rmin
1.1 mm
最小倒角尺寸
d1
78.1 mm
內圈最大擋邊直徑
TK
83.09 mm
pitch circle

溫度範圍
Tmin
-30 °C
最低工作溫度
Tmax
120 °C
最高操作溫度

您目前的產品型號
Number of rolling element rows1單列設計
加入詢價