PRODUCTS
- 首頁
- 產品介紹
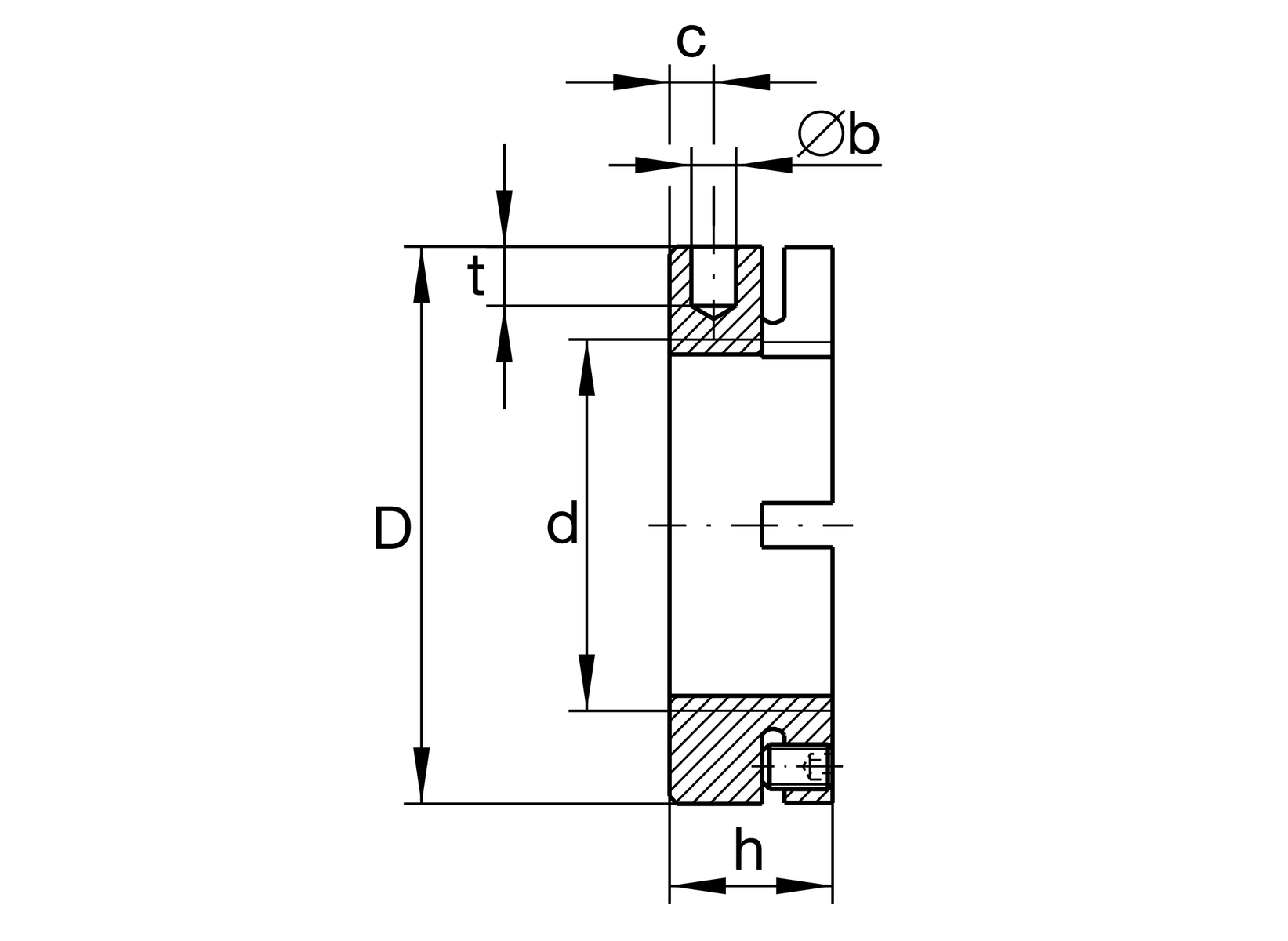
| d | M85X2 | 線 |
| D | 115 mm | 外徑 |
| h | 30 mm | 高度 |
| FaB | 690,000 N | Breaking load, axial |
| ML | 930 Nm | Breakawag |
| MAL | 180 Nm | Mounting torque reference |
| Mm | 24.8 kg*cm2 | 質量慣性矩 |
| ≈m | 850.27 g | 重量 |
| Mm | 20 Nm | Mounting torque set screw |
| b | 8 mm | 內徑 blind hole |
| t | 10 mm | Depth blind hole |
| d1 | 102 mm | Pitch circle diameter 1 (holes) |
| c | 10 mm | Distance bore |
| m | M10 | Threaded - threaded pin |
H11 | 內徑 blind hole 軸承座 fit |