PRODUCTS
- 首頁
- 產品介紹
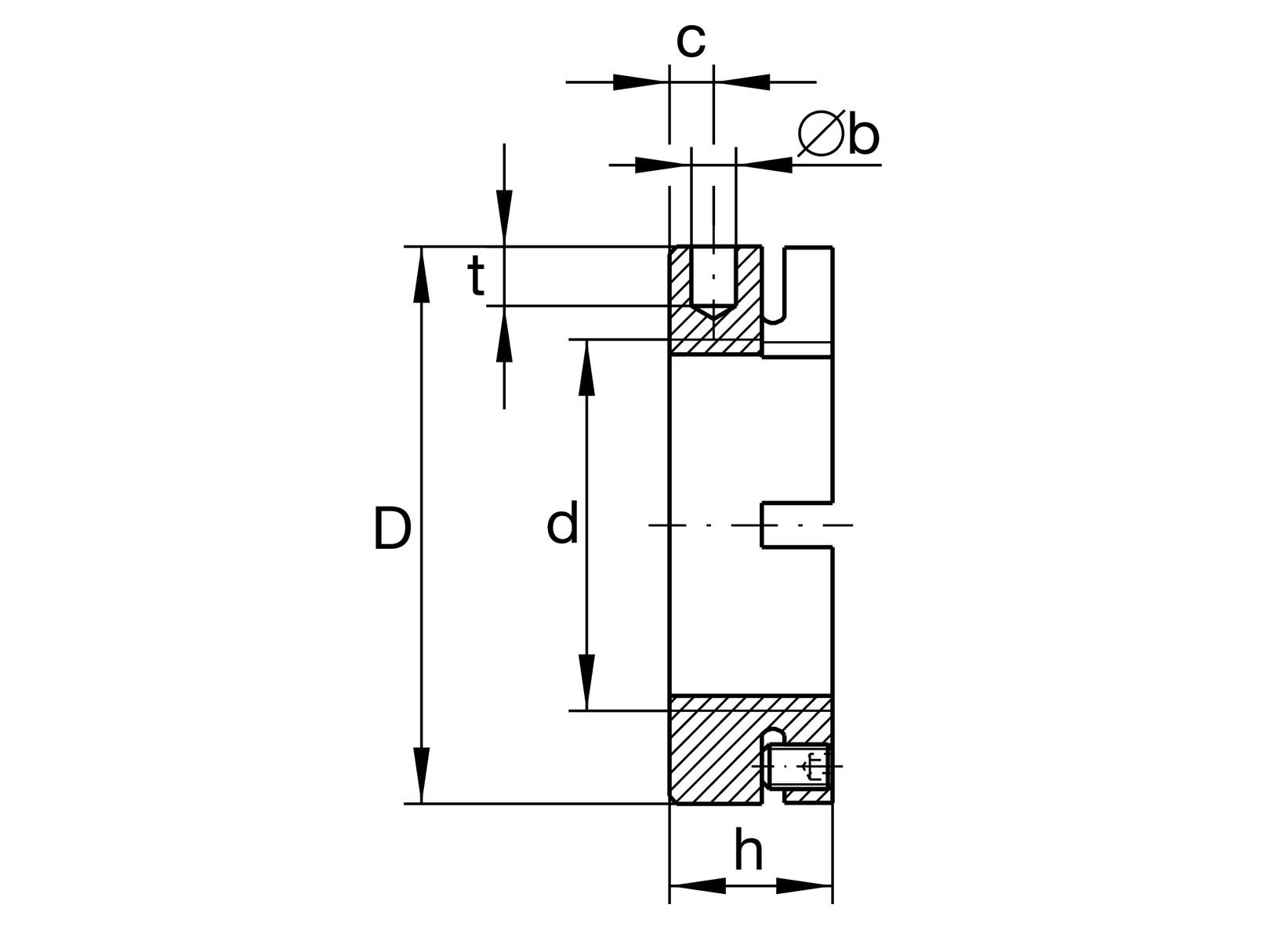
| d | M35X1,5 | 線 |
| D | 58 mm | 外徑 |
| h | 20 mm | 高度 |
| FaB | 280,000 N | Breaking load, axial |
| ML | 90 Nm | Breakawag |
| MAL | 40 Nm | Mounting torque reference |
| Mm | 1.3 kg*cm2 | 質量慣性矩 |
| ≈m | 208 g | 重量 |
| Mm | 5 Nm | Mounting torque set screw |
| b | 5 mm | 內徑 blind hole |
| t | 7 mm | Depth blind hole |
| d1 | 51 mm | Pitch circle diameter 1 (holes) |
| c | 6 mm | Distance bore |
| m | M6 | Threaded - threaded pin |
H11 | 內徑 blind hole 軸承座 fit |