PRODUCTS
- 首頁
- 產品介紹
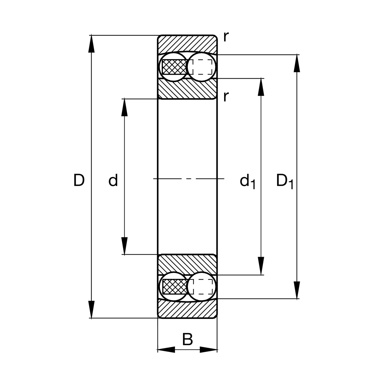
| d | 55 mm | 內徑 |
| D | 100 mm | 外徑 |
| B | 25 mm | 寬度 |
| Cr | 39,000 N | 基本額定動載荷,徑向 |
| C0r | 12,500 N | 基本額定靜態負荷,徑向 |
| Cur | 790 N | 疲勞負載極限,徑向 |
| nG | 7,000 1/min | 極限轉速 |
| nϑr | 6,700 1/min | 參考轉速 |
| ≈m | 0.744 kg | 重量 |
| da min | 64 mm | 軸肩最小直徑 |
| Da max | 91 mm | 殼肩最大直徑 |
| ra max | 1.5 mm | 最大圓角半徑 |
| rmin | 1.5 mm | 最小倒角尺寸 |
| D1 | 89.8 mm | 外圈肩徑 |
| d1 | 69.64 mm | 內圈肩徑 |
| Tmin | -30 °C | 最低工作溫度 |
| Tmax | 120 °C | 最高操作溫度 |
| e | 0.22 | Fa/Fr對於差分的適用性的限制值。 X 和 Y 參數 |
| Y1 | 2.91 | 動態軸向負載係數 |
| Y2 | 4.51 | 動態軸向負載係數 |
| Y0 | 3.05 | 靜態軸向負荷係數 |
| Bore type | Z | 圓柱 |
| Sealing | 沒有 | 未密封 |
| Cage | TVH | 玻璃纖維增強聚醯胺 PA66 實體保持架 |
| Tolerance class | PN | 正常(PN) |
| Lubricant | 沒有 | 軸承未潤滑 |
| Radial internal clearance | CN (Group N) | 正常內部間隙 |