PRODUCTS


INA
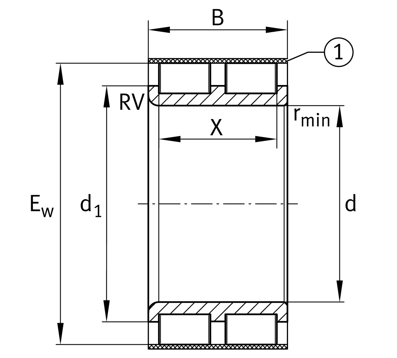
RSL75x107,9x54-XL-RV
Cylindrical roller bearing RSL75x107,9x54-XL-RV
加入詢價
主要尺寸與性能資料
d
75 mm
內圈擋邊直徑
Ew
107.9 mm
B
54 mm
寬度
Cr
275,000 N
基本額定動載荷,徑向
C0r
385,000 N
基本額定靜態負荷,徑向
Cur
66,000 N
疲勞負載極限,徑向
nG
3,200 1/min
極限轉速
nϑr
1,720 1/min
參考轉速
≈m
1.76 kg
重量

安裝尺寸
da min
88.5 mm
軸肩最小直徑

尺寸
rmin
1.1 mm
最小倒角尺寸
X
44 mm
raceway width

溫度範圍
Tmin
-30 °C
最低工作溫度
Tmax
120 °C
最高操作溫度

您目前的產品型號
Number of rolling element rows2雙列設計
加入詢價