PRODUCTS
- 首頁
- 產品介紹
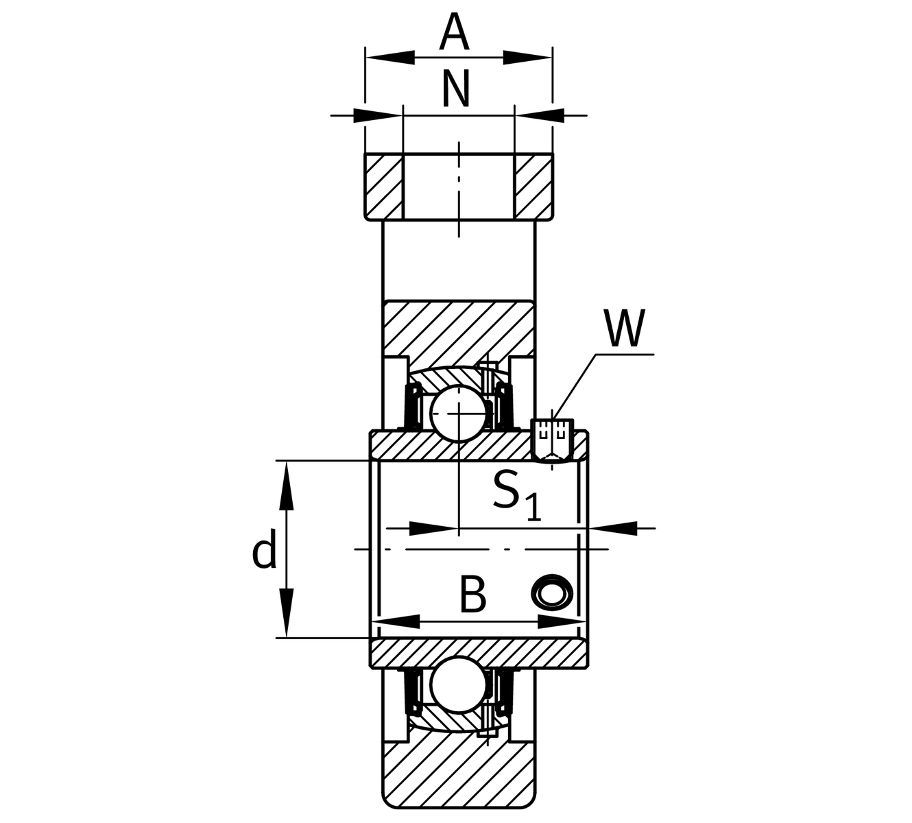
| d | 50.8 mm | 內徑 |
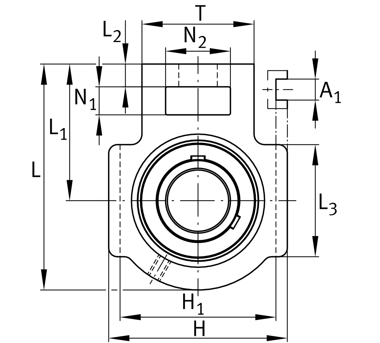
| H | 117 mm | 高度 |
| L | 149 mm | Length total |
| ≈m | 2.487 kg | 重量 |
| A1 | 16 mm | Width guidance groove |
0.2 mm | Upper width guidance groove tolerance | |
0 mm | Lower width guidance groove tolerance | |
| H1 | 102 mm | Distance guidance grooves |
0 mm | Upper distance guidance groove tolerance | |
-0.5 mm | Lower distance guidance groove tolerance | |
| N | 29 mm | 固定內徑 |
| L1 | 90 mm | Distance shaft axis |
| L2 | 16 mm | Length fixed link |
| L3 | 86 mm | Length guidance groove |
| A | 49 mm | Width 軸承座 fixing side |
| N1 | 19 mm | Width recess |
| N2 | 49 mm | Height recess |
| B | 51.6 mm | 內圈寬度 |
| S1 | 32.6 mm | Distance of raceway to locking collar |
| T | 83 mm | 外殼高度 fixing side |
| Q | M6 | 用於潤滑的連接螺紋 |
| A2 | 37 mm | Width 軸承座 |
T210 | 軸承座 | |
UC210-32 | 軸承型號 |
| Tmin | -20 °C | 最低工作溫度 |
| Tmax | 120 °C | 最高操作溫度 |
| Material | GG | 灰鑄鐵 |