PRODUCTS


INA
RSL70x100,28x62-XL-RV-DP
Cylindrical roller bearing RSL70x100,28x62-XL-RV-DP
加入詢價
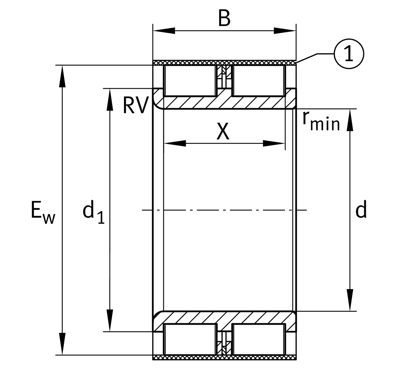
主要尺寸與性能資料
d
70 mm
內圈擋邊直徑
Ew
100.28 mm
B
62 mm
寬度
Cr
325,000 N
基本額定動載荷,徑向
C0r
455,000 N
基本額定靜態負荷,徑向
Cur
81,000 N
疲勞負載極限,徑向
nG
3,750 1/min
極限轉速
nϑr
1,880 1/min
參考轉速
≈m
1.36 kg
重量

安裝尺寸
da min
81 mm
軸肩最小直徑

尺寸
rmin
1.1 mm
最小倒角尺寸
X
54 mm
raceway width

溫度範圍
Tmin
-30 °C
最低工作溫度
Tmax
120 °C
最高操作溫度

您目前的產品型號
Number of rolling element rows2雙列設計
加入詢價