PRODUCTS
- Home
- Product Info
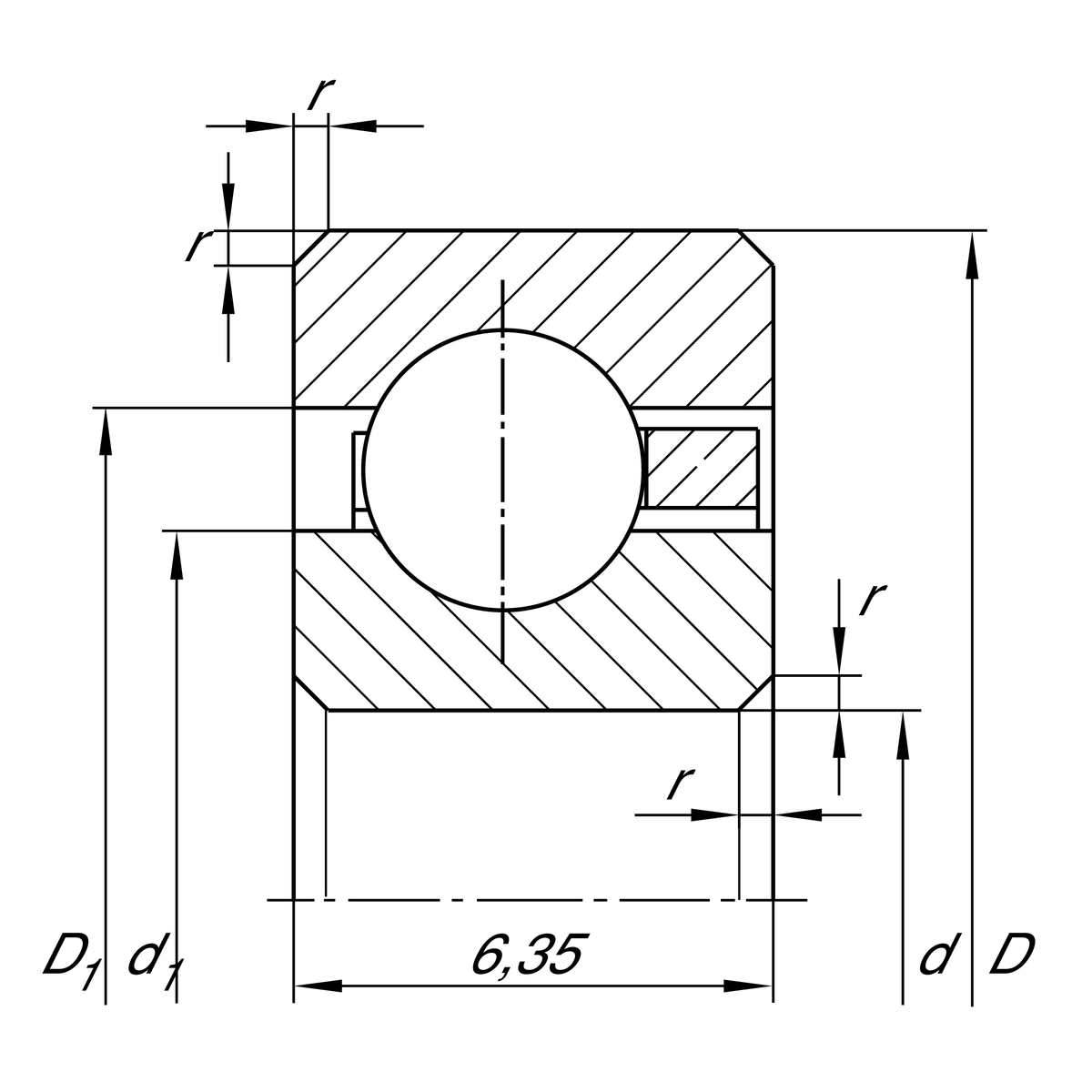
| d | 228.6 mm | Bore diameter |
| D | 241.3 mm | Outside diameter |
| B | 6.35 mm | Width |
| Cr | 5,600 N | Basic dynamic load rating, radial |
| C0r | 11,500 N | Basic static load rating, radial |
| nG | 2,390 1/min | Limiting speed |
| ≈m | 200 g | Weight |
| rmin | 0.6 mm | Minimum chamfer dimension |
| d1 | 233.3 mm | Shoulder diameter inner ring |
| D1 | 236.6 mm | Shoulder diameter outer ring |
| Tmin | -30 °C | Operating temperature min. |
| Tmax | 120 °C | Operating temperature max. |
| Logistical code | HLE | - |
| Sealing | Without | Not sealed |
| Cage | YH | brass sheet metal |
| Tolerance class | PL1 | Class PL1, Normal |
| Radial internal clearance | PL1 | Class PL1, Normal |
| Lubricant | Without | Bearing not greased |