PRODUCTS
- Home
- Product Info
| lmax | 5,880 mm | Max length single piece guideway 1 |
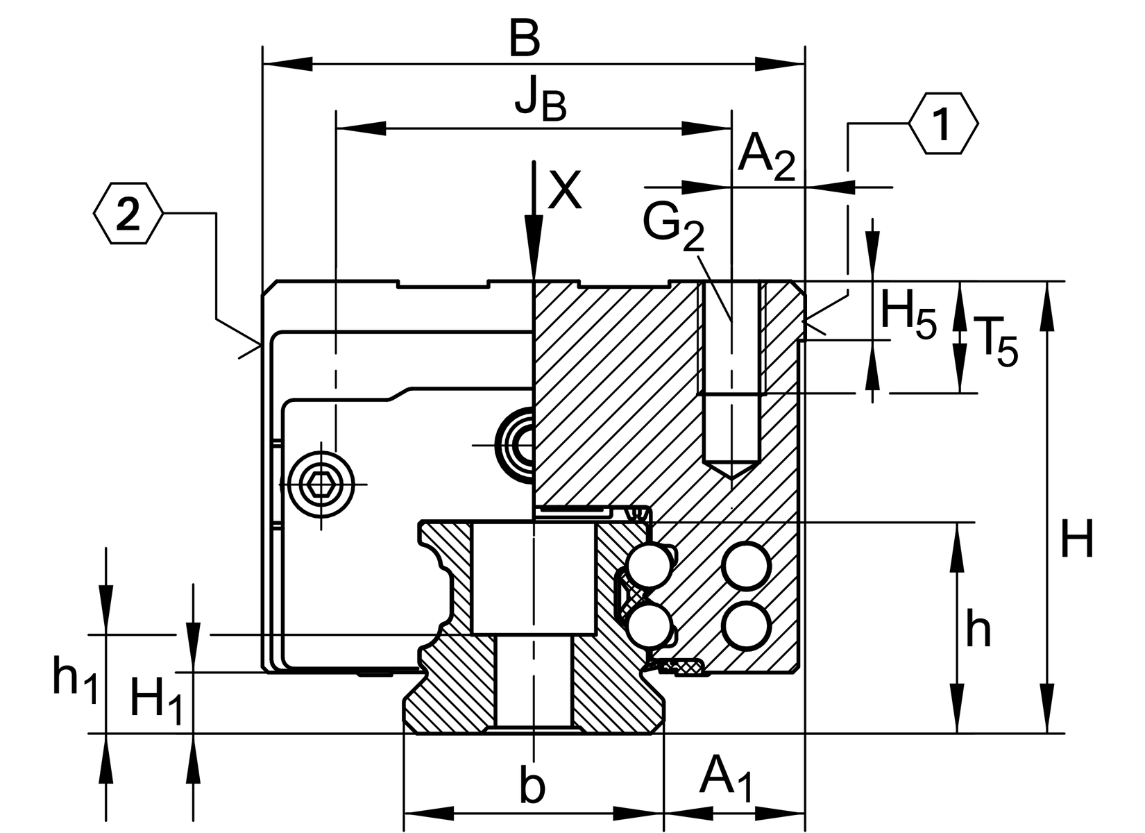
| H | 31 mm | height system |
| B | 48 mm | width carriage |
| L | 83.3 mm | overall length carriage |
| C | 17,900 N | dynamic load rating 2 |
| C0 | 37,000 N | static load rating 2 |
| M0x | 510 Nm | static moment rating about X axis |
| M0y | 395 Nm | static moment rating about Y axis |
| M0z | 395 Nm | static moment rating about Z axis |
| A1 | 12.5 mm | |
| JB | 35 mm | |
| b | 23 mm | width rail |
| Tolb | -0.005 mm | Upper tolerance |
| Tolb | -0.03 mm | Lower tolerance |
| A2 | 6.5 mm | |
| L1 | 60.7 mm | |
| Ls | 1.65 mm | |
| JL | 35 mm | |
| jL | 60 mm | |
| aL min | 20 mm | 3 |
| aL max | 53 mm | 3 |
| aR min | 20 mm | 3 |
| aR max | 53 mm | 3 |
| H1 | 5.1 mm | |
| H5 | 5.25 mm | |
| T5 | 7.5 mm | |
| h | 18.7 mm | |
| h1 | 8.2 mm | |
| G2 | M6 | fixing screws |
| G2 MA | 17 Nm | maximum tightening torque 4 |
| K1 | M6 | fixing screws |
| K1 MA | 17 Nm | maximum tightening torque 4 |
| d1 | 6.8 mm | |
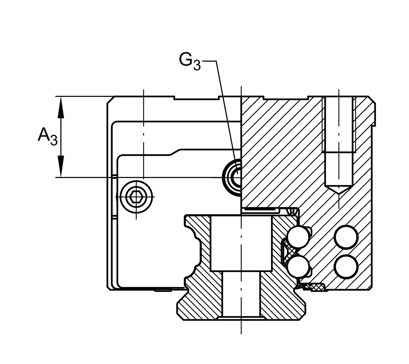
| A3 | 6 mm | |
| G3 | M6 | |
| t G3 | 7 mm | 5 |
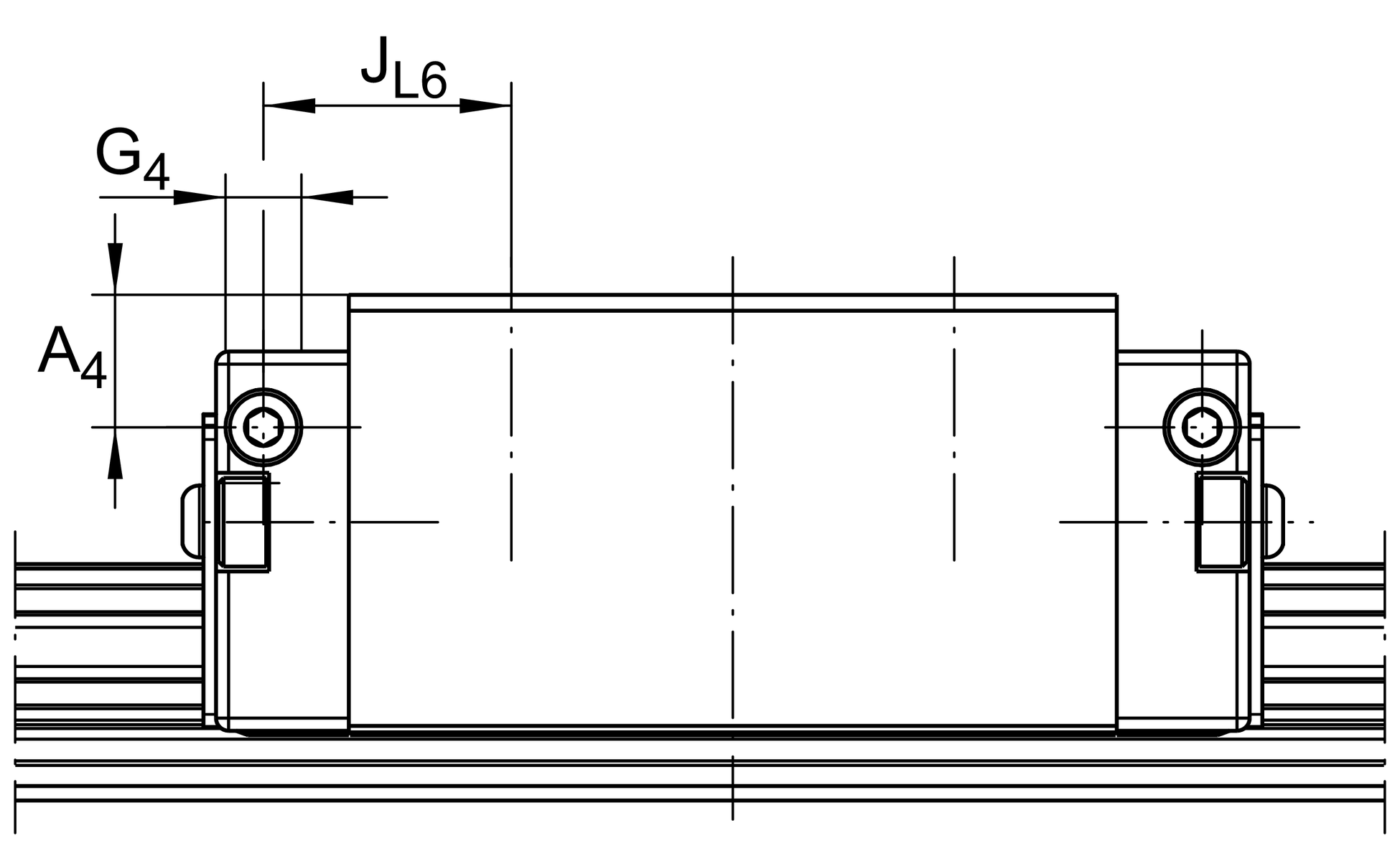
| A4 | 4 mm | |
| G4 | M3 | |
| t G4 | 6 mm | 5 |
| JL6 | 17.9 mm |
KWVE25-B-SN | Carriage | |
TKVD25 | suitable Guide Rail |
| Size code | 25 | |
| Carriage design | SN | Narrow, low carriage |
| Version | B |