PRODUCTS
- Home
- Product Info
| lmax | 5,880 mm | Max length single piece guideway 1 |
| H | 40 mm | height system |
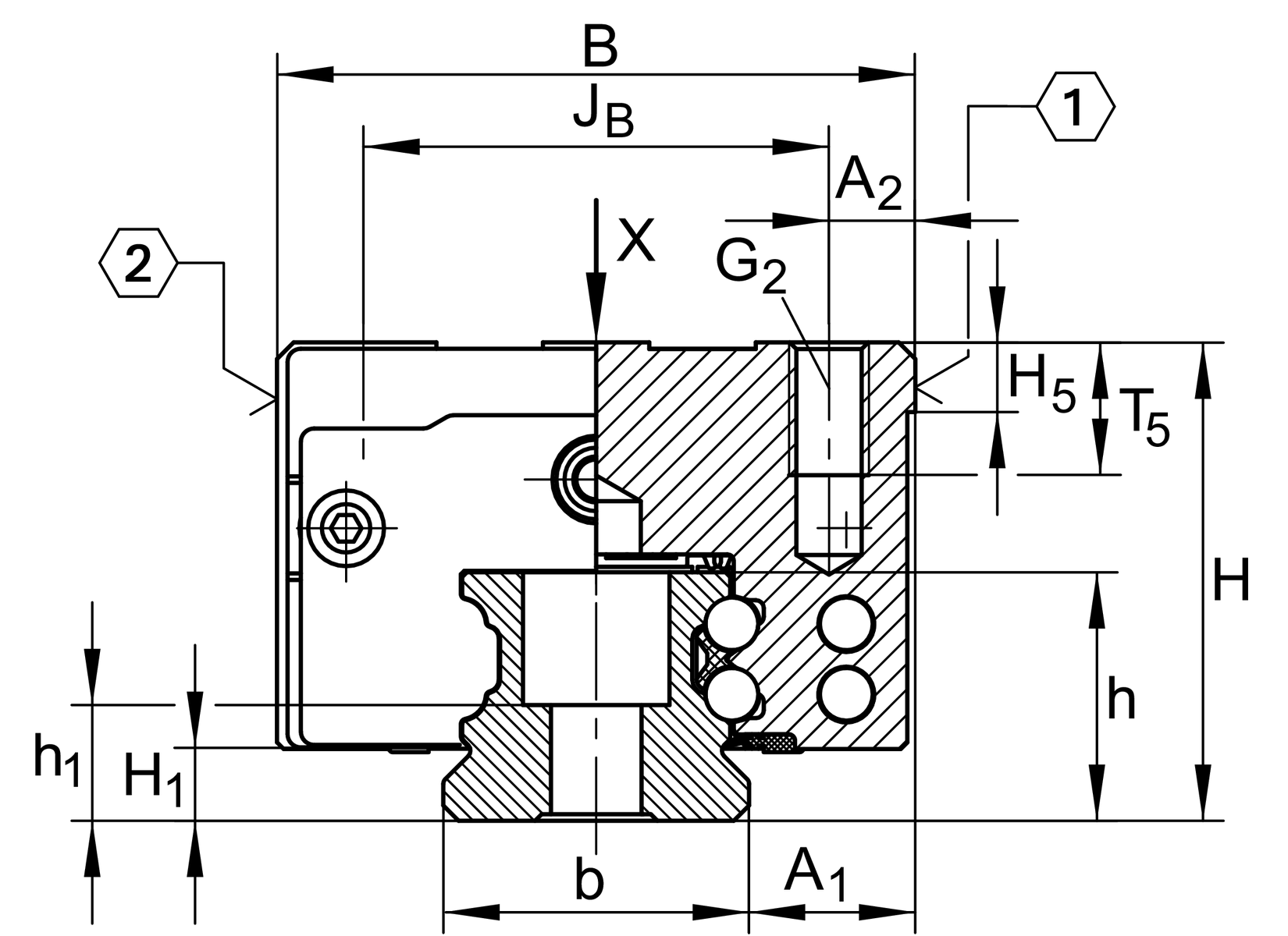
| B | 48 mm | width carriage |
| L | 109.1 mm | overall length carriage |
| C | 23,400 N | dynamic load rating 2 |
| C0 | 54,000 N | static load rating 2 |
| M0x | 745 Nm | static moment rating about X axis |
| M0y | 825 Nm | static moment rating about Y axis |
| M0z | 825 Nm | static moment rating about Z axis |
| A1 | 12.5 mm | |
| JB | 35 mm | |
| b | 23 mm | width rail |
| Tolb | -0.005 mm | Upper tolerance |
| Tolb | -0.03 mm | Lower tolerance |
| A2 | 6.5 mm | |
| L1 | 86.5 mm | |
| Ls | 1.65 mm | |
| JL | 50 mm | |
| jL | 60 mm | |
| aL min | 20 mm | 3 |
| aL max | 53 mm | 3 |
| aR min | 20 mm | 3 |
| aR max | 53 mm | 3 |
| H1 | 5.1 mm | |
| H5 | 5.25 mm | |
| T5 | 10 mm | |
| h | 18.7 mm | |
| h1 | 8.2 mm | |
| G2 | M6 | fixing screws |
| G2 MA | 17 Nm | maximum tightening torque 4 |
| K1 | M6 | fixing screws |
| K1 MA | 17 Nm | maximum tightening torque 4 |
| d1 | 6.8 mm | |
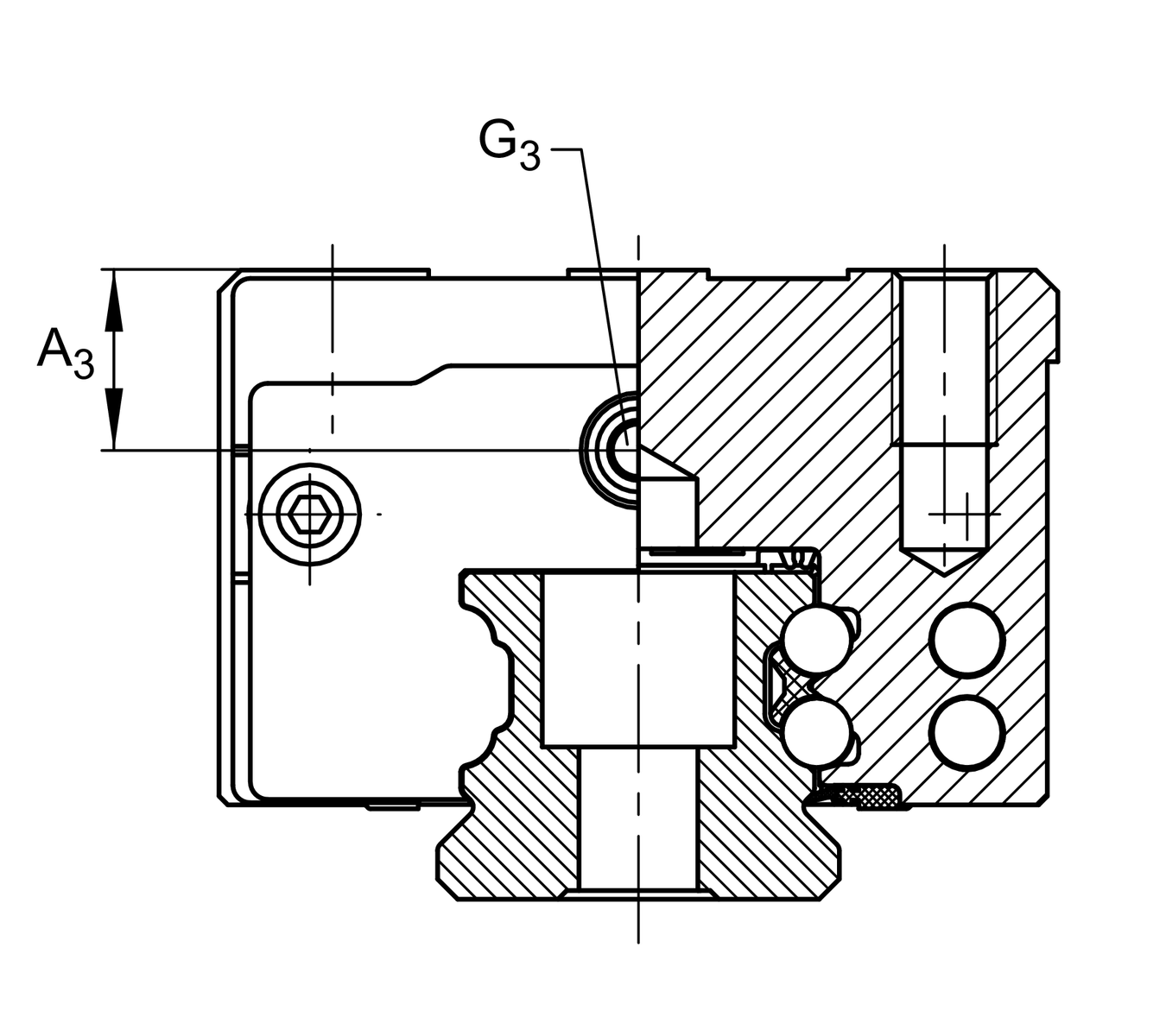
| A3 | 15 mm | |
| G3 | M6 | |
| t G3 | 7 mm | 5 |
| A4 | 10.5 mm | |
| G4 | M6 | |
| t G4 | 7 mm | 5 |
| JL6 | 23.3 mm |
KWVE25-B-HL | Carriage | |
TKVD25 | suitable Guide Rail |
| Size code | 25 | |
| Carriage design | HL | High, long carriage |
| Version | B |