PRODUCTS
- Home
- Product Info
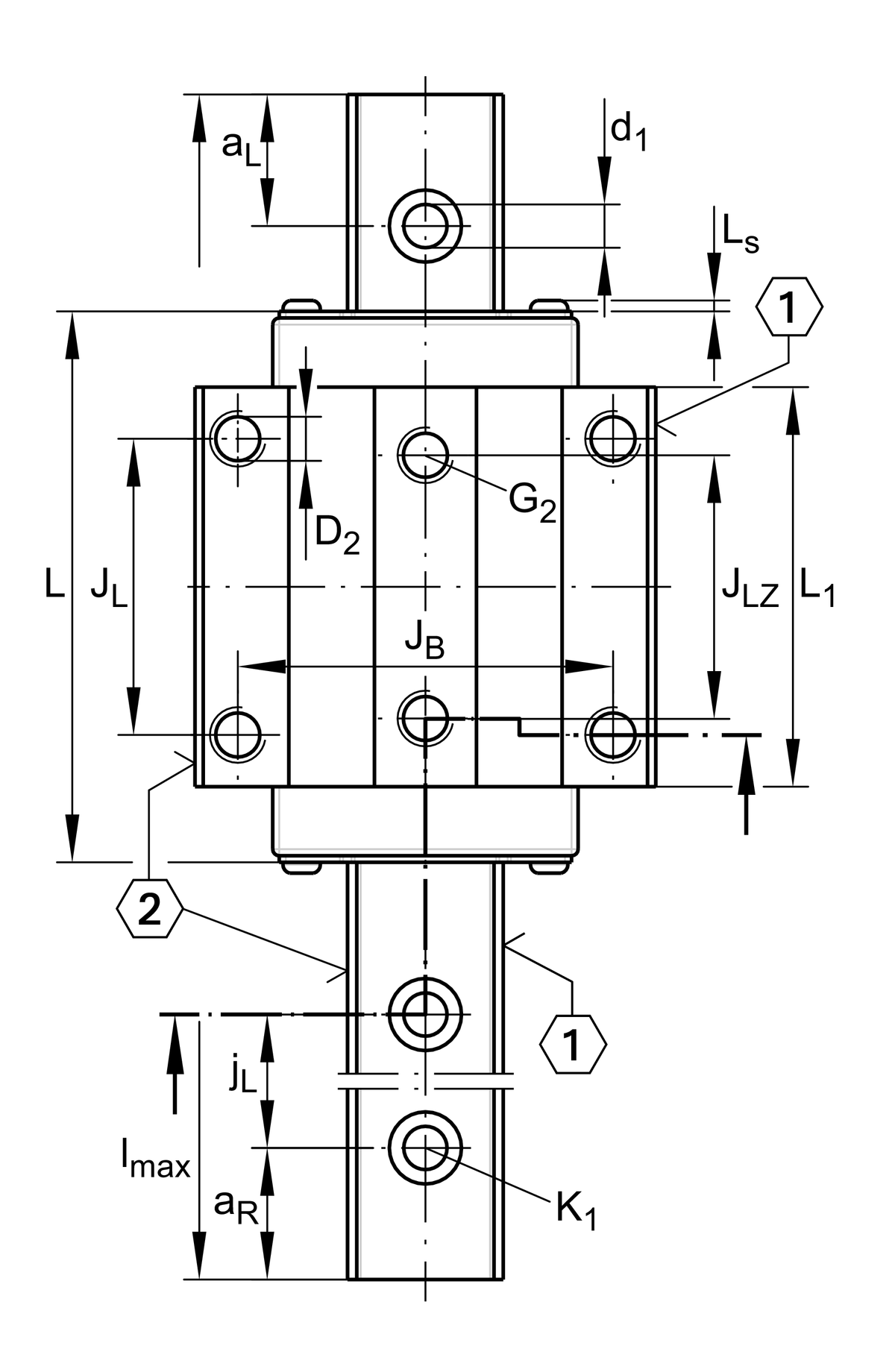
| lmax | 5,880 mm | Max length single piece guideway 1 |
| H | 27 mm | height system |
| B | 63 mm | width carriage |
| L | 88.9 mm | overall length carriage |
| C | 16,200 N | dynamic load rating 2 |
| C0 | 36,500 N | static load rating 2 |
| M0x | 452 Nm | static moment rating about X axis |
| M0y | 430 Nm | static moment rating about Y axis |
| M0z | 430 Nm | static moment rating about Z axis |
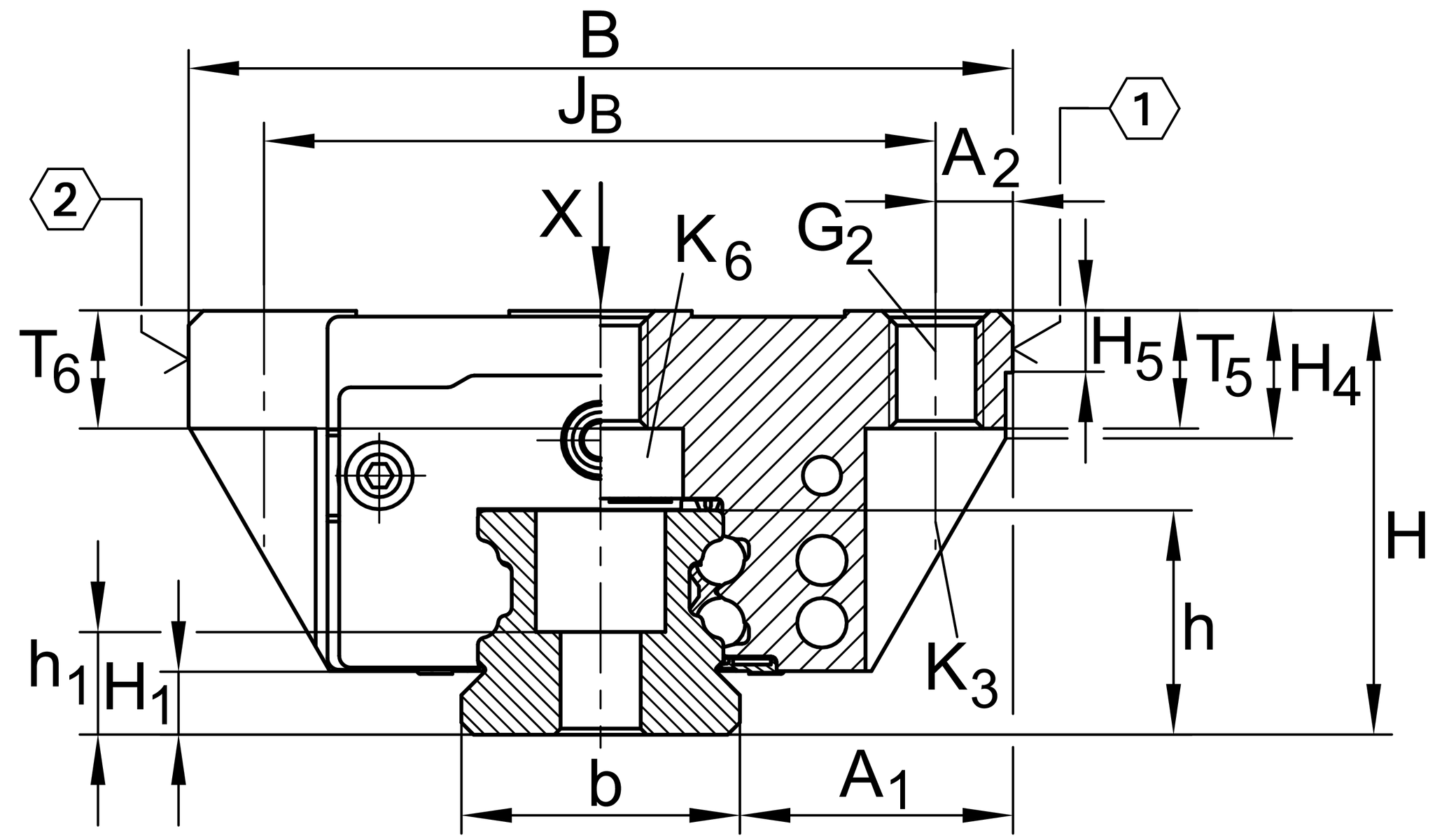
| A1 | 21.5 mm | |
| JB | 53 mm | |
| b | 20 mm | width rail |
| Tolb | -0.005 mm | Upper tolerance |
| Tolb | -0.03 mm | Lower tolerance |
| A2 | 5 mm | |
| L1 | 67.9 mm | |
| Ls | 1.3 mm | |
| JL | 40 mm | |
| JLZ | 35 mm | |
| jL | 60 mm | |
| aL min | 20 mm | 3 |
| aL max | 53 mm | 3 |
| aR min | 20 mm | 3 |
| aR max | 53 mm | 3 |
| H1 | 4.5 mm | |
| H4 | 8.6 mm | |
| H5 | 5.25 mm | |
| T5 | 8 mm | |
| T6 | 6 mm | |
| h | 17 mm | |
| h1 | 8.6 mm | |
| G2 | M6 | fixing screws |
| G2 MA | 10 Nm | maximum tightening torque 4 |
| K1 | M5 | fixing screws |
| K1 MA | 10 Nm | maximum tightening torque 4 |
| K3 | M5 | fixing screws |
| K3 MA | 10 Nm | maximum tightening torque 4 |
| K6 | M5 | fixing screws |
| K6 MA | 4 Nm | maximum tightening torque |
| d1 | 5.8 mm | |
| D2 | 5.5 mm | |
| A3 | 4.7 mm | |
| G3 | M5 | |
| t G3 | 7 mm | 5 |
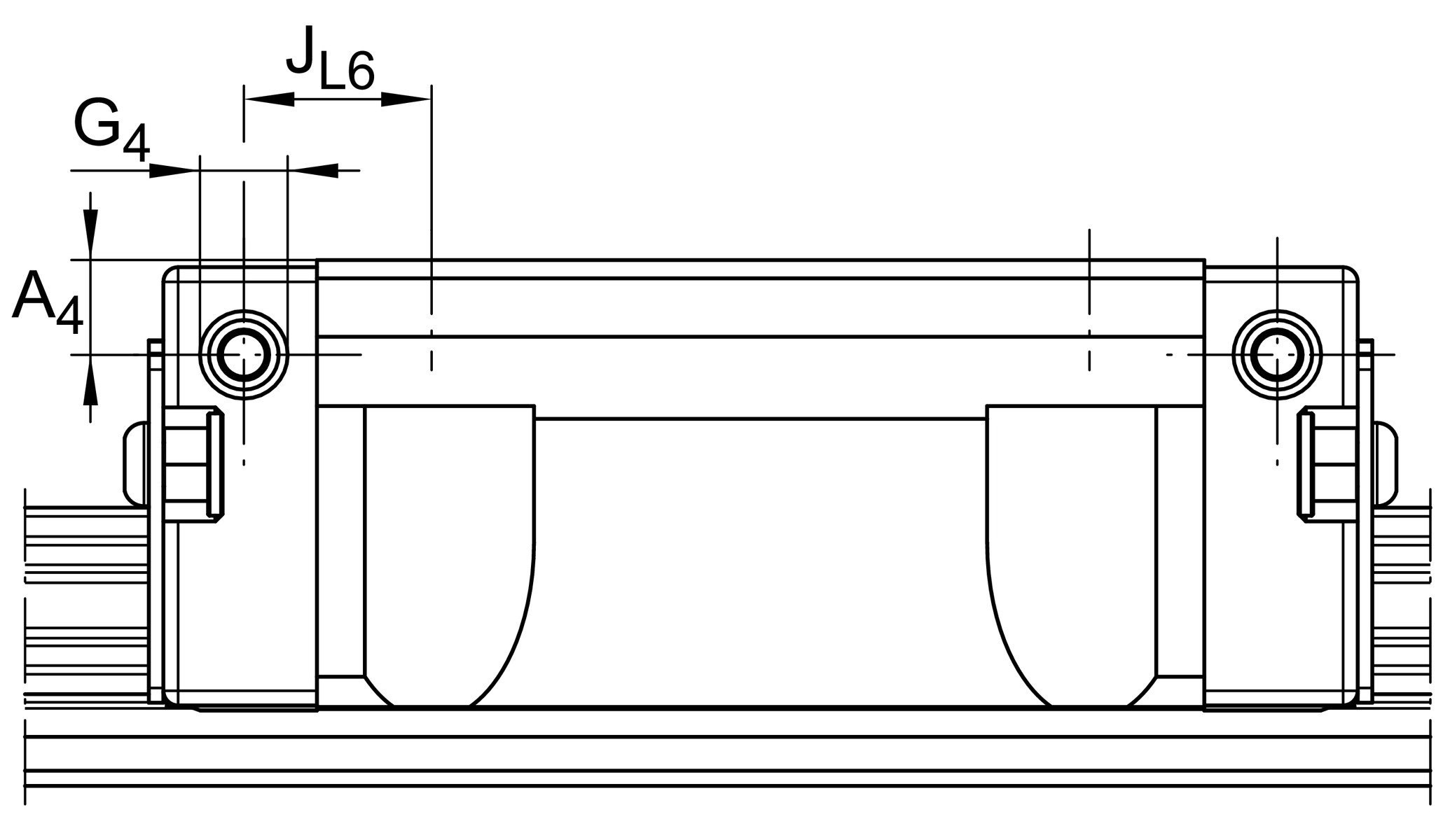
| A4 | 3.3 mm | |
| G4 | M3 | |
| t G4 | 5.5 mm | 5 |
| JL6 | 18.9 mm |
KWVE20-B-NL | Carriage | |
TKVD20 | suitable Guide Rail |
| Size code | 20 | |
| Carriage design | NL | Low, long carriage |
| Version | B |