PRODUCTS
- Home
- Product Info
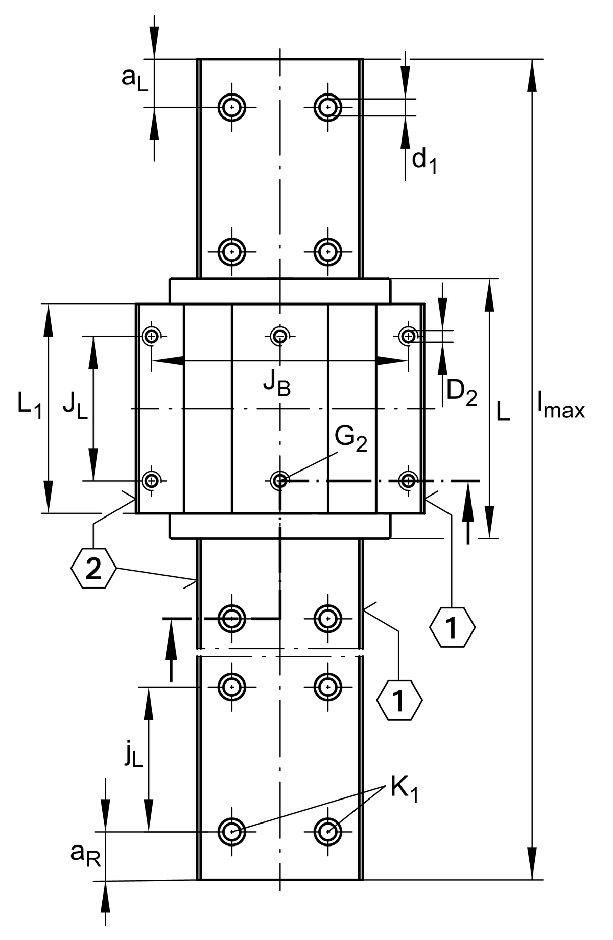
| lmax | 2,890 mm | Max length single piece guideway 1 |
| H | 21 mm | height system |
| B | 68 mm | width carriage |
| L | 55.6 mm | overall length carriage |
| C | 7,200 N | dynamic load rating 2 |
| C0 | 14,500 N | static load rating 2 |
| M0x | 332 Nm | static moment rating about X axis |
| M0y | 100 Nm | static moment rating about Y axis |
| M0z | 100 Nm | static moment rating about Z axis |
| A1 | 15.5 mm | |
| JB | 60 mm | |
| jB | 22 mm | |
| b | 37 mm | width rail |
| a5 | 7.5 mm | |
| A2 | 4 mm | |
| L1 | 39.8 mm | |
| JL | 29 mm | |
| jL | 50 mm | |
| aL min | 20 mm | 3 |
| aL max | 44 mm | 3 |
| aR min | 20 mm | 3 |
| aR max | 44 mm | 3 |
| H1 | 2.1 mm | |
| H4 | 7.7 mm | |
| H5 | 4.5 mm | |
| T5 | 7 mm | |
| T6 | 4.8 mm | |
| h | 12.9 mm | |
| h1 | 6 mm | |
| G2 | M5 | fixing screws |
| G2 MA | 5.8 Nm | maximum tightening torque 4 |
| K1 | M4 | fixing screws |
| K1 MA | 5 Nm | maximum tightening torque 4 |
| K3 | M4 | fixing screws |
| K3 MA | 5 Nm | maximum tightening torque 4 |
| K6 | M4 | fixing screws |
| K6 MA | 2 Nm | maximum tightening torque |
| d1 | 4.6 mm | |
| D2 | 4.5 mm | |
| A3 | 3.6 mm | |
| G3 | M3 | |
| t G3 | 4 mm | 5 |
KWVE15-W | Carriage | |
TKVD15-W | suitable Guide Rail |
| Size code | 15 | |
| Carriage design | W | Wide carriage and wide guideway |