PRODUCTS
- Home
- Product Info
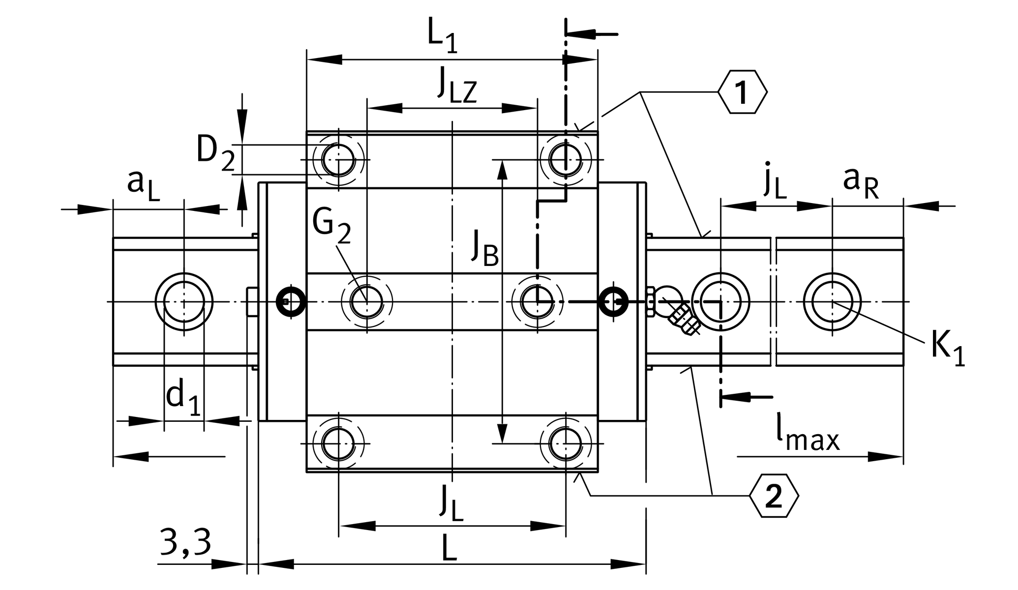
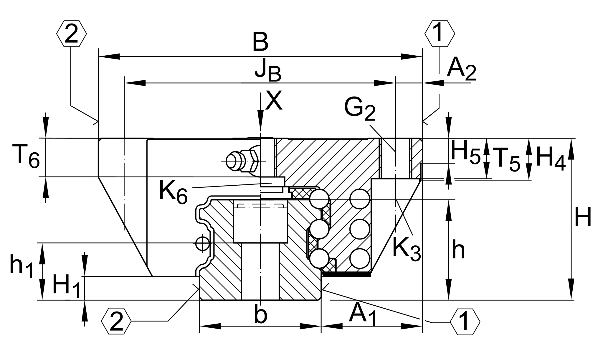
| A1 | 31 mm | |
| JB | 72 mm | |
| b | 28 mm | width rail |
| Tolb | -0.005 mm | Upper tolerance |
| Tolb | -0.03 mm | Lower tolerance |
| A2 | 9 mm | |
| L1 | 67.6 mm | |
| JL | 52 mm | |
| JLZ | 44 mm | |
| jL | 80 mm | |
| aL min | 20 mm | 1 |
| aL max | 71 mm | 1 |
| aR min | 20 mm | 1 |
| aR max | 71 mm | 1 |
| H1 | 5.4 mm | |
| H4 | 13.2 mm | |
| H5 | 6 mm | |
| T5 | 12 mm | |
| T6 | 10 mm | |
| h | 25 mm | |
| h1 | 12.5 mm | |
| Tol h1 | 0.5 mm | Upper tolerance |
| Tol h1 | -0.5 mm | Distance Distance |
| G2 | M10 | fixing screws |
| G2 MA | 41 Nm | maximum tightening torque |
| K1 | M8 | fixing screws |
| K1 MA | 41 Nm | maximum tightening torque 2 |
| K3 | M8 | fixing screws |
| K3 MA | 41 Nm | maximum tightening torque 2 |
| K6 | M8 | fixing screws |
| K6 MA | 24 Nm | maximum tightening torque 2 |
| d1 | 9 mm | |
| D2 | 8.6 mm | |
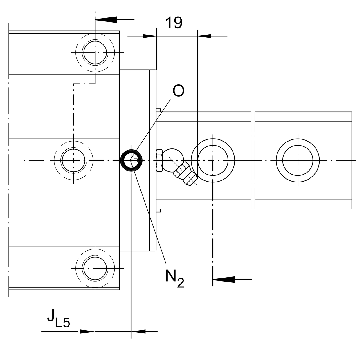
| N2 max | 4.5 mm | |
| JL5 | 12.8 mm | |
| A3 | 6.5 mm | |
| O | 4,5x1,5 | O-Ring DIN 3771 |
| Imax | 5,860 mm | Max length single piece guideway |
| H | 42 mm | height system |
| B | 90 mm | width carriage |
| L | 91.6 mm | overall length carriage 3 |
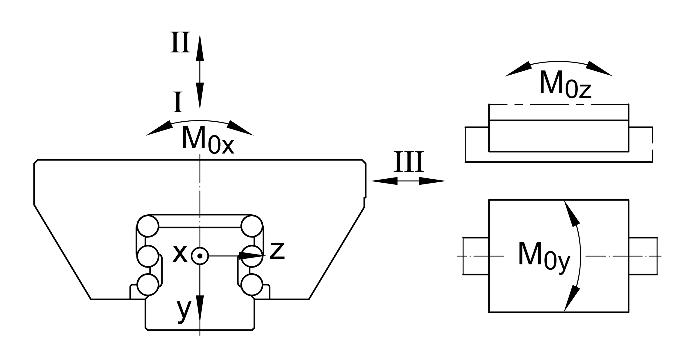
| I: C | 54,000 N | Load direction I: compressive load 4 |
| I: C0 | 108,000 N | Load direction I: compressive load 4 |
| II: C | 37,800 N | Load direction II: tensile load 4 |
| II: C0 | 60,000 N | Load direction II: tensile load 4 |
| III: C | 40,000 N | Load direction III: lateral load 4 |
| III: C0 | 62,000 N | Load direction III: lateral load 4 |
| M0x | 1,350 Nm | static moment rating about X axis |
| M0y | 800 Nm | static moment rating about Y axis |
| M0z | 710 Nm | static moment rating about Z axis |
KWSE30 | Carriage | |
TKSD30 | Guideway |
| Size code | 30 |