PRODUCTS
- Home
- Product Info
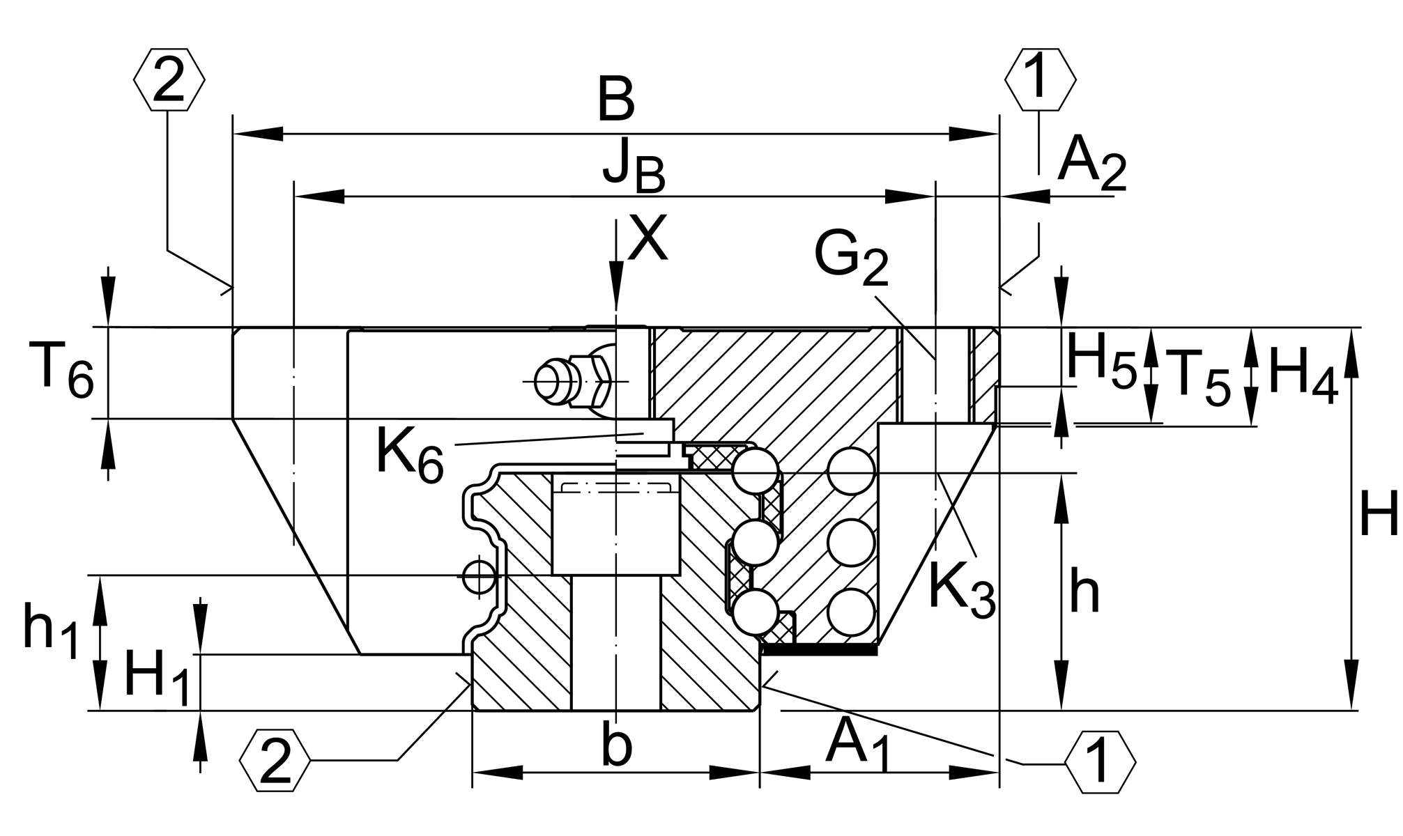
| A1 | 23.5 mm | |
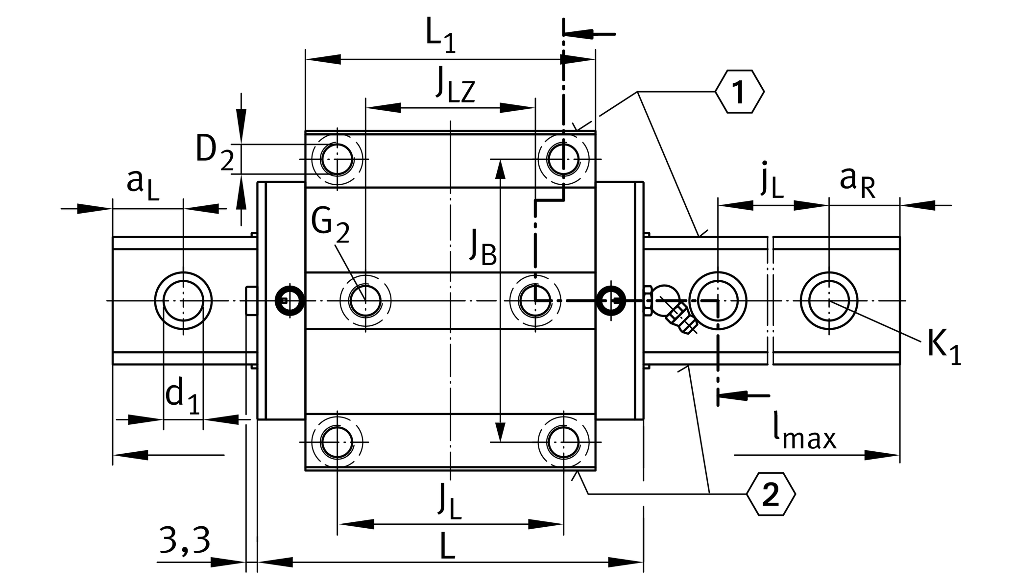
| JB | 57 mm | |
| b | 23 mm | width rail |
| Tolb | -0.005 mm | Upper tolerance |
| Tolb | -0.03 mm | Lower tolerance |
| A2 | 6.5 mm | |
| L1 | 60.9 mm | |
| JL | 45 mm | |
| JLZ | 40 mm | |
| jL | 60 mm | |
| aL min | 20 mm | 1 |
| aL max | 53 mm | 1 |
| aR min | 20 mm | 1 |
| aR max | 53 mm | 1 |
| H1 | 5.2 mm | |
| H4 | 9.8 mm | |
| H5 | 5 mm | |
| T5 | 10 mm | |
| T6 | 9.5 mm | |
| h | 21.7 mm | |
| h1 | 11.2 mm | |
| Tol h1 | 0.5 mm | Upper tolerance |
| Tol h1 | -0.5 mm | Distance Distance |
| G2 | M8 | fixing screws |
| G2 MA | 24 Nm | maximum tightening torque |
| K1 | M6 | fixing screws |
| K1 MA | 17 Nm | maximum tightening torque 2 |
| K3 | M6 | fixing screws |
| K3 MA | 17 Nm | maximum tightening torque 2 |
| K6 | M6 | fixing screws |
| K6 MA | 17 Nm | maximum tightening torque 2 |
| d1 | 6.8 mm | |
| D2 | 6.7 mm | |
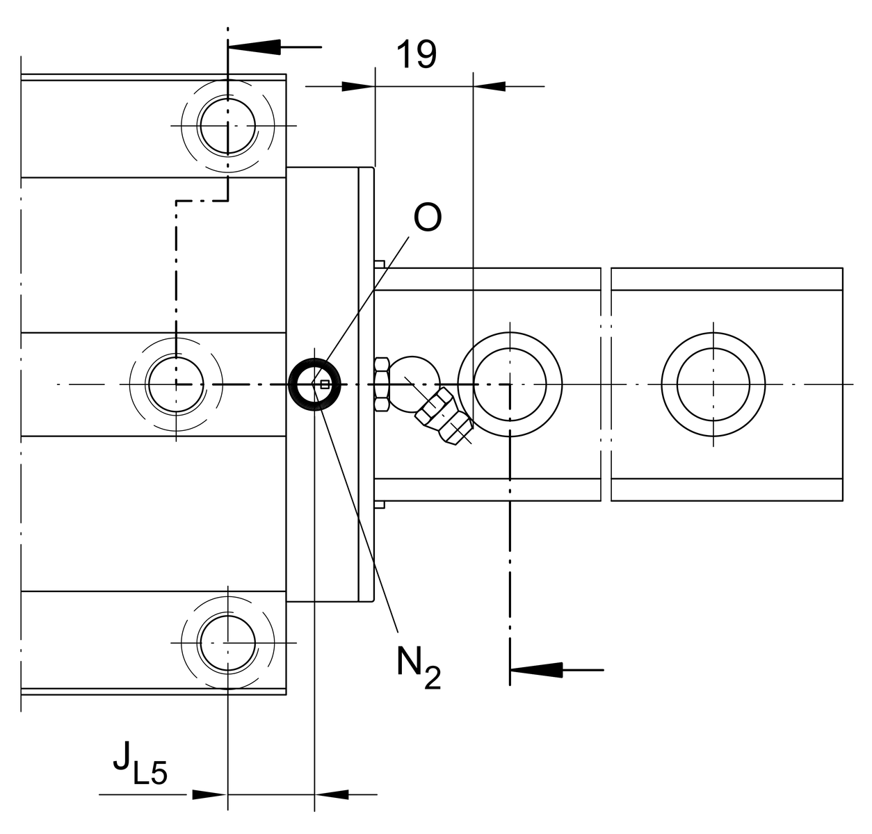
| N2 max | 3 mm | |
| JL5 | 12.94 mm | |
| A3 | 6 mm | |
| O | 3x1,5 | O-Ring DIN 3771 |
| Imax | 5,880 mm | Max length single piece guideway |
| H | 36 mm | height system |
| B | 70 mm | width carriage |
| L | 81.8 mm | overall length carriage 3 |
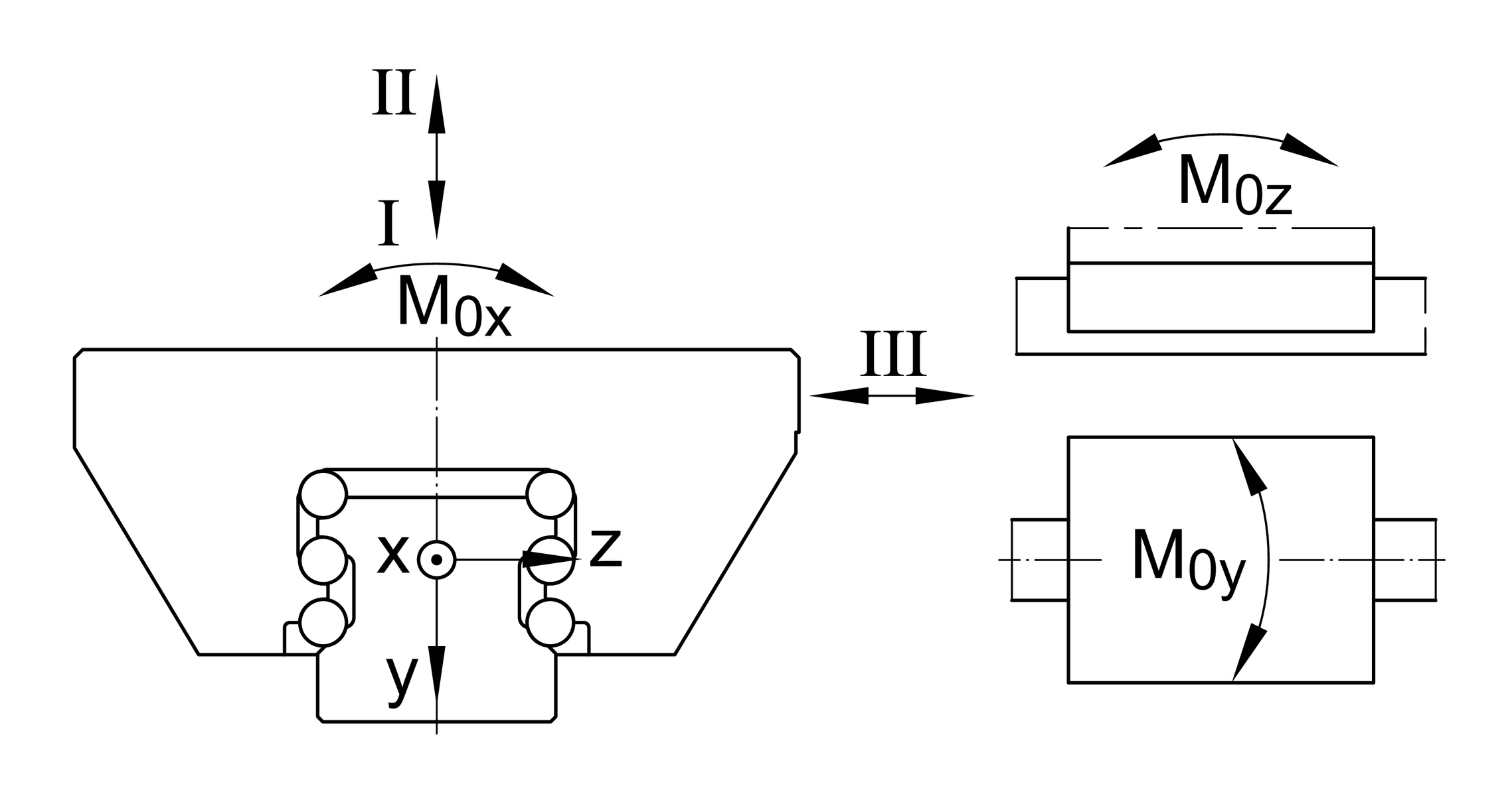
| I: C | 38,000 N | Load direction I: compressive load 4 |
| I: C0 | 81,000 N | Load direction I: compressive load 4 |
| II: C | 26,000 N | Load direction II: tensile load 4 |
| II: C0 | 45,000 N | Load direction II: tensile load 4 |
| III: C | 28,000 N | Load direction III: lateral load 4 |
| III: C0 | 47,000 N | Load direction III: lateral load 4 |
| M0x | 840 Nm | static moment rating about X axis |
| M0y | 510 Nm | static moment rating about Y axis |
| M0z | 450 Nm | static moment rating about Z axis |
KUSE25 | Carriage | |
TKSD25 | Guideway |
| Size code | 25 |