PRODUCTS
- Home
- Product Info
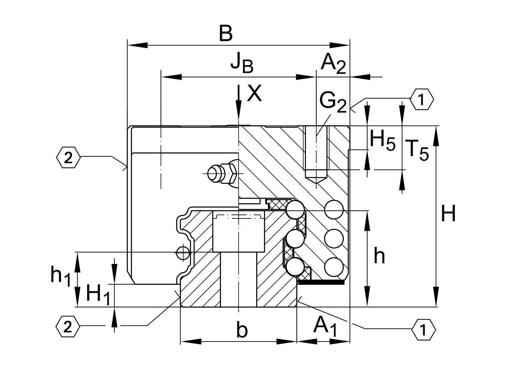
| A1 | 12 mm | |
| JB | 32 mm | |
| b | 20 mm | width rail |
| Tolb | -0.005 mm | Upper tolerance |
| Tolb | -0.03 mm | Lower tolerance |
| A2 | 6 mm | |
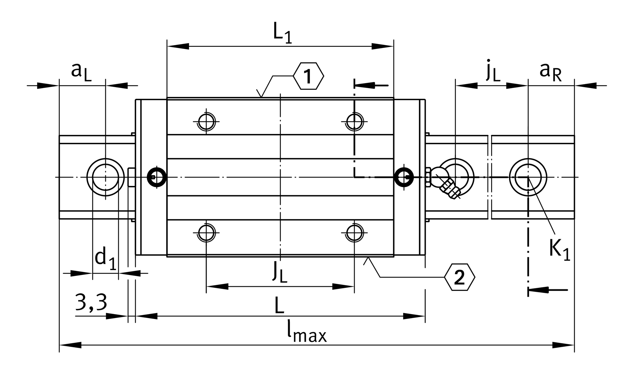
| L1 | 72.9 mm | |
| JL | 50 mm | |
| jL | 60 mm | |
| aL min | 20 mm | 1 |
| aL max | 53 mm | 1 |
| aR min | 20 mm | 1 |
| aR max | 53 mm | 1 |
| H1 | 4.6 mm | |
| H5 | 5 mm | |
| T5 | 6 mm | |
| h | 18 mm | |
| h1 | 9.6 mm | |
| Tol h1 | 0.5 mm | Upper tolerance |
| Tol h1 | -0.5 mm | Distance Distance |
| G2 | M5 | fixing screws |
| G2 MA | 10 Nm | maximum tightening torque |
| K1 | M5 | fixing screws |
| K1 MA | 10 Nm | maximum tightening torque 2 |
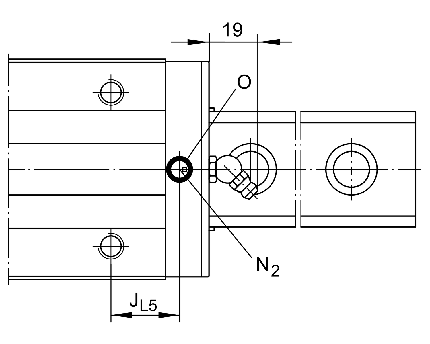
| d1 | 5.8 mm | |
| N2 max | 3 mm | |
| JL5 | 15.19 mm | |
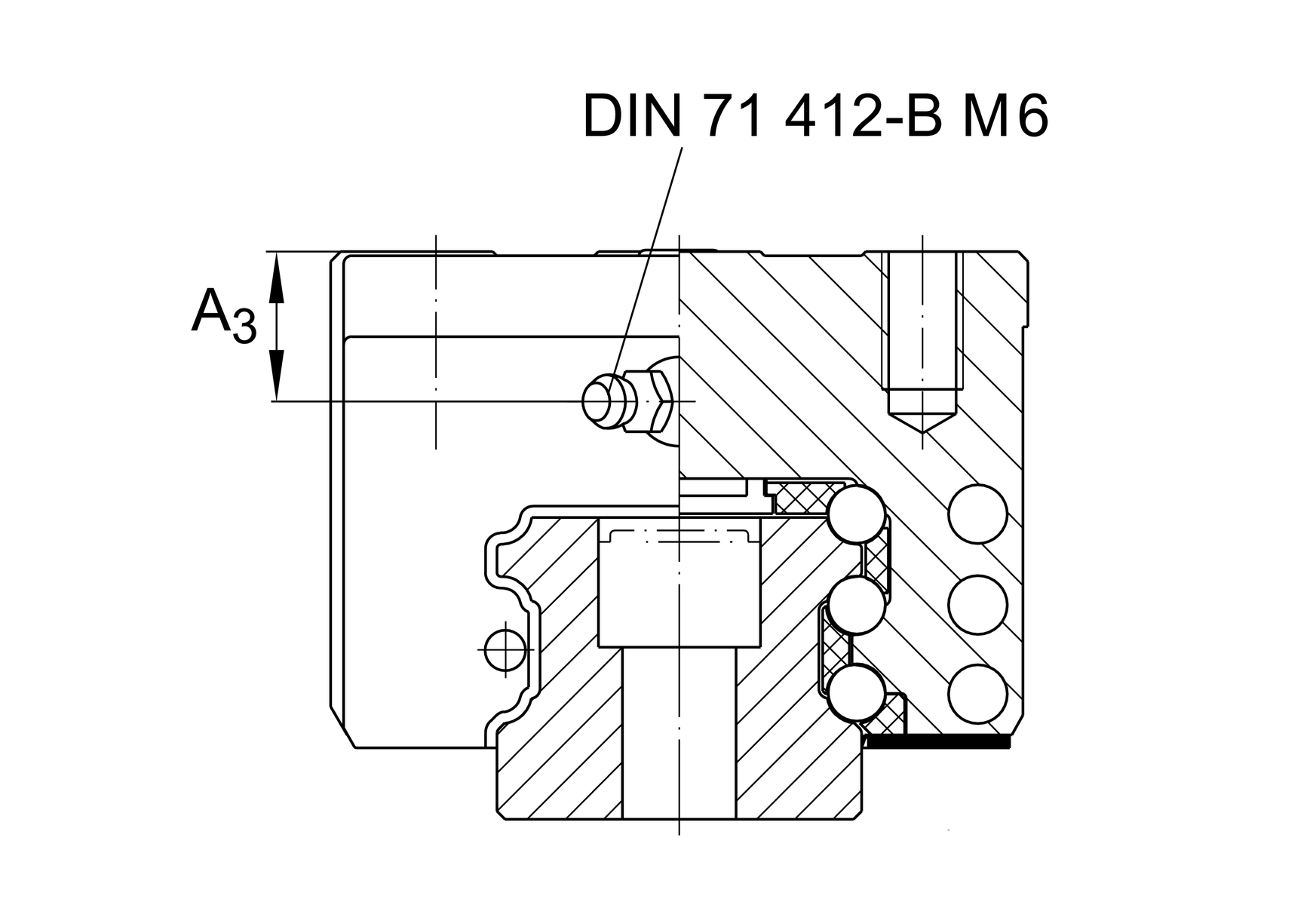
| A3 | 5.8 mm | |
| O | 3x1,5 | O-Ring DIN 3771 |
| Imax | 3,900 mm | Max length single piece guideway |
| H | 30 mm | height system |
| B | 44 mm | width carriage |
| L | 91.9 mm | overall length carriage 3 |
| I: C | 35,000 N | Load direction I: compressive load 4 |
| I: C0 | 83,000 N | Load direction I: compressive load 4 |
| II: C | 25,000 N | Load direction II: tensile load 4 |
| II: C0 | 47,000 N | Load direction II: tensile load 4 |
| III: C | 26,000 N | Load direction III: lateral load 4 |
| III: C0 | 48,000 N | Load direction III: lateral load 4 |
| M0x | 730 Nm | static moment rating about X axis |
| M0y | 640 Nm | static moment rating about Y axis |
| M0z | 570 Nm | static moment rating about Z axis |
KWSE20-HL | Carriage | |
TKSD20 | Guideway |
| Size code | 20 | |
| Carriage design | HL | High, long carriage |