PRODUCTS
- Home
- Product Info
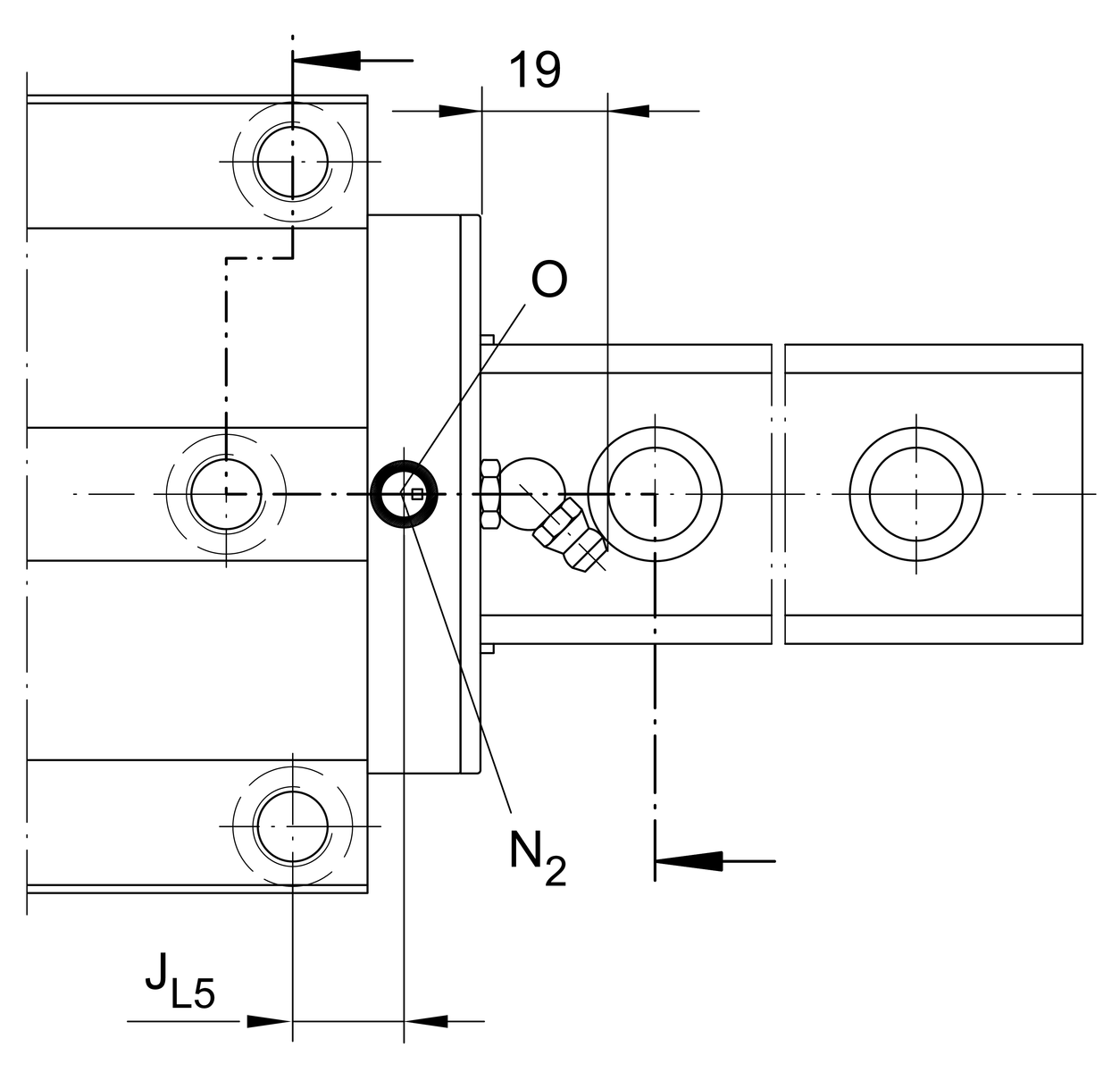
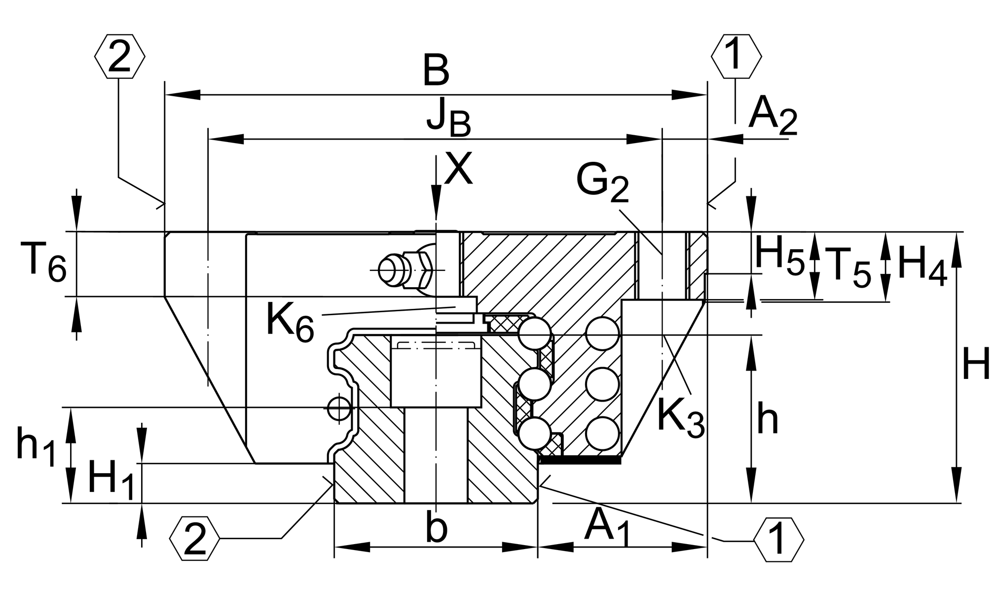
| A1 | 21.5 mm | |
| JB | 53 mm | |
| b | 20 mm | width rail |
| Tolb | -0.005 mm | Upper tolerance |
| Tolb | -0.03 mm | Lower tolerance |
| A2 | 5 mm | |
| L1 | 52.4 mm | |
| JL | 40 mm | |
| JLZ | 35 mm | |
| jL | 60 mm | |
| aL min | 20 mm | 1 |
| aL max | 53 mm | 1 |
| aR min | 20 mm | 1 |
| aR max | 53 mm | 1 |
| H1 | 4.6 mm | |
| H4 | 10.6 mm | |
| H5 | 5 mm | |
| T5 | 10 mm | |
| T6 | 7.2 mm | |
| h | 18 mm | |
| h1 | 9.6 mm | |
| Tol h1 | 0.5 mm | Upper tolerance |
| Tol h1 | -0.5 mm | Distance Distance |
| G2 | M6 | fixing screws |
| G2 MA | 10 Nm | maximum tightening torque |
| K1 | M5 | fixing screws |
| K1 MA | 10 Nm | maximum tightening torque 2 |
| K3 | M5 | fixing screws |
| K3 MA | 10 Nm | maximum tightening torque 2 |
| K6 | M5 | fixing screws |
| K6 MA | 5.8 Nm | maximum tightening torque 2 |
| d1 | 5.8 mm | |
| D2 | 5.5 mm | |
| N2 max | 3 mm | |
| JL5 | 9.95 mm | |
| A3 | 5.8 mm | |
| O | 3x1,5 | O-Ring DIN 3771 |
| Imax | 3,900 mm | Max length single piece guideway |
| H | 30 mm | height system |
| B | 63 mm | width carriage |
| L | 71.4 mm | overall length carriage 3 |
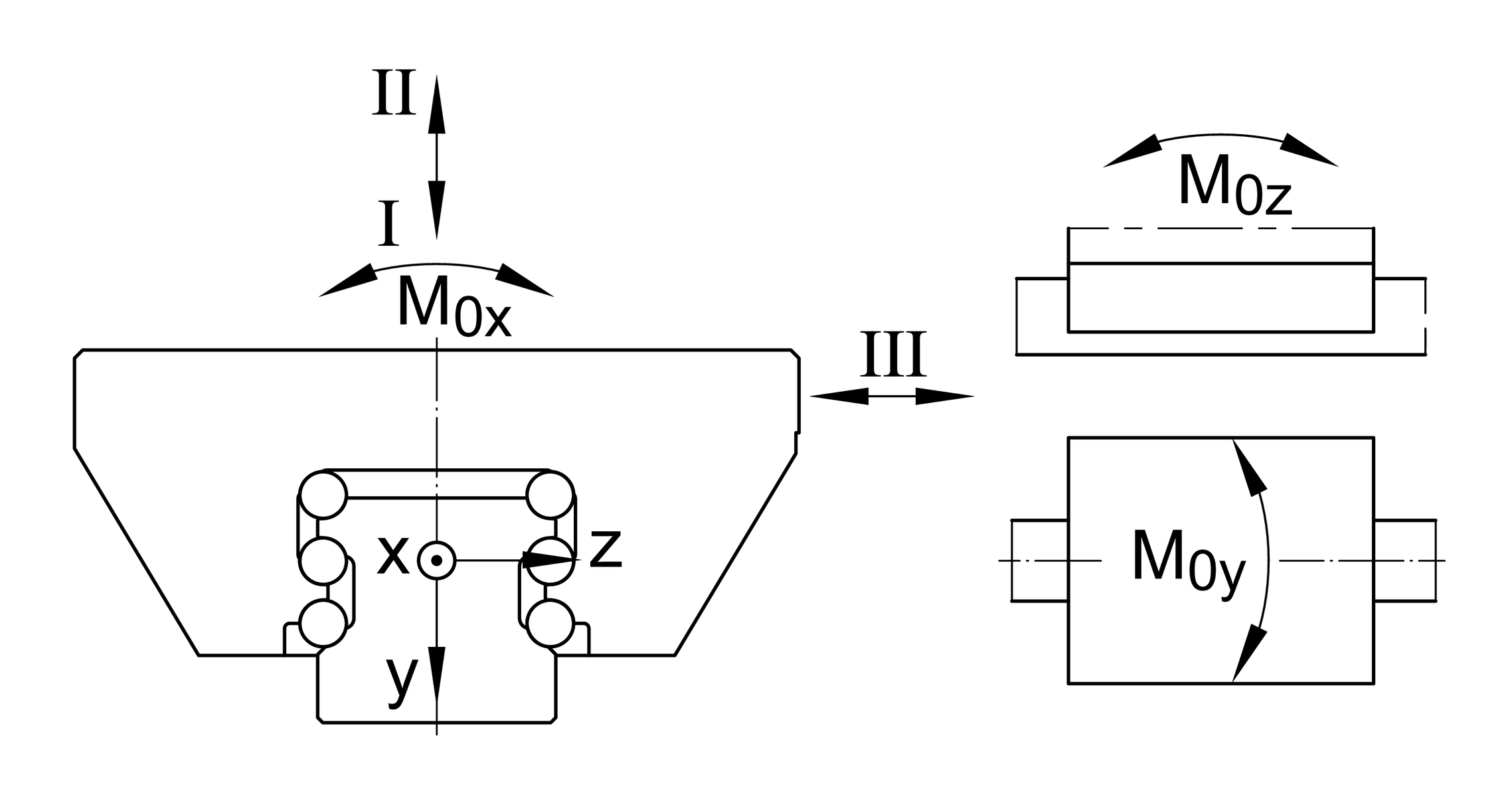
| I: C | 25,500 N | Load direction I: compressive load 4 |
| I: C0 | 61,000 N | Load direction I: compressive load 4 |
| II: C | 21,300 N | Load direction II: tensile load 4 |
| II: C0 | 35,300 N | Load direction II: tensile load 4 |
| III: C | 21,000 N | Load direction III: lateral load 4 |
| III: C0 | 35,000 N | Load direction III: lateral load 4 |
| M0x | 530 Nm | static moment rating about X axis |
| M0y | 350 Nm | static moment rating about Y axis |
| M0z | 305 Nm | static moment rating about Z axis |
KWSE20 | Carriage | |
TKSD20 | Guideway |
| Size code | 20 |