CBC Group
About Us
News
Technical Post
Product Info
Bearing Search
Contact Us
English
繁體中文
Tiếng Việt
English
繁體中文
Tiếng Việt
PRODUCTS
Home
Product Info
FAG
INA
Schaeffler
FAG
ETS619
Sealing ring ETS619
Add item
Main Dimensions & Performance Data
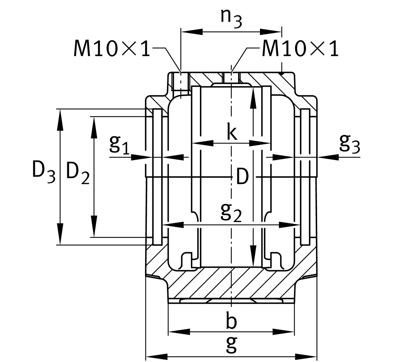
d
85
mm
Shaft diameter
d
2
85
mm
Sealing shaft diameter
D
3
157.5
mm
Outside diamater
g
157.5
mm
Overhang housing
D
2
147.5
mm
Diameter Sealingseat
≈m
2.17
kg
Weight
Add item
Previous Product
Back to List
Next Product
Sealing ring ETS619
We added your selected items
to your quotation, Thank you!
Add More Product
Browse Quotation List