PRODUCTS


INA
RSL182212-A-XL
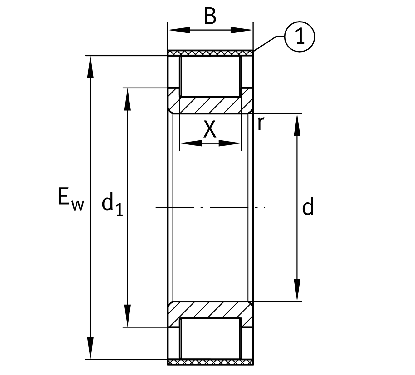
Cylindrical roller bearing RSL182212-A-XL
Add item
Main Dimensions & Performance Data
d
60 mm
Bore diameter
Ew
99.17 mm
Outer envelope circle
B
28 mm
Width
Cr
169,000 N
Basic dynamic load rating, radial
C0r
176,000 N
Basic static load rating, radial
Cur
33,000 N
Fatigue load limit, radial
nG
4,500 1/min
Limiting speed
≈m
0.745 kg
Weight

Mounting dimensions
da min
76.8 mm
Minimum diameter shaft shoulder
X
14 mm
raceway width

Dimensions
rmin
1.5 mm
Minimum chamfer dimension
d1
76.8 mm
Maximum rib diameter inner ring
TK
85.17 mm
pitch circle

Temperature range
Tmin
-30 °C
Operating temperature min.
Tmax
120 °C
Operating temperature max.

Your current product variant
Tolerance classPNNormal (PN)
Number of rolling element rows1Single-row design
Add item