PRODUCTS
- Home
- Product Info
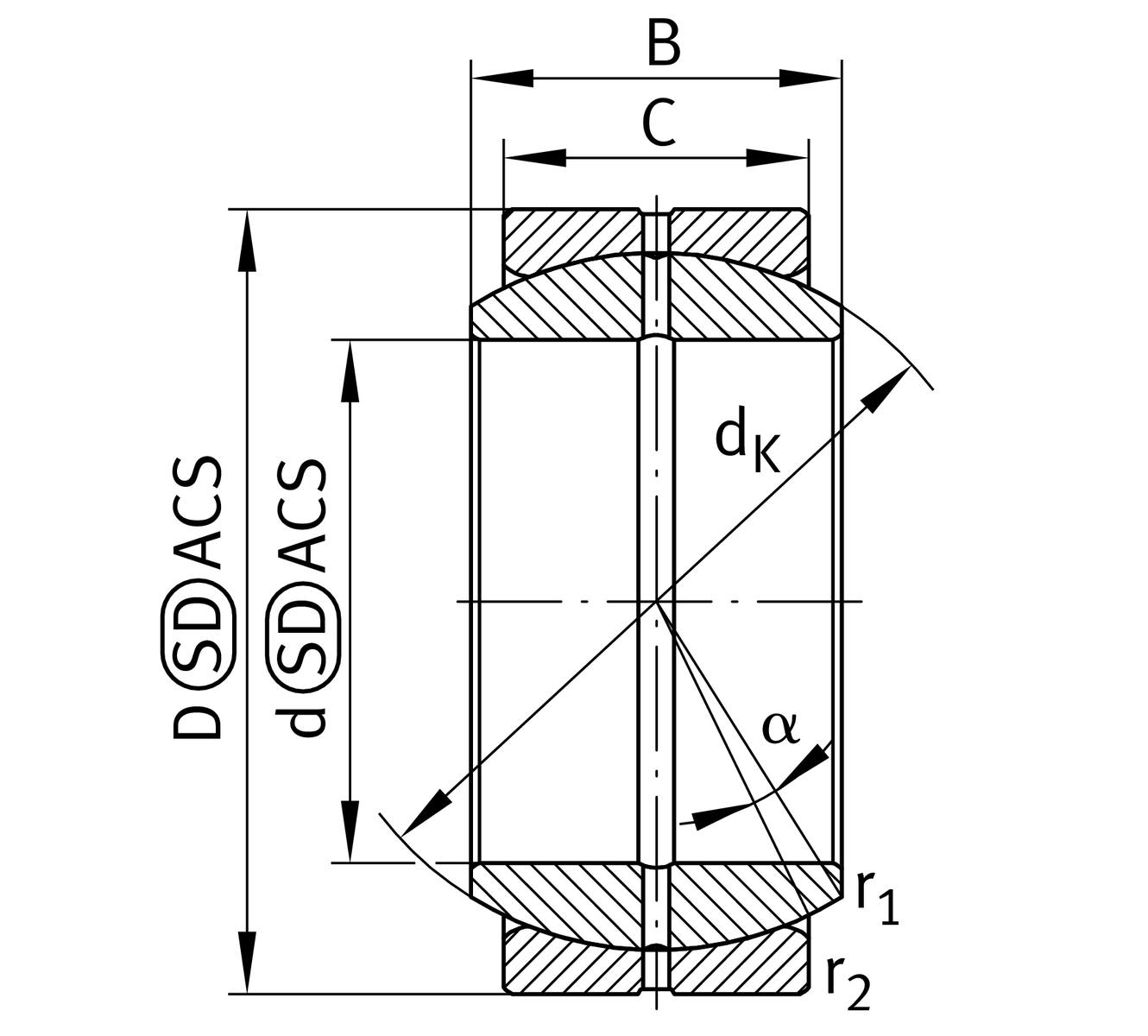
| d | 45 mm | Bore diameter bearing |
| D | 68 mm | Outside diameter bearing |
| B | 32 mm | Width Inner ring |
| Cr | 164,000 N | Basic dynamic load rating, radial |
| C0r | 630,000 N | Basic static load rating, radial |
| ≈m | 0.38 kg | Weight |
| r1smin | 0.6 mm | Edge Spacing |
| r2smin | 1 mm | Edge Spacing |
| da max | 50.7 mm | Connection measure Inner ring |
| Da min | 57 mm | Housing Connection Diameter |
| C | 25 mm | Width Outer ring |
| dK | 60 mm | Ball diameter |
| α | 7 ° | Tilt angle |
| dOT | 0 mm | Bore diameter bearing, upper tolerance |
| dUT | -0.012 mm | Bore diameter bearing, lower tolerance |
| DOT | 0 mm | Outside diameter, upper tolerance |
| DUT | -0.013 mm | Outside diameter, lower tolerance |
| BOT | 0 mm | Width inner ring, upper tolerance |
| Gr | 0,015 - 0,06 | Radial Clearance |
| BUT | -0.12 mm | Width inner ring, lower tolerance |
| COT | 0 mm | Width outer ring, upper tolerance |
| CUT | -0.3 mm | Width outer ring, lower tolerance |
| Tmin | -60 °C | Operating temperature min. |
| Tmax | 200 °C | Operating temperature max. |
| Sealing | Without | |
| Radial internal clearance | C2 (Group 2) | Internal clearance smaller than CN |