PRODUCTS
- Home
- Product Info
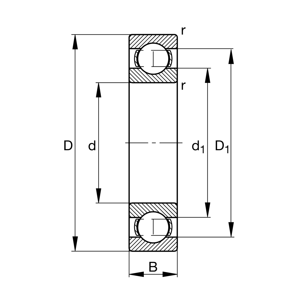
| d | 40 mm | Bore diameter |
| D | 80 mm | Outside diameter |
| B | 18 mm | Width |
| Cr | 31,000 N | Basic dynamic load rating, radial |
| C0r | 17,800 N | Basic static load rating, radial |
| Cur | 1,080 N | Fatigue load limit, radial |
| nG | 12,300 1/min | Limiting speed |
| nϑr | 9,300 1/min | Reference speed |
| ≈m | 341 g | Weight |
| da min | 47 mm | Minimum diameter shaft shoulder |
| Da max | 73 mm | Maximum diameter of housing shoulder |
| ra max | 1 mm | Maximum fillet radius |
| rmin | 1.1 mm | Minimum chamfer dimension |
| D1 | 67.6 mm | Shoulder diameter outer ring |
| D2 | 70.36 mm | Caliber diameter outer ring |
| d1 | 52.95 mm | Shoulder diameter inner ring |
| Tmin | -30 °C | Operating temperature min. |
| Tmax | 120 °C | Operating temperature max. |
| f0 | 14 | Calculation factor |
| Version code | >A | Not marked on bearing |
| Sealing | Without | Not sealed |
| Cage | JN | steel sheet metal |
| Tolerance class | PN | Normal (PN) |
| Dimensional / heat stabilization | SN | Rings dimensional stabilized up to 120° |
| Lubricant | Without | Bearing not greased |
| Bore type | Z | Cylindrical |
| Radial internal clearance | CN (Group N) | Normal internal clearance |