PRODUCTS
- Home
- Product Info
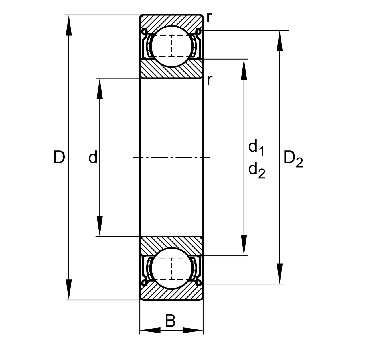
| d | 45 mm | Bore diameter |
| D | 100 mm | Outside diameter |
| B | 25 mm | Width |
| Cr | 56,000 N | Basic dynamic load rating, radial |
| C0r | 31,500 N | Basic static load rating, radial |
| Cur | 2,240 N | Fatigue load limit, radial |
| nG | 8,100 1/min | Limiting speed |
| nϑr | 8,200 1/min | Reference speed |
| ≈m | 0.88 kg | Weight |
| da min | 54 mm | Minimum diameter shaft shoulder |
| Da max | 91 mm | Maximum diameter of housing shoulder |
| ra max | 1.5 mm | Maximum fillet radius |
| rmin | 1.5 mm | Minimum chamfer dimension |
| D1 | 83.3 mm | Shoulder diameter outer ring |
| D2 | 85.64 mm | Caliber diameter outer ring |
| d1 | 62 mm | Shoulder diameter inner ring |
| Tmin | -20 °C | Operating temperature min. |
| Tmax | 150 °C | Operating temperature max. |
| f0 | 12.9 | Calculation factor |
| Sealing | 2Z | Non-contact shield on both sides |
| Cage | JN | steel sheet metal |
| Tolerance class | PN | Normal (PN) |
| Dimensional / heat stabilization | S0 | Rings dimensional stabilized up to 150° |
| Lubricant | L038 | Grease (L038/customer specific) |
| Bore type | Z | Cylindrical |
| Radial internal clearance | C4 (Group 4) | Internal clearance larger than C3 |