PRODUCTS
- Home
- Product Info
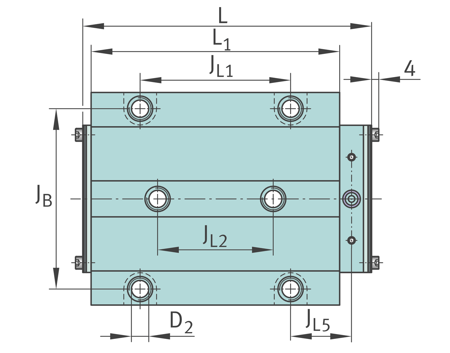
| H | 70 mm | Height sytem |
| B | 138 mm | Width clamping element |
| L | 186.3 mm | Length of clamping element |
| ≈m | 6.96 kg | Weight |
| JB | 116 mm | Hole pattern width |
| L1 | 163 mm | Length saddle plate |
| JL1 | 95 mm | Hole pattern lengthwise |
| JL2 | 70 mm | Hole pattern centre |
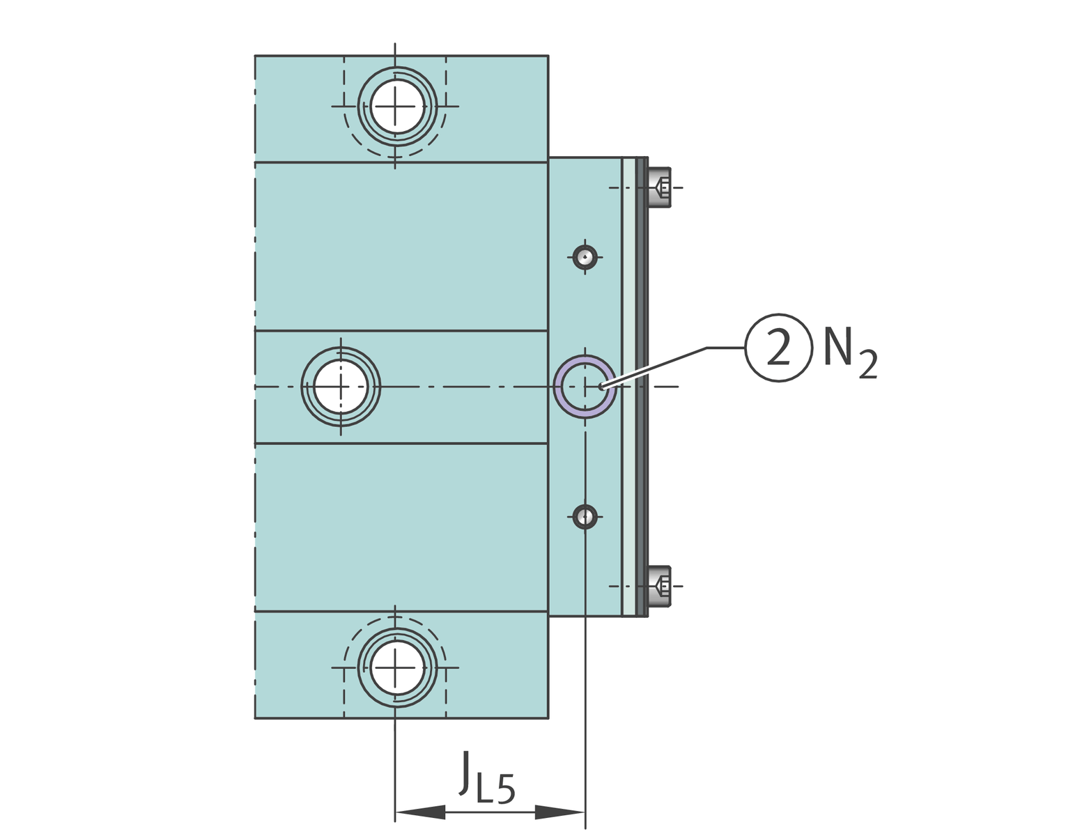
| JL5 | 40.5 mm | Distance |
| N2 max | 6 mm | Max diameter lubrication hole adjacent constr |
| H1 | 11 mm | Space (system) |
| H3 | 32 mm | |
| T7 | 18 mm | Depth thread |
| G2 | M14 | Size thread above for DIN ISO 4762-12.9 |
| M G2 | 140 Nm | Tightening torque above 1 |
| K3 | M12 | Size thread below for DIN ISO 4762-12.9 |
| M K3 | 140 Nm | Tightening torque below |
| D2 | 12.5 mm | Through-bore |
TSX55-E; TSX55-F | Suitable guideway | |
RUE55-E; RUE55-F | Suitable system |
| Size code | 55 | |
| Version | D | |
| Internal design | A | |
| Oil connector | SO | Oil feed from above |