PRODUCTS
- Home
- Product Info
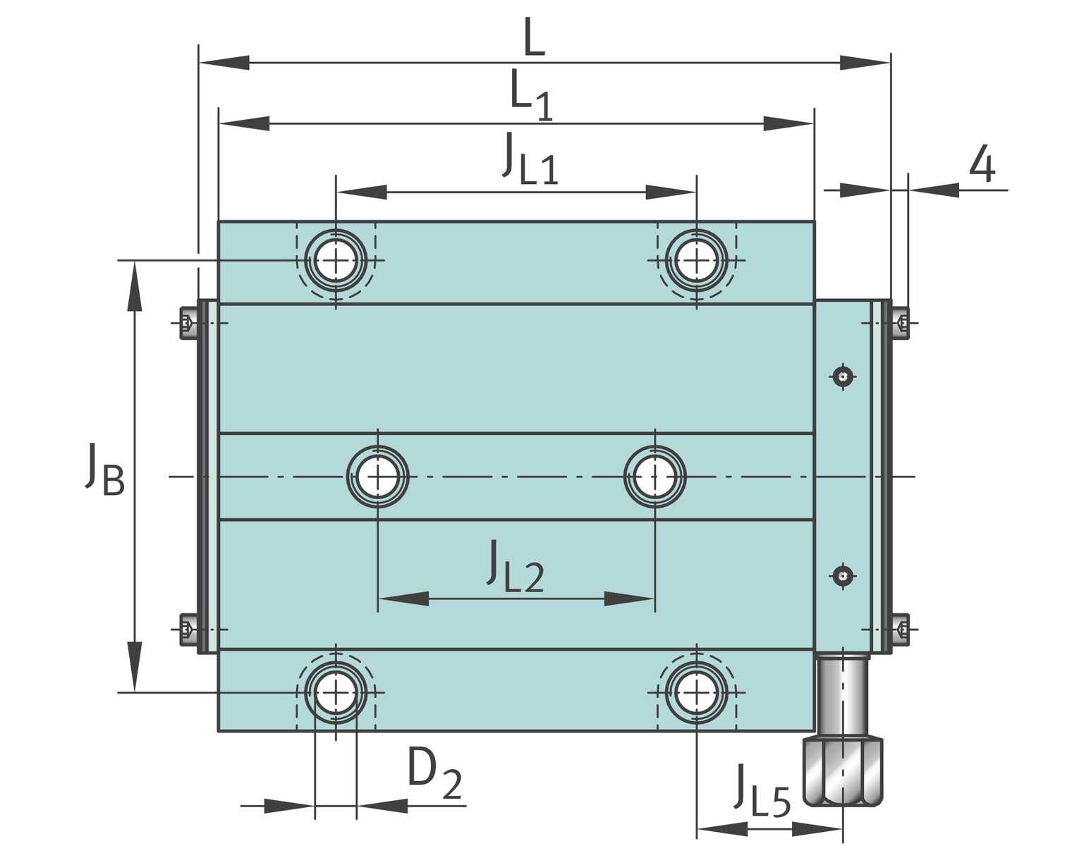
| H | 60 mm | Height sytem |
| B | 118 mm | Width clamping element |
| L | 156.6 mm | Length of clamping element |
| ≈m | 4.29 kg | Weight |
| JB | 60 mm | Hole pattern width |
| A3 | 22 mm | Mounting dimension oil connector |
| L1 | 134 mm | Length saddle plate |
| JL1 | 80 mm | Hole pattern lengthwise |
| JL2 | 60 mm | Hole pattern centre |
| JL5 | 33.5 mm | Distance |
| N2 max | 6 mm | Max diameter lubrication hole adjacent constr |
| H1 | 8.7 mm | Space (system) |
| H3 | 27 mm | |
| T7 | 15 mm | Depth thread |
| H9 | 15.8 mm | |
| G2 | M12 | Size thread above for DIN ISO 4762-12.9 |
| M G2 | 83 Nm | Tightening torque above 1 |
| K3 | M10 | Size thread below for DIN ISO 4762-12.9 |
| M K3 | 83 Nm | Tightening torque below |
| D2 | 10.6 mm | Through-bore |
TSX45-E; TSX45-F | Suitable guideway | |
RUE45-E; RUE45-F | Suitable system |
| Size code | 45 | |
| Version | D | |
| Internal design | A | |
| Oil connector | SR | Oil connector on side |