PRODUCTS


FAG
52238-MP
Axial deep groove ball bearing 52238-MP
Add item
Main Dimensions & Performance Data
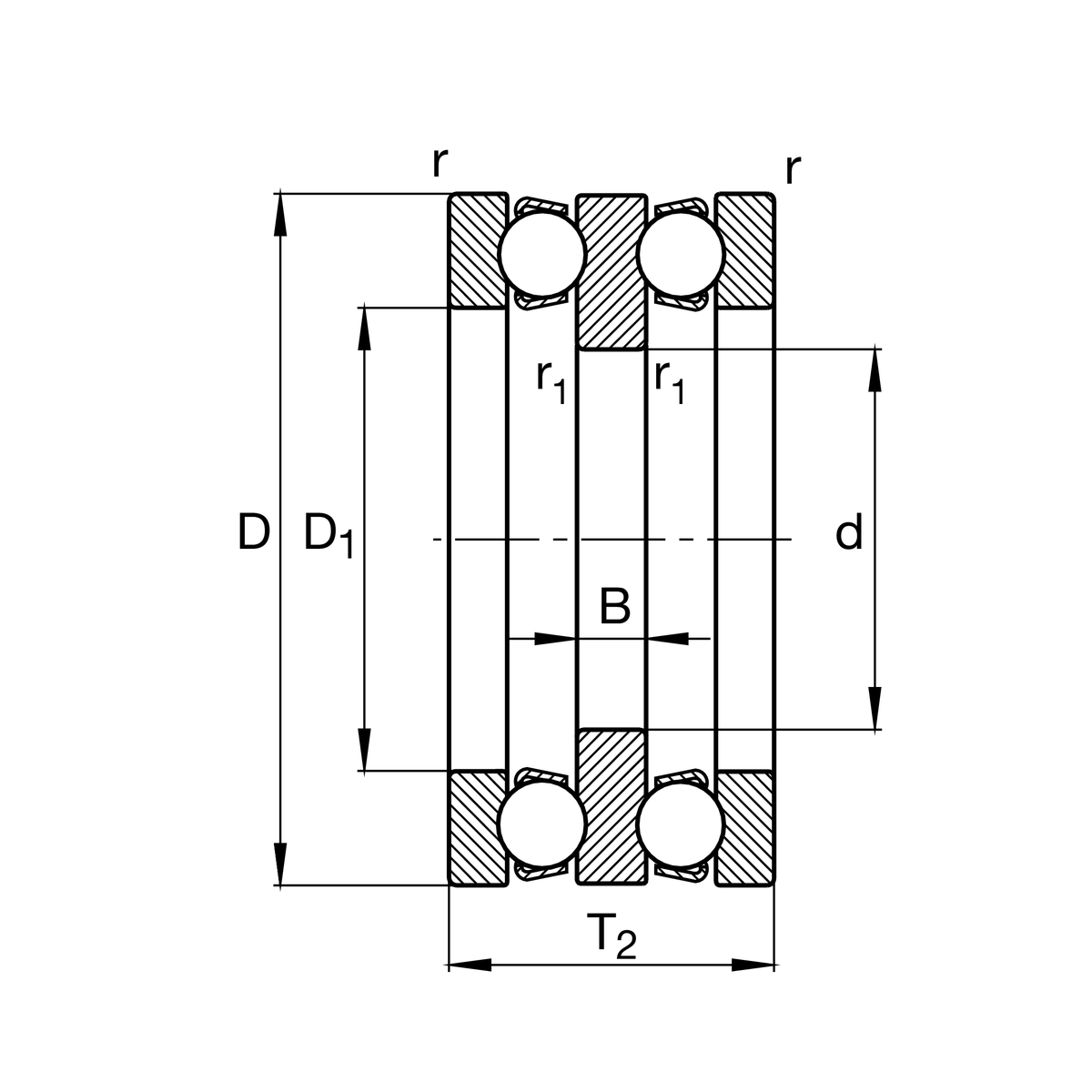
d
160 mm
Inner diameter shaft washer
D
270 mm
Outer diameter housing washer
T2
109 mm
Height
Ca
335,000 N
Basic dynamic load rating, axial
C0a
1,170,000 N
Basic static load rating, axial
Cua
35,500 N
Fatigue load limit, axial
nG
1,540 1/min
Limiting speed
nϑr
1,990 1/min
Reference speed
≈m
22.1 kg
Weight

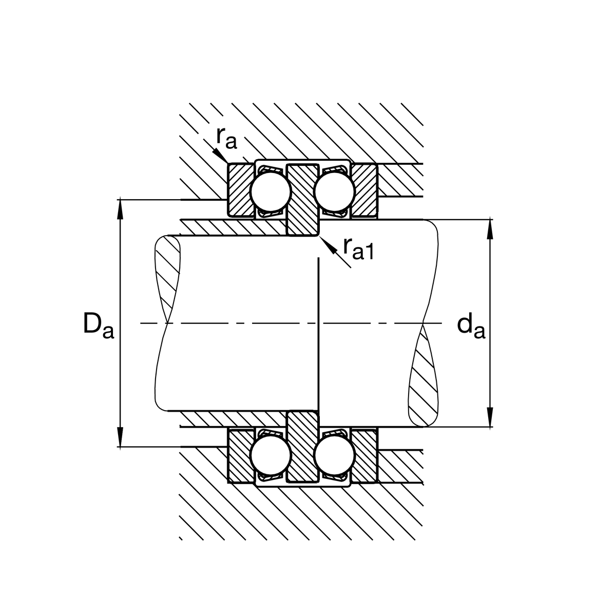
Mounting dimensions
da max
190 mm
Maximum diameter shaft shoulder
Da max
222 mm
Maximum diameter of housing shoulder
ra max
2 mm
Maximum filled radius
ra1 max
2 mm
Maximum filled radius

Dimensions
D1
194 mm
Inner diameter housing washer
B
24 mm
Height shaft washer
rmin
2 mm
Minimum chamfer dimension
r1 min
2 mm
Minimum chamfer dimension

Temperature range
Tmin
-30 °C
Operating temperature min.
Tmax
200 °C
Operating temperature max.

Calculation factors
A
7.2
Minimum load factor

Your current product variant
CageMPsolid brass cage, rolling element guided
Tolerance classPNNormal (PN)
Add item