PRODUCTS
- Home
- Product Info
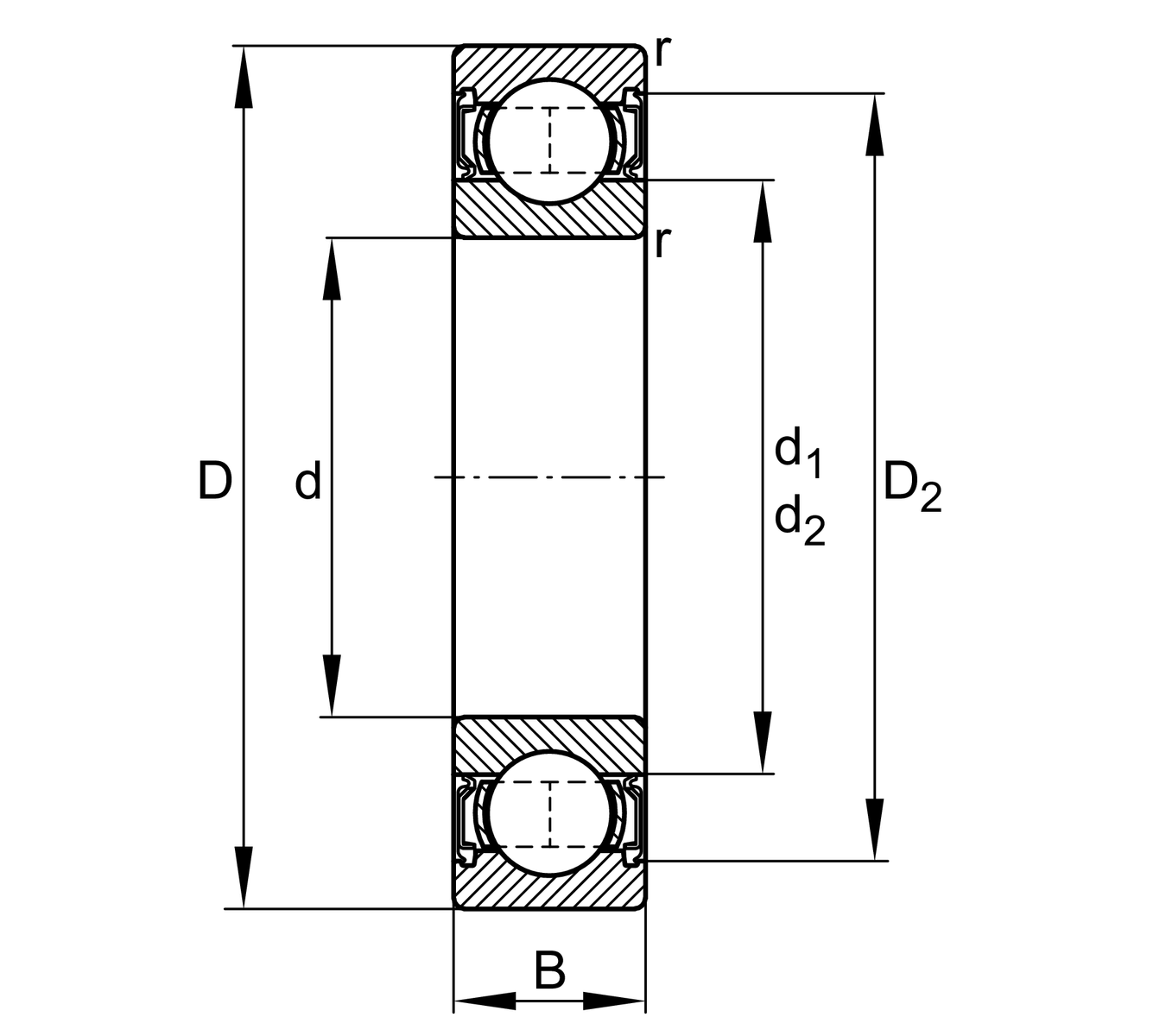
| d | 35 mm | Bore diameter |
| D | 72 mm | Outside diameter |
| B | 17 mm | Width |
| Cr | 27,500 N | Basic dynamic load rating, radial |
| C0r | 15,300 N | Basic static load rating, radial |
| Cur | 950 N | Fatigue load limit, radial |
| nG | 5,700 1/min | Limiting speed |
| ≈m | 285 g | Weight |
| da min | 42 mm | Minimum diameter shaft shoulder |
| Da max | 65 mm | Maximum diameter of housing shoulder |
| ra max | 1 mm | Maximum fillet radius |
| rmin | 1.1 mm | Minimum chamfer dimension |
| D1 | 60.66 mm | Shoulder diameter outer ring |
| D2 | 63.34 mm | Caliber diameter outer ring |
| d1 | 47.2 mm | Shoulder diameter inner ring |
| Tmin | -20 °C | Operating temperature min. |
| Tmax | 100 °C | Operating temperature max. |
| f0 | 13.8 | Calculation factor |
| Sealing | 2RSR | Contact seal on both sides |
| Cage | JN | steel sheet metal |
| Tolerance class | PN | Normal (PN) |
| Dimensional / heat stabilization | SN | Rings dimensional stabilized up to 120° |
| Lubricant | GA13 | Ball bearing and insert bearing grease, standard for D>62mm |
| Bore type | Z | Cylindrical |
| Radial internal clearance | C3 (Group 3) | Internal clearance larger than CN |