PRODUCTS
- Home
- Product Info
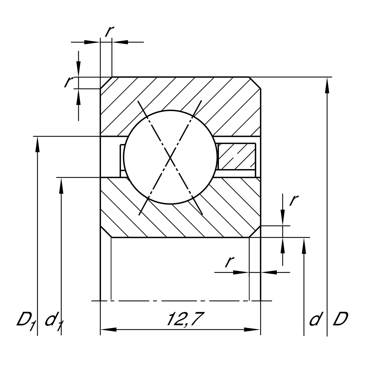
| d | 114.3 mm | Bore diameter |
| D | 139.7 mm | Outside diameter |
| B | 12.7 mm | Width |
| Cr | 17,200 N | Basic dynamic load rating, radial |
| C0r | 23,300 N | Basic static load rating, radial |
| nG | 2,650 1/min | Limiting speed |
| ≈m | 400 g | Weight |
| rmin | 1.5 mm | Minimum chamfer dimension |
| d1 | 123.7 mm | Shoulder diameter inner ring |
| D1 | 130.3 mm | Shoulder diameter outer ring |
| α | 30 ° | Contact angle |
| Tmin | -30 °C | Operating temperature min. |
| Tmax | 120 °C | Operating temperature max. |
| Logistical code | HLE | - |
| Sealing | Without | Not sealed |
| Cage | YH | brass sheet metal |
| Tolerance class | PL1 | Class PL1, Normal |
| Lubricant | Without | Bearing not greased |
| Radial internal clearance | PL1 | Class PL1, Normal |