PRODUCTS


FAG
52206
Axial deep groove ball bearing 52206
Add item
Main Dimensions & Performance Data
d
25 mm
Inner diameter shaft washer
D
52 mm
Outer diameter housing washer
T2
29 mm
Height
Ca
23,900 N
Basic dynamic load rating, axial
C0a
46,000 N
Basic static load rating, axial
Cua
2,100 N
Fatigue load limit, axial
nG
7,300 1/min
Limiting speed
nϑr
8,200 1/min
Reference speed
≈m
0.249 kg
Weight

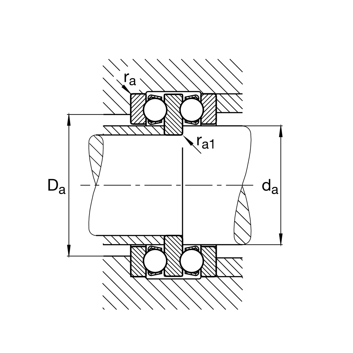
Mounting dimensions
da max
30 mm
Maximum diameter shaft shoulder
Da max
39 mm
Maximum diameter of housing shoulder
ra max
0.6 mm
Maximum filled radius
ra1 max
0.3 mm
Maximum filled radius

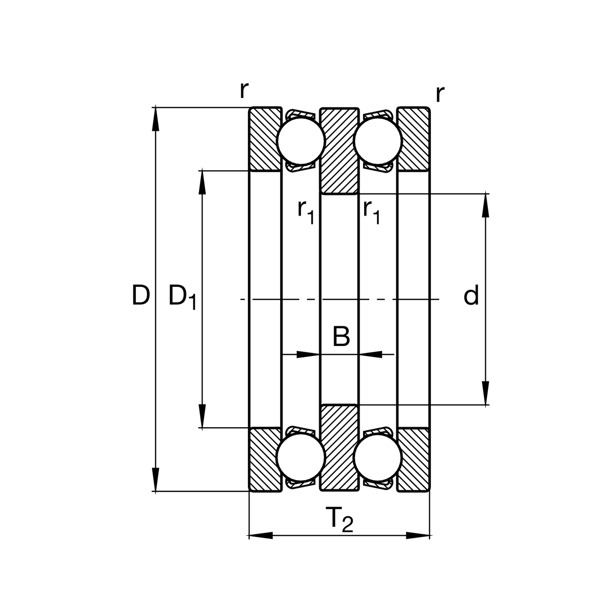
Dimensions
D1
32 mm
Inner diameter housing washer
B
7 mm
Height shaft washer
rmin
0.6 mm
Minimum chamfer dimension
r1 min
0.3 mm
Minimum chamfer dimension

Temperature range
Tmin
-30 °C
Operating temperature min.
Tmax
150 °C
Operating temperature max.

Calculation factors
A
0.014
Minimum load factor

Your current product variant
CageJPsteel sheet metal
Tolerance classPNNormal (PN)
Add item