PRODUCTS
- Home
- Product Info
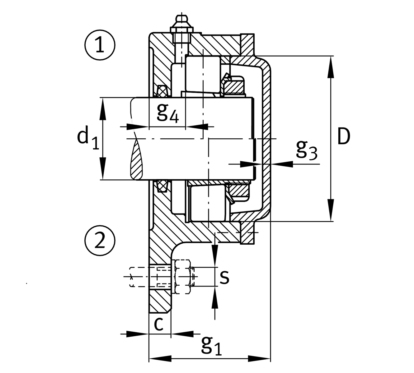
| d1 | 100 mm | Shaft diameter |
| a | 270 mm | Flange width |
| h1 | 270 mm | height flange |
| g2 | 128 mm | Total width with lid g2 |
4 | number of fastening holes | |
| ≈m | 22 kg | Weight |
M10x1 | Connection thread for lubrication | |
| c | 30 mm | thickness of flange |
| D | 200 mm | outside diameter bearing |
| g4 | 30 mm | distance flange to bearing seat |
| h | 135 mm | distance shaft axis |
| m | 310 mm | pich circle diameter fixing holes |
| s | M20 | size of fixing screws |