PRODUCTS


FAG
52222
Axial deep groove ball bearing 52222
Add item
Main Dimensions & Performance Data
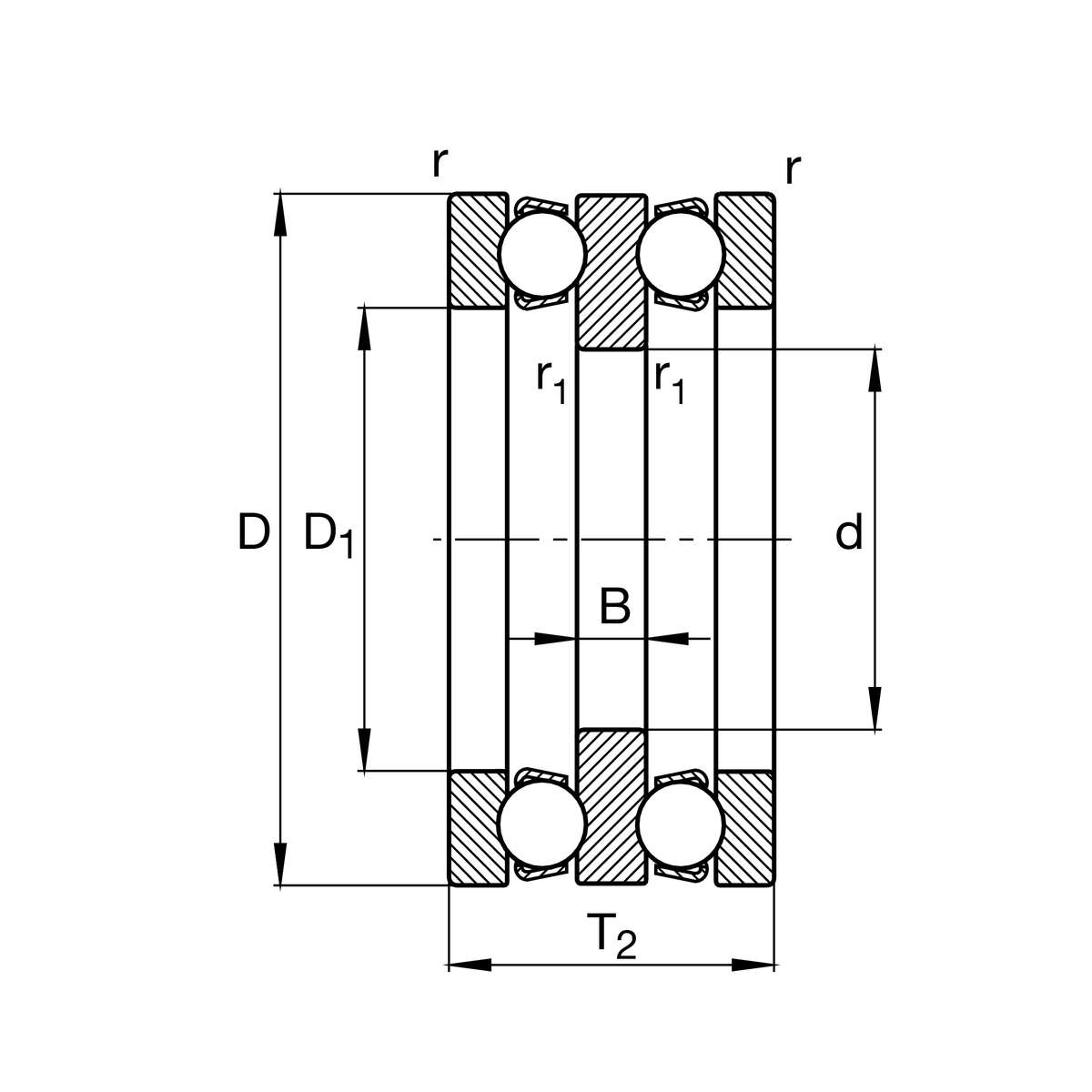
d
95 mm
Inner diameter shaft washer
D
160 mm
Outer diameter housing washer
T2
67 mm
Height
Ca
126,000 N
Basic dynamic load rating, axial
C0a
365,000 N
Basic static load rating, axial
Cua
14,400 N
Fatigue load limit, axial
nG
2,650 1/min
Limiting speed
nϑr
3,250 1/min
Reference speed
≈m
4.216 kg
Weight

Mounting dimensions
da max
110 mm
Maximum diameter shaft shoulder
Da max
130 mm
Maximum diameter of housing shoulder
ra max
1 mm
Maximum filled radius
ra1 max
1 mm
Maximum filled radius

Dimensions
D1
113 mm
Inner diameter housing washer
B
15 mm
Height shaft washer
rmin
1.1 mm
Minimum chamfer dimension
r1 min
1 mm
Minimum chamfer dimension

Temperature range
Tmin
-30 °C
Operating temperature min.
Tmax
150 °C
Operating temperature max.

Calculation factors
A
0.83
Minimum load factor

Your current product variant
CageJPsteel sheet metal
Tolerance classPNNormal (PN)
Add item