PRODUCTS
- Home
- Product Info
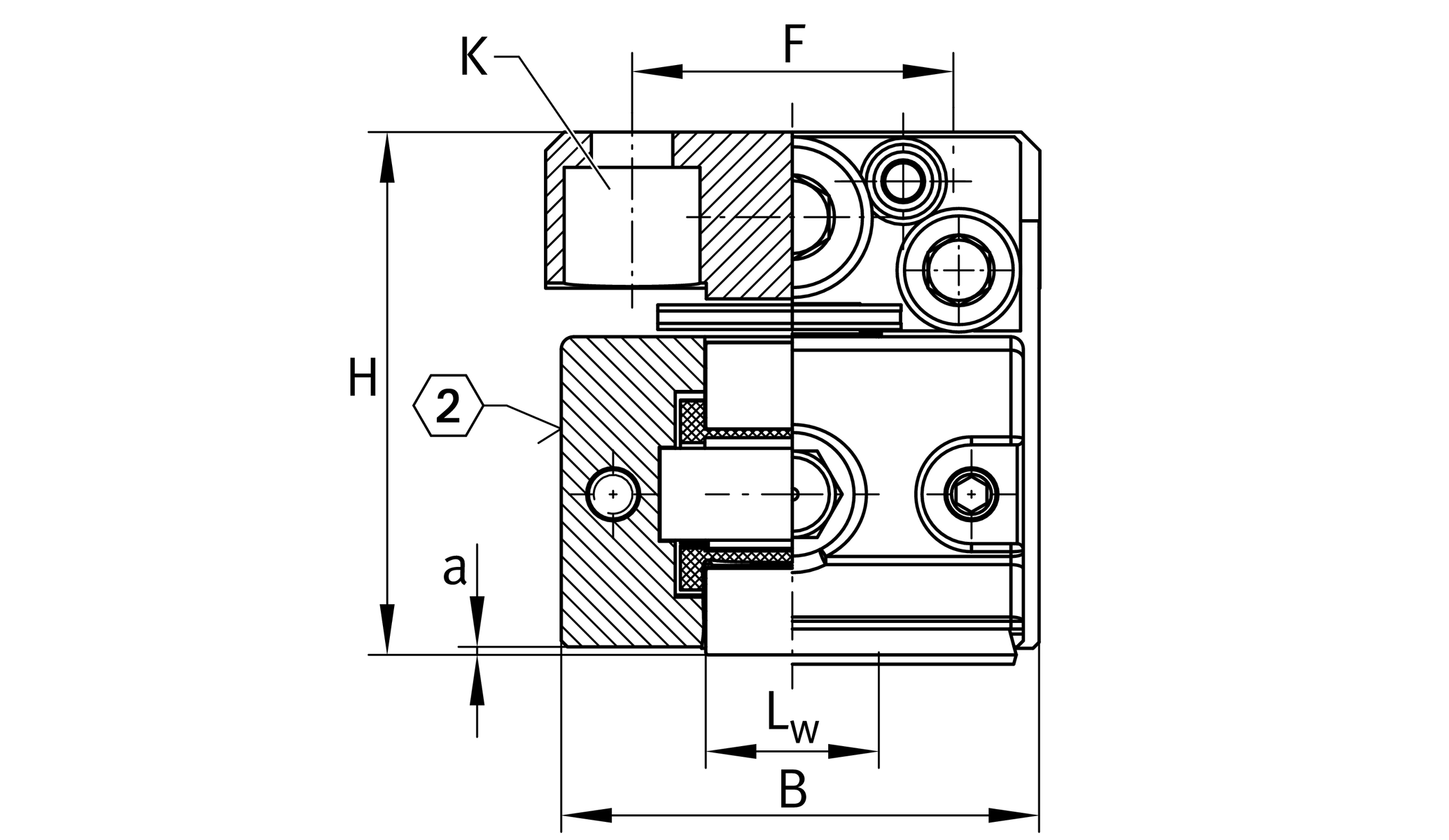
| L | 117 mm | Length total |
| B | 27 mm | Width |
| H | 30 mm | Height |
| C | 68,000 N | Basic dynamic load capacity |
| C0 | 123,000 N | Basic static load capacity |
| ≈m | 0.53 kg | Weight |
| L | 105 mm | |
| L1 | 111 mm | |
| L3 | 78.5 mm | |
| L4 | 79 mm | |
| a | 0.3 mm | |
| LW | 10 mm | |
| C | 5 mm | |
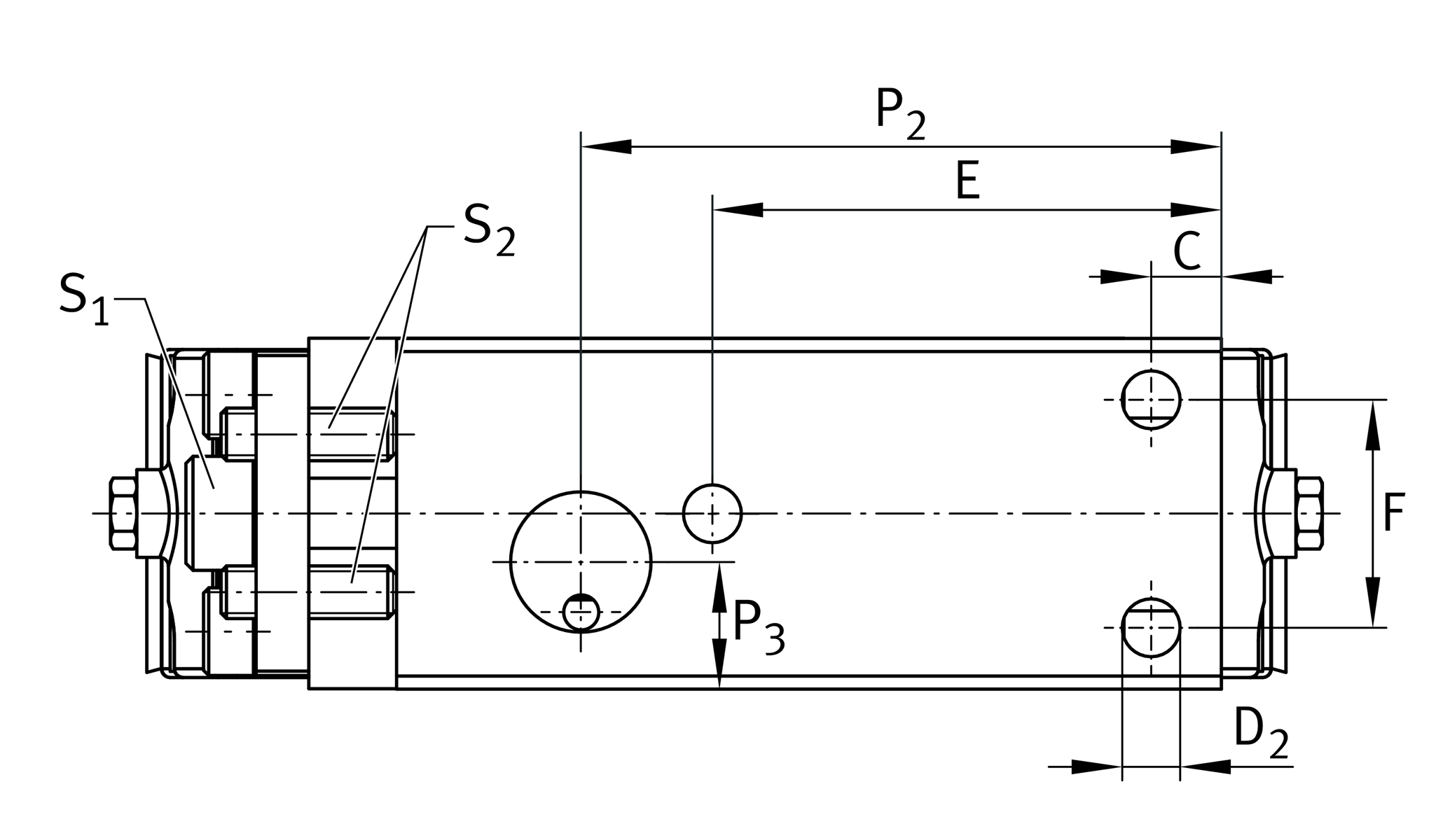
| E | 45 mm | Mounting dimension |
| F | 19 mm | |
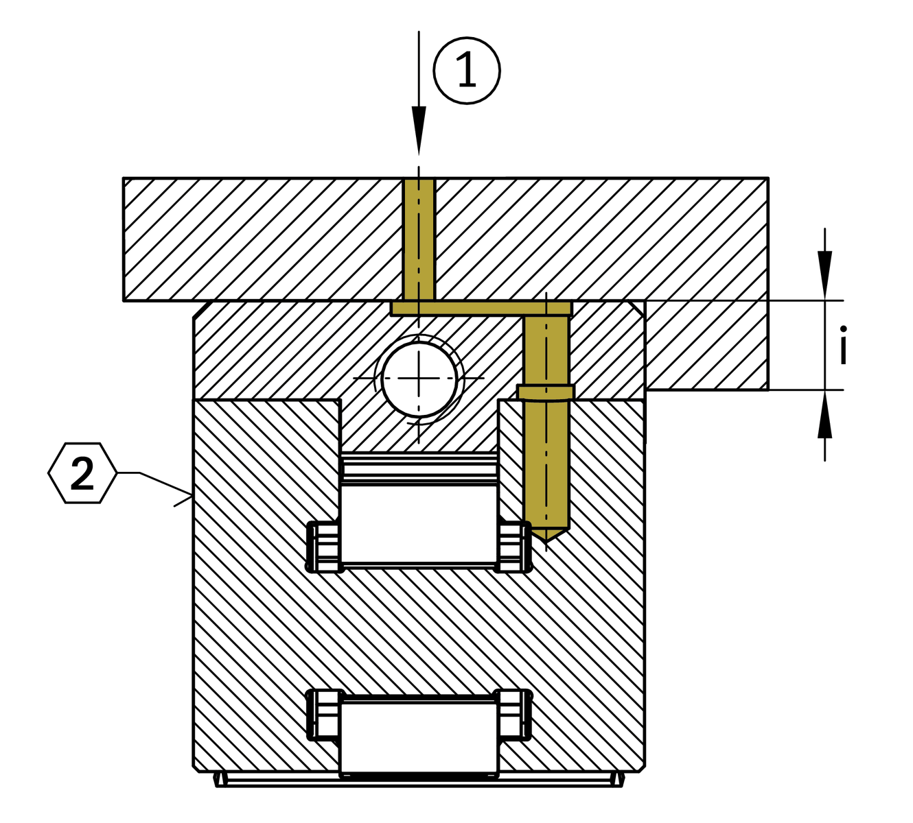
| i | 4 mm | Mounting dimension |
| P1 | 21 mm | |
| d1 | 12 mm | |
| P2 | 53 mm | |
| P3 | 9 mm | |
| d | 2.5 mm | |
| K | M6 | Lubrication connector DIN3405-A |
| S1 | 3 mm | Hexagon socket adjusting screw 1 |
| S2 | 2 mm | Hexagon socket counter forcing screw 1 |
| K | M4 | Size thread k DIN |
| K MA | 5 Nm | Tightening torque fixing screws 2 |
| D2 | 4.5 mm | |
| Amax | 7 mm | Screw stroke A |
| Delta hmax | 0.37 mm | Adjustment maximum |
0.023 mm | Adjustment screw revolution |
UG6628, UGN6628, UZ6628, UZN6628, UFK3210, UFB4710 | suitable Guide Rails |
| Size code | 30105 | |
| Suffix | KS | with end face lubrication connectors |