PRODUCTS


FAG
52305
Axial deep groove ball bearing 52305
Add item
Main Dimensions & Performance Data
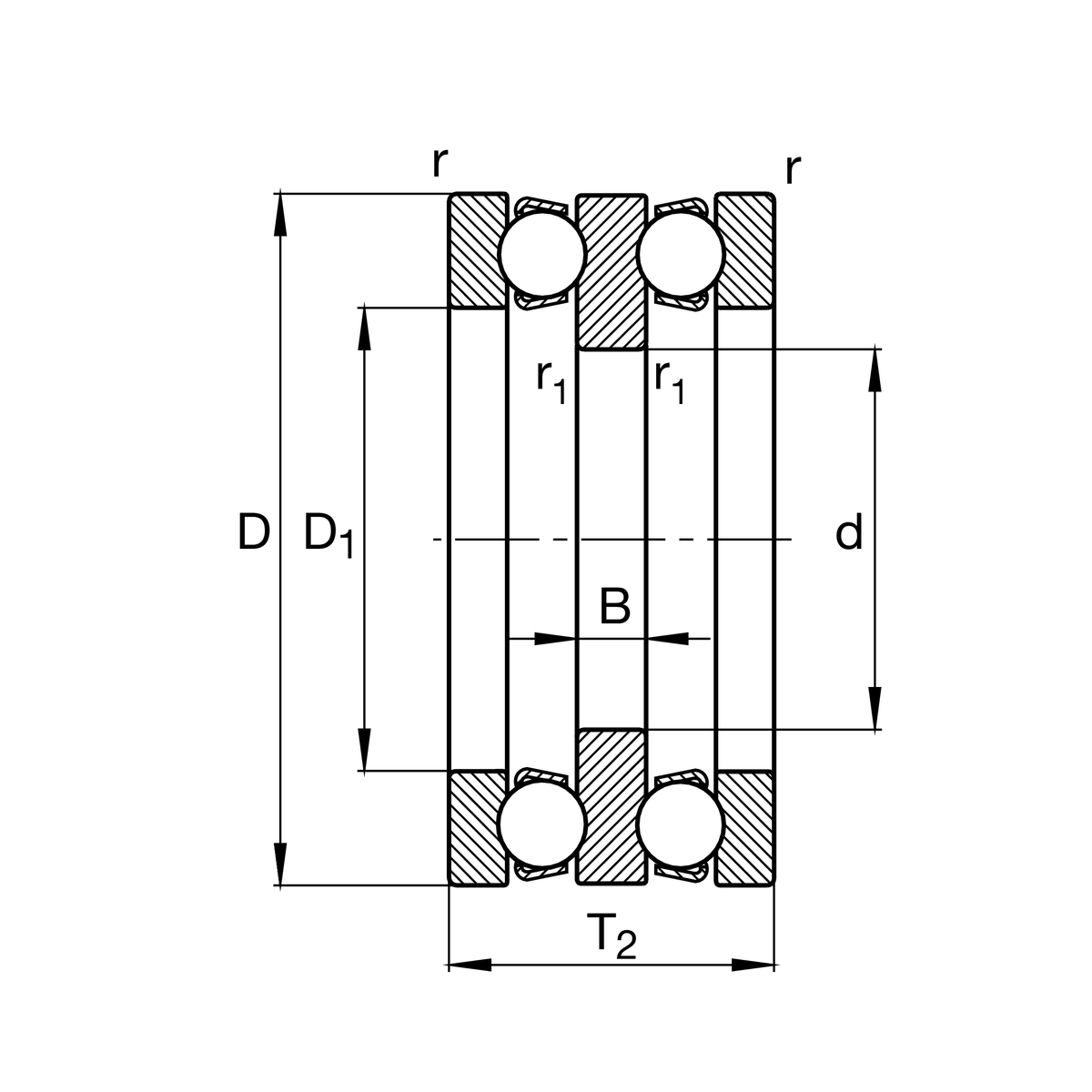
d
20 mm
Inner diameter shaft washer
D
52 mm
Outer diameter housing washer
T2
34 mm
Height
Ca
34,500 N
Basic dynamic load rating, axial
C0a
55,000 N
Basic static load rating, axial
Cua
2,500 N
Fatigue load limit, axial
nG
6,000 1/min
Limiting speed
nϑr
9,700 1/min
Reference speed
≈m
290 g
Weight

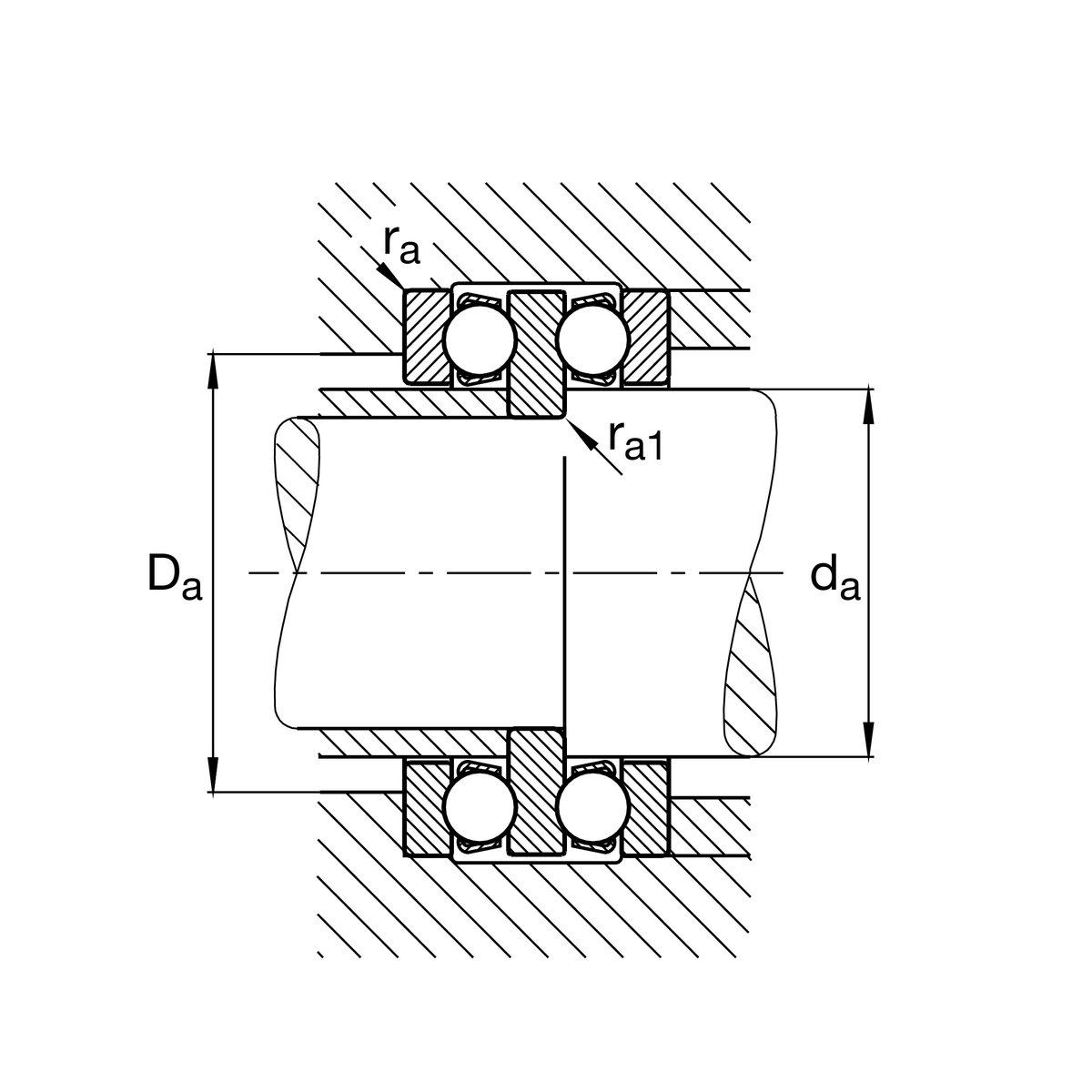
Mounting dimensions
da max
25 mm
Maximum diameter shaft shoulder
Da max
36 mm
Maximum diameter of housing shoulder
ra max
1 mm
Maximum filled radius
ra1 max
0.3 mm
Maximum filled radius

Dimensions
D1
27 mm
Inner diameter housing washer
B
8 mm
Height shaft washer
rmin
1 mm
Minimum chamfer dimension
r1 min
0.3 mm
Minimum chamfer dimension

Temperature range
Tmin
-30 °C
Operating temperature min.
Tmax
150 °C
Operating temperature max.

Calculation factors
A
0.019
Minimum load factor

Your current product variant
CageJPsteel sheet metal
Tolerance classPNNormal (PN)
Add item