PRODUCTS
- Home
- Product Info
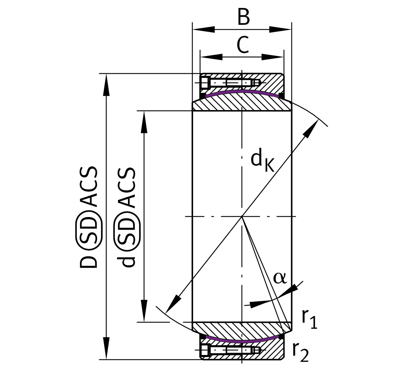
| d | 460 mm | Bore diameter bearing |
| D | 620 mm | Outside diameter bearing |
| B | 218 mm | Width Inner ring |
| C | 185 mm | Width Outer ring |
| Cr | 25,400,000 N | Basic dynamic load rating, radial |
| C0r | 42,400,000 N | Basic static load rating, radial |
| ≈m | 201.4 kg | Weight |
| r1smin | 1.5 mm | Edge Spacing |
| r2smin | 4 mm | Edge Spacing |
| Da min | 513 mm | Housing Connection Diameter |
| damax | 494 mm | Connection measurement, inner ring |
| dK | 540 mm | Ball diameter |
| α | 3.7 ° | Tilt angle |
| DOT | 0 mm | Outside diameter, upper tolerance |
| DUT | -0.05 mm | Outside diameter, lower tolerance |
| BOT | 0 mm | Width inner ring, upper tolerance |
| dUT | -0.045 mm | Bore diameter bearing, lower tolerance |
| BUT | -0.45 mm | Width inner ring, lower tolerance |
| dOT | 0 mm | Bore diameter bearing, upper tolerance |
| COT | 0 mm | Width outer ring, upper tolerance |
| CUT | -1 mm | Width outer ring, lower tolerance |
| Gr | 0 - 0,145 | Radial Clearance |
| Grmax | 0.145 mm | Radial clearance, maximum |
| Grmin | 0 mm | Radial clearance, minimum |
| Tmin | -40 °C | Operating temperature min. |
| Tmax | 120 °C | Operating temperature max. |
| Sealing | 2RS2 | lip seals with increased sealing action on both sides |
| Bore lining | Without | |
| Coating | Without | |
| Material | Steel | Steel |
| Fabric | W11 | For low contact pressures (starting as low as 1 N/mm²) and minimal friction |