PRODUCTS


FAG
52218
Axial deep groove ball bearing 52218
Add item
Main Dimensions & Performance Data
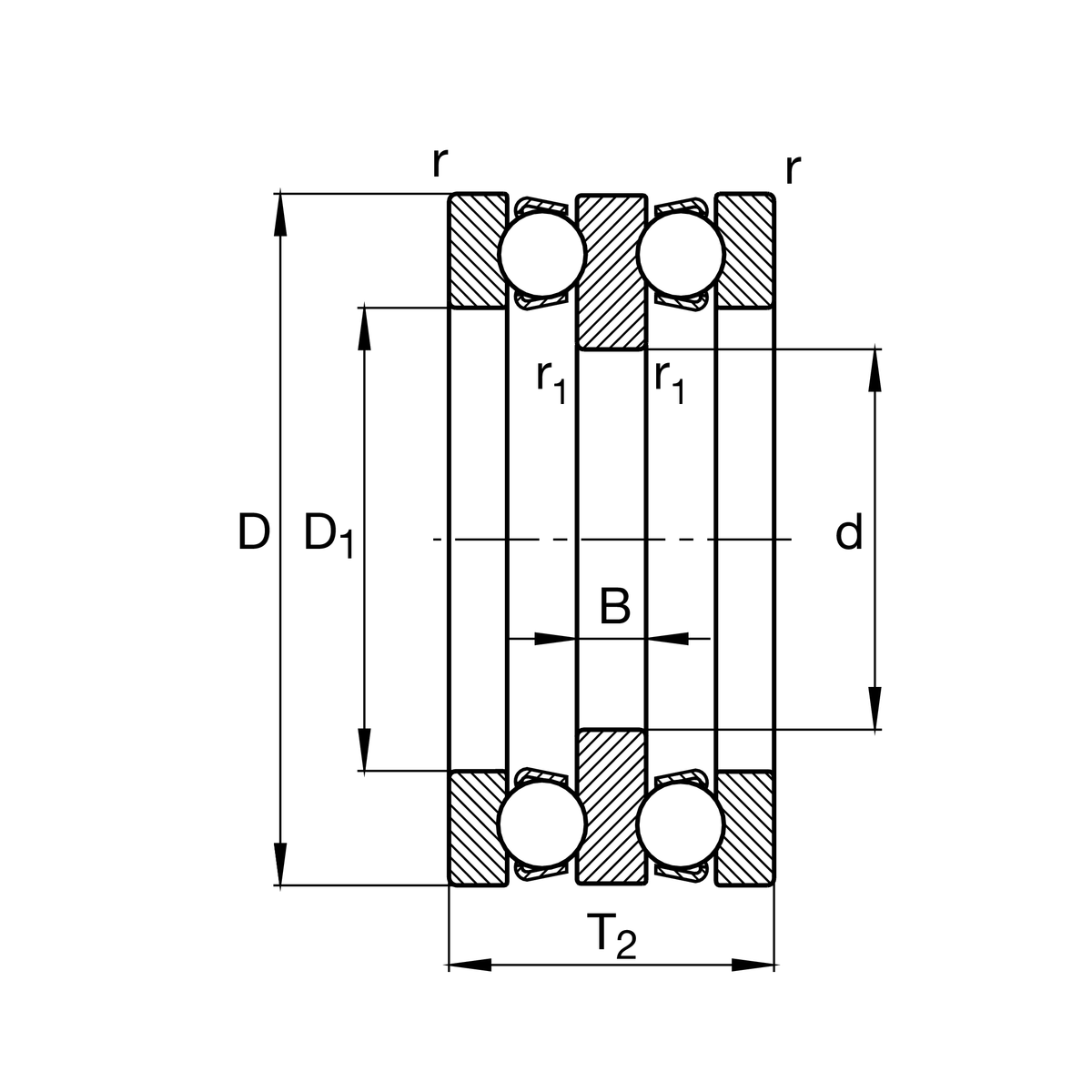
d
75 mm
Inner diameter shaft washer
D
135 mm
Outer diameter housing washer
T2
62 mm
Height
Ca
119,000 N
Basic dynamic load rating, axial
C0a
300,000 N
Basic static load rating, axial
Cua
13,000 N
Fatigue load limit, axial
nG
2,900 1/min
Limiting speed
nϑr
3,800 1/min
Reference speed
≈m
3.055 kg
Weight

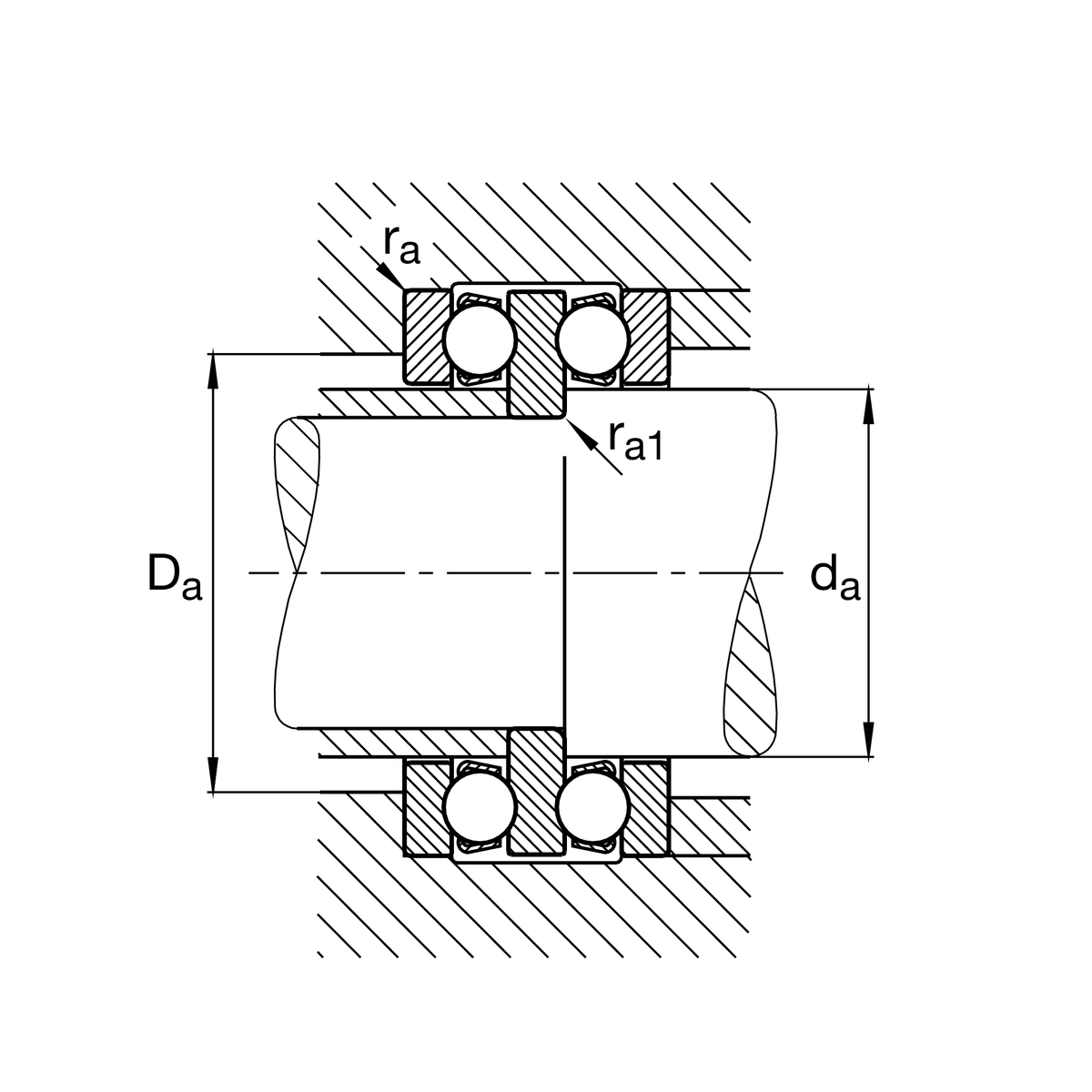
Mounting dimensions
da max
90 mm
Maximum diameter shaft shoulder
Da max
108 mm
Maximum diameter of housing shoulder
ra max
1 mm
Maximum filled radius
ra1 max
1 mm
Maximum filled radius

Dimensions
D1
93 mm
Inner diameter housing washer
B
14 mm
Height shaft washer
rmin
1.1 mm
Minimum chamfer dimension
r1 min
1 mm
Minimum chamfer dimension

Temperature range
Tmin
-30 °C
Operating temperature min.
Tmax
150 °C
Operating temperature max.

Calculation factors
A
0.54
Minimum load factor

Your current product variant
CageJPsteel sheet metal
Tolerance classPNNormal (PN)
Add item