PRODUCTS


INA
RSL182218-A-2S
Cylindrical roller bearing RSL182218-A-2S
Add item
Main Dimensions & Performance Data
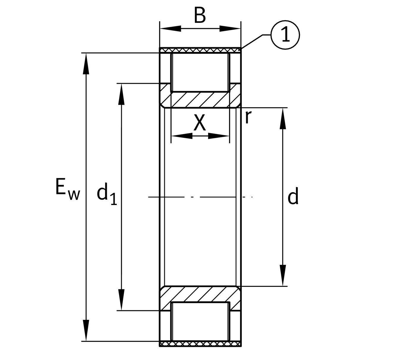
d
90 mm
Bore diameter
Ew
140.61 mm
Outer envelope circle
B
40 mm
Width
Cr
285,000 N
Basic dynamic load rating, radial
C0r
365,000 N
Basic static load rating, radial
Cur
54,000 N
Fatigue load limit, radial
nG
2,700 1/min
Limiting speed
≈m
1.939 kg
Weight

Mounting dimensions
da min
110 mm
Minimum diameter shaft shoulder
X
28 mm
raceway width

Dimensions
rmin
2 mm
Minimum chamfer dimension
d1
110 mm
Maximum rib diameter inner ring
TK
121.61 mm
pitch circle

Temperature range
Tmin
-30 °C
Operating temperature min.
Tmax
120 °C
Operating temperature max.

Your current product variant
DesignAInternal Variant Cage A
Number of rolling element rows1Single-row design
Add item