PRODUCTS


FAG
52204
Axial deep groove ball bearing 52204
Add item
Main Dimensions & Performance Data
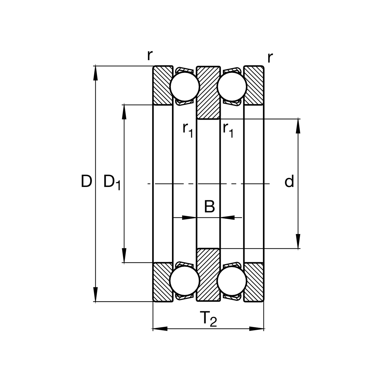
d
15 mm
Inner diameter shaft washer
D
40 mm
Outer diameter housing washer
T2
26 mm
Height
Ca
21,100 N
Basic dynamic load rating, axial
C0a
37,500 N
Basic static load rating, axial
Cua
1,700 N
Fatigue load limit, axial
nG
8,500 1/min
Limiting speed
nϑr
11,100 1/min
Reference speed
≈m
150 g
Weight

Mounting dimensions
da max
20 mm
Maximum diameter shaft shoulder
Da max
28 mm
Maximum diameter of housing shoulder
ra max
0.6 mm
Maximum filled radius
ra1 max
0.3 mm
Maximum filled radius

Dimensions
D1
22 mm
Inner diameter housing washer
B
6 mm
Height shaft washer
rmin
0.6 mm
Minimum chamfer dimension
r1 min
0.3 mm
Minimum chamfer dimension

Temperature range
Tmin
-30 °C
Operating temperature min.
Tmax
150 °C
Operating temperature max.

Calculation factors
A
0.007
Minimum load factor

Your current product variant
CageJPsteel sheet metal
Tolerance classPNNormal (PN)
Add item