PRODUCTS
- Home
- Product Info
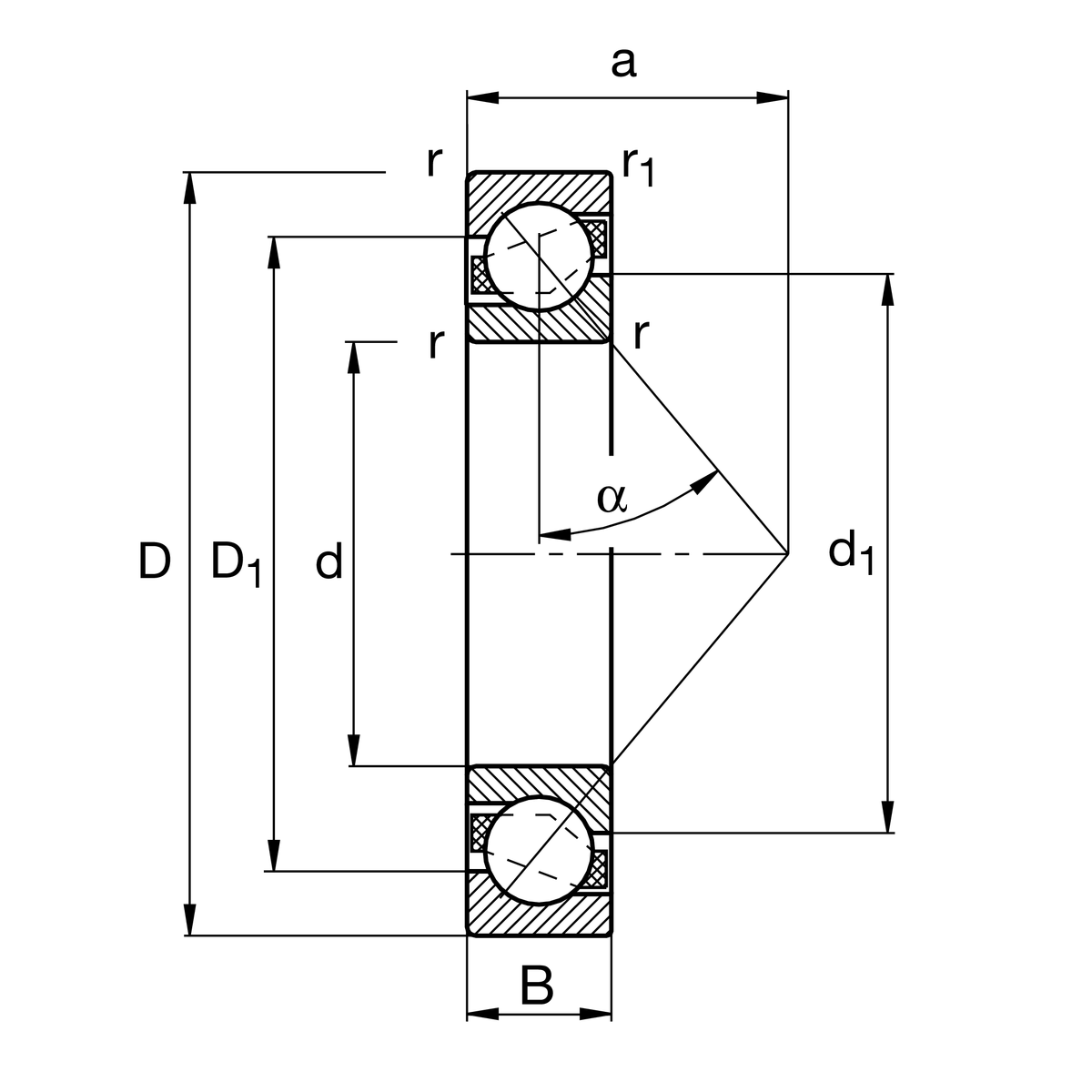
| d | 800 mm | Bore diameter |
| D | 1,060 mm | Outside diameter |
| B | 115 mm | Width |
| Cr | 1,040,000 N | Basic dynamic load rating, radial |
| C0r | 2,900,000 N | Basic static load rating, radial |
| Cur | 55,000 N | Fatigue load limit, radial |
| nG | 810 1/min | Limiting speed |
| nϑr | 430 1/min | Reference speed |
| ≈m | 242 kg | Weight |
| da min | 823 mm | Minimum diameter of shaft shoulder |
| Da max | 1,037 mm | Maximum diameter of housing shoulder |
| Db max | 1,047.6 mm | Maximum diameter of housing shoulder |
| ra max | 5 mm | Maximum fillet radius of shaft |
| ra1 max | 2.5 mm | Maximum fillet radius of housing |
| rmin | 6 mm | Minimum chamfer dimension |
| r1 min | 3 mm | Minimum chamfer dimension |
| D1 | 966.55 mm | Shoulder diameter on outer ring wide side face |
| d1 | 898.1 mm | Shoulder diameter on inner ring wide side face |
| a | 326 mm | Distance between the apexes of the pressure cones |
| α | 30 ° | Contact angle |
| Tmin | -30 °C | Operating temperature min. |
| Tmax | 200 °C | Operating temperature max. |
| Sealing | Without | Not sealed |
| Cage | MPB | solid brass cage, inner ring guided |
| Tolerance class | PN | Normal (PN) |
| Dimensional / heat stabilization | S1 | Rings dimensional stabilized up to 200° |
| Lubricant | Without | Bearing not greased |