PRODUCTS
- Home
- Product Info
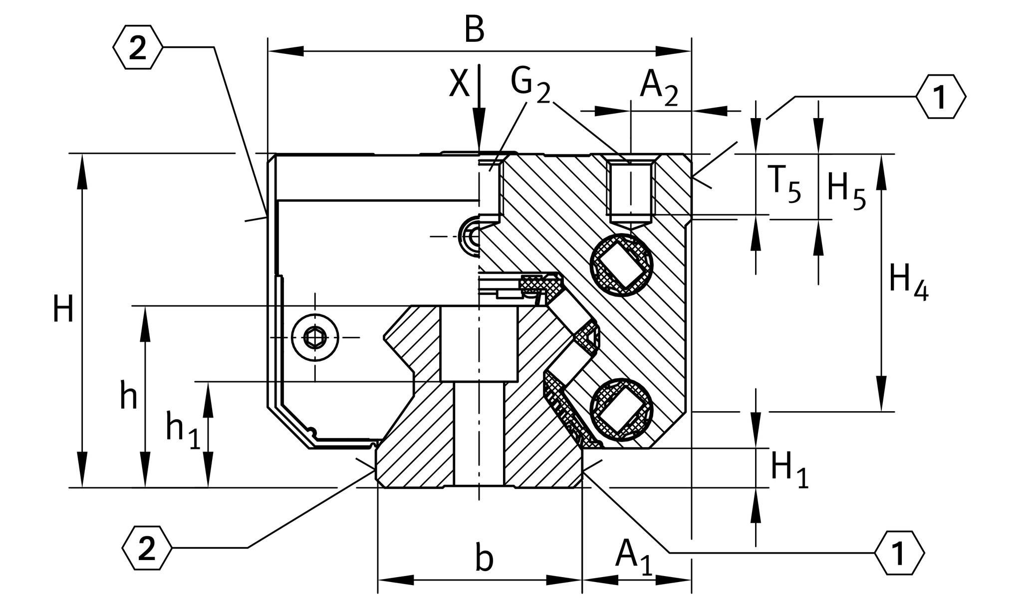
| H | 90 mm | height system |
| B | 126 mm | width carriage |
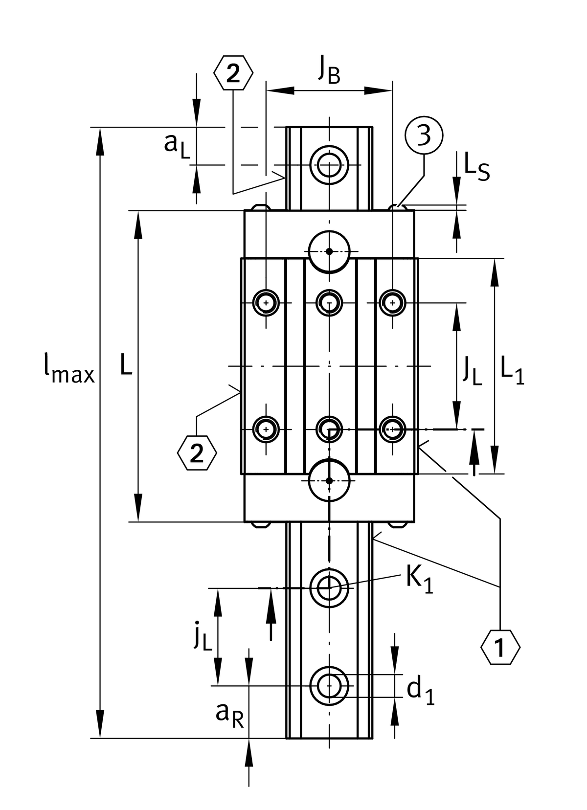
| L | 261.9 mm | overall length carriage 1 |
| C | 270,000 N | dynamic load rating 2 |
| C0 | 640,000 N | dynamic load rating 2 |
| M0x | 7,600 Nm | static moment rating about X axis |
| M0y | 24,000 Nm | static moment rating about Y axis |
| M0Z | 21,500 Nm | static moment rating about Z axis |
| ≈m | 10.8 kg | Weight |
| A1 | 31.5 mm | |
| JB | 76 mm | |
| b | 63 mm | width rail |
| A2 | 25 mm | |
| L1 | 207.6 mm | |
| LS | 2.75 mm | |
| JL | 120 mm | |
| H1 | 11.5 mm | |
| H4 | 61.2 mm | |
| H5 | 15 mm | |
| T5 | 12.5 mm | |
| G2 | M16 | fixing screws below (DIN ISO 4762-12.9) |
| G2 MA | 340 Nm | maximum tightening torque 3 |
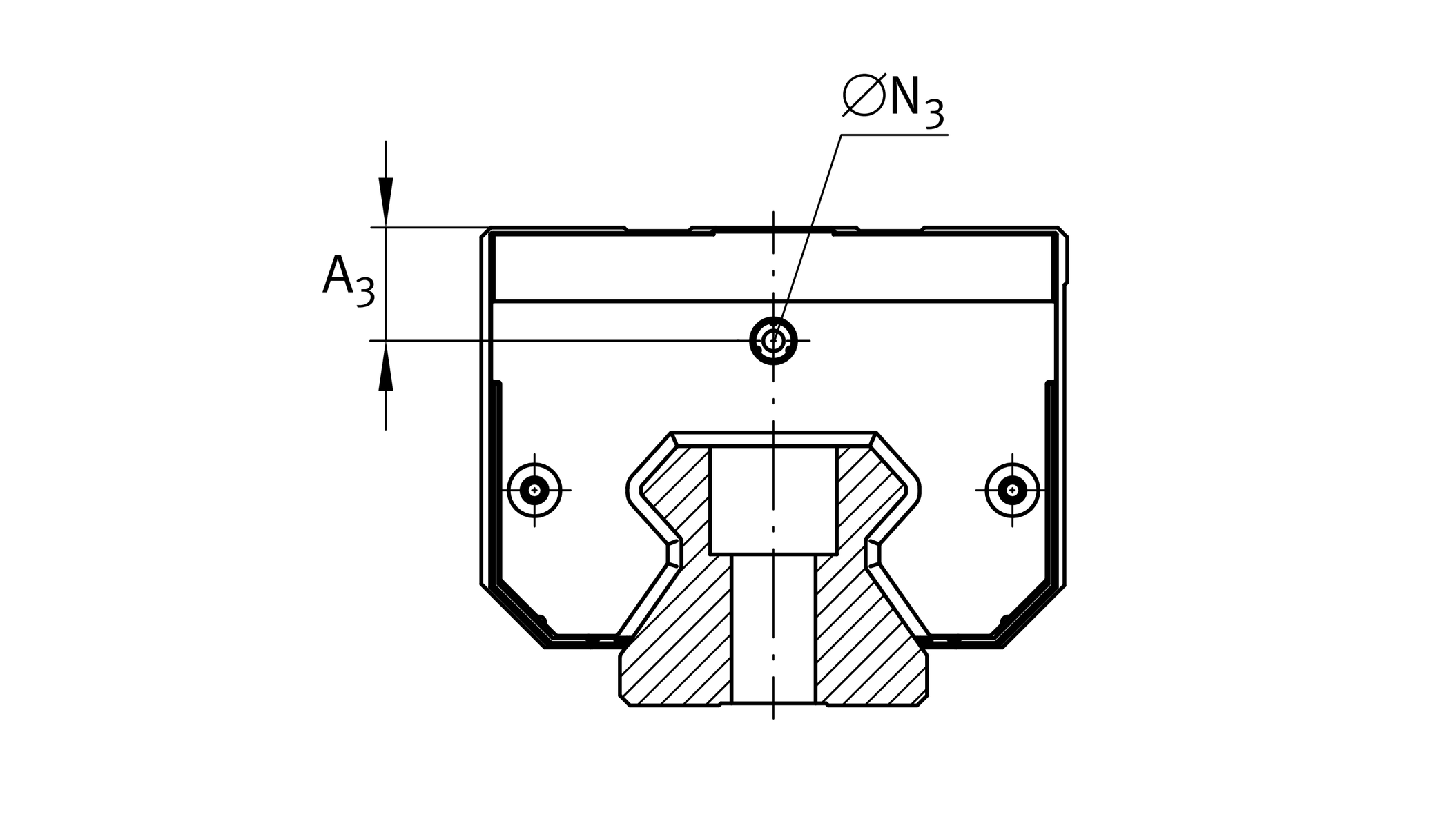
| A3 | 19.6 mm | position lubrication connector |
| N3 | M6 | lubrication connector |
| t N3 | 6 mm | maximum permissible screw depth for lubrication connectors |
| A4 | 19.6 mm | position lubrication connector |
| N4 | 6 mm | lubrication connector |
| t N4 | 6 mm | maximum permissible screw depth for lubrication connectors |
| JL6 | 63.1 mm | position lubrication connector |
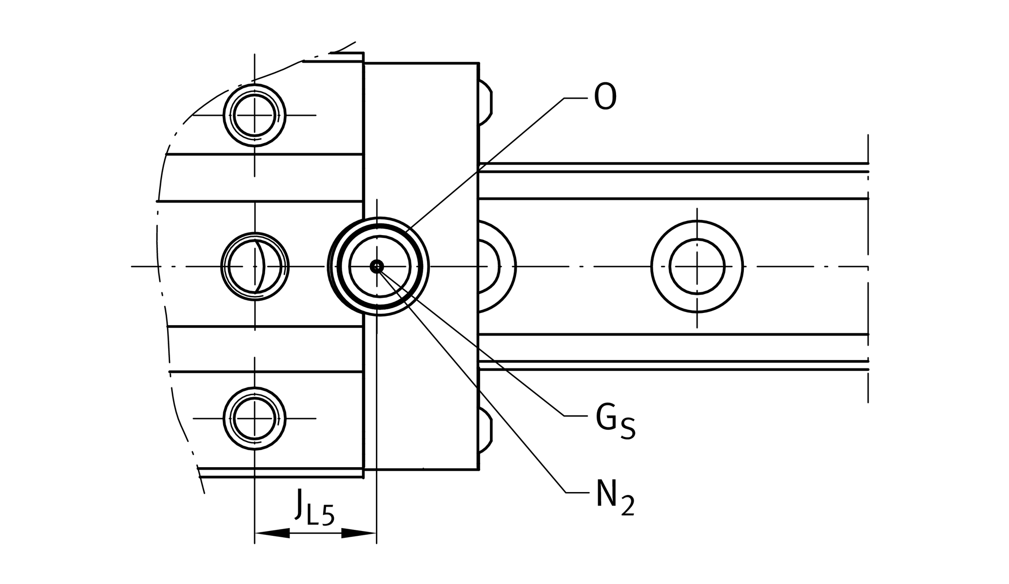
| N2 | 6 mm | max. diameter of lubrication hole in adjacent construction 4 |
| JL5 | 43.8 mm | position lubrication connector 5 |
| GS | M4x4 | |
| O | 18x1,5 | O-Ring DIN 3771 |
| Size code | 65 | |
| Version | F | version |
| Carriage design | SL | Narrow, long carriage |