PRODUCTS
- Home
- Product Info
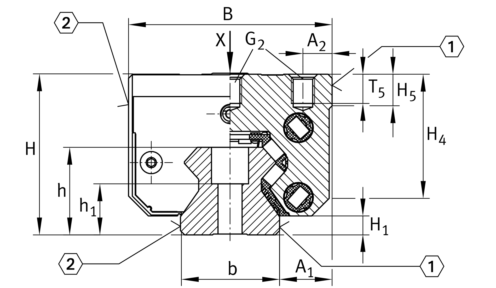
| H | 80 mm | height system |
| B | 100 mm | width carriage |
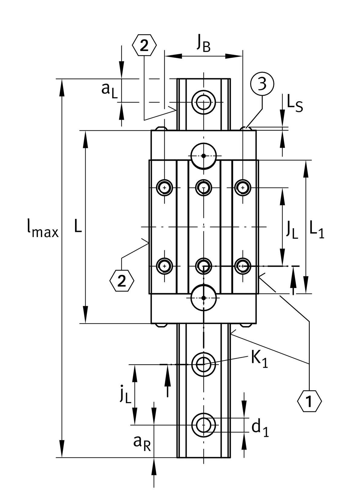
| L | 172.7 mm | overall length carriage 1 |
| C | 136,000 N | dynamic load rating 2 |
| C0 | 320,000 N | dynamic load rating 2 |
| M0x | 3,287 Nm | static moment rating about X axis |
| M0y | 7,404 Nm | static moment rating about Y axis |
| M0Z | 6,667 Nm | static moment rating about Z axis |
| ≈m | 4.94 kg | Weight |
| A1 | 23.5 mm | |
| JB | 75 mm | |
| b | 53 mm | width rail |
| A2 | 12.5 mm | |
| L1 | 127 mm | |
| LS | 2.75 mm | |
| JL | 75 mm | |
| H1 | 11 mm | |
| H4 | 61.4 mm | |
| H5 | 16 mm | |
| T5 | 15 mm | |
| G2 | M12 | fixing screws below (DIN ISO 4762-12.9) |
| G2 MA | 140 Nm | maximum tightening torque 3 |
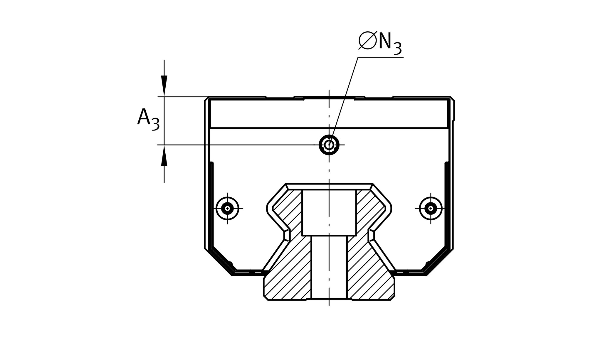
| A3 | 18.1 mm | position lubrication connector |
| N3 | M6 | lubrication connector |
| t N3 | 6 mm | maximum permissible screw depth for lubrication connectors |
| A4 | 18.1 mm | position lubrication connector |
| N4 | 6 mm | lubrication connector |
| t N4 | 6 mm | maximum permissible screw depth for lubrication connectors |
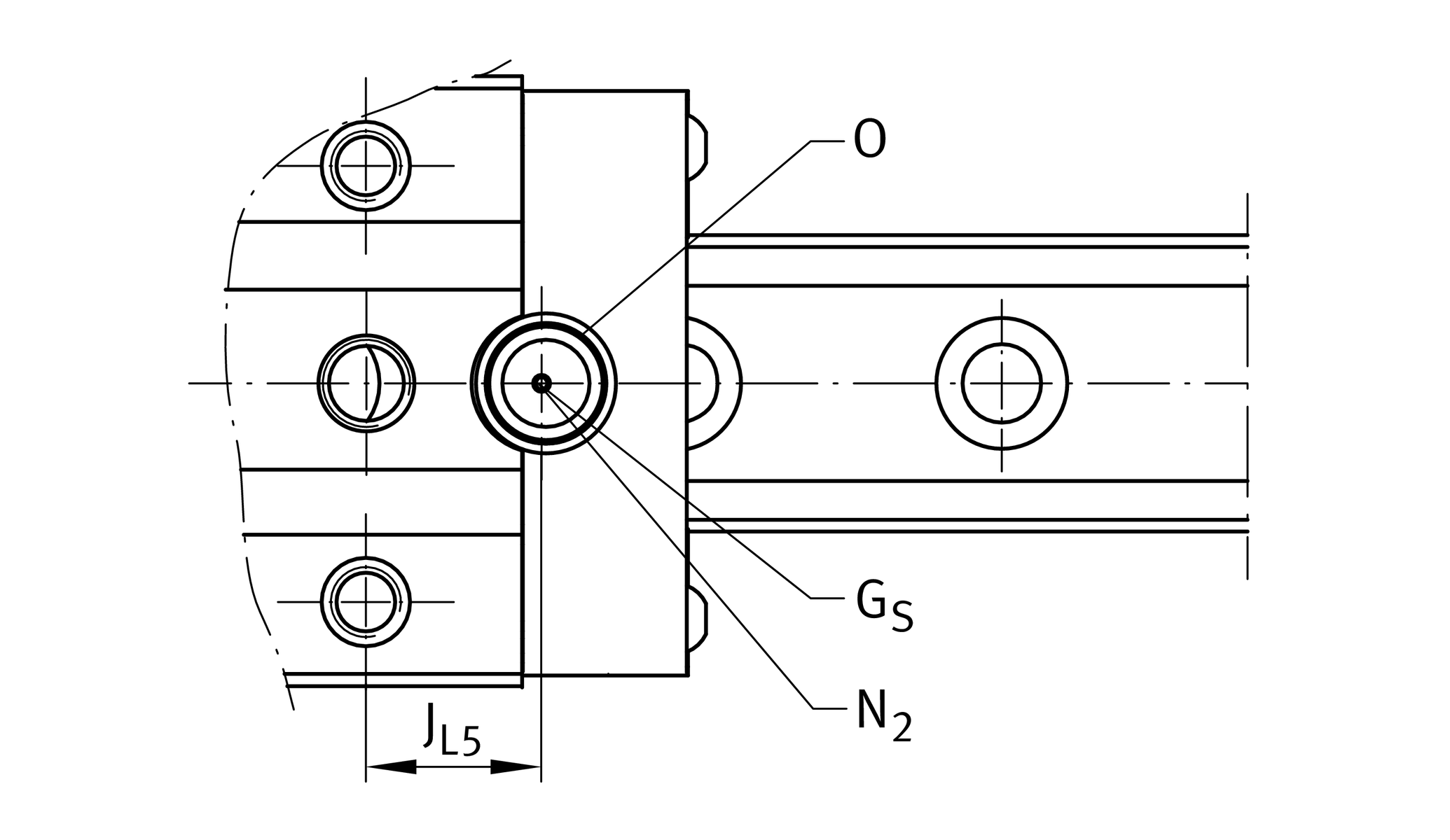
| JL6 | 42.9 mm | position lubrication connector |
| N2 | 6 mm | max. diameter of lubrication hole in adjacent construction 4 |
| JL5 | 31.6 mm | position lubrication connector 5 |
| GS | M4x4 | |
| O | 10x1,5 | O-Ring DIN 3771 |
| Size code | 55 | |
| Version | F | version |
| Carriage design | H | High carriage |