PRODUCTS
- Home
- Product Info
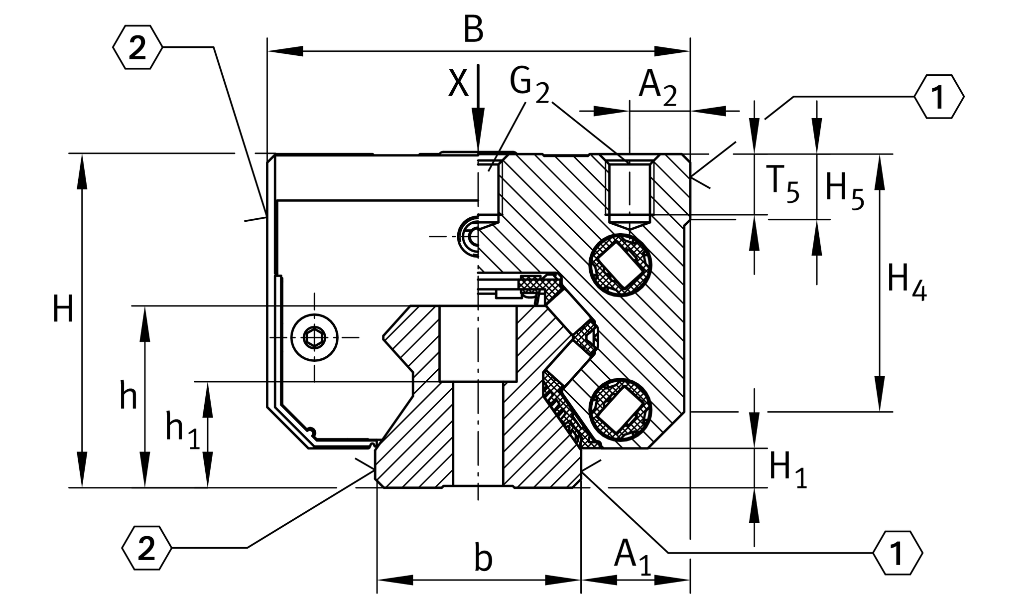
| H | 55 mm | height system |
| B | 70 mm | width carriage |
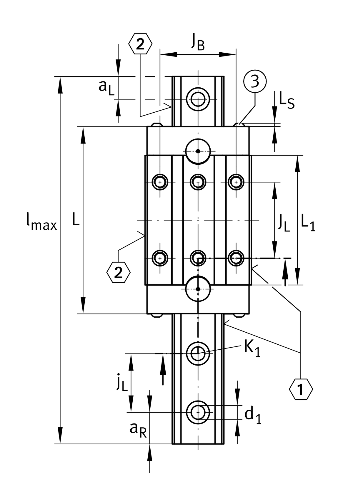
| L | 148.7 mm | overall length carriage 1 |
| C | 70,000 N | dynamic load rating 2 |
| C0 | 175,000 N | dynamic load rating 2 |
| M0x | 1,500 Nm | static moment rating about X axis |
| M0y | 3,350 Nm | static moment rating about Y axis |
| M0Z | 3,000 Nm | static moment rating about Z axis |
| ≈m | 2.14 kg | Weight |
| A1 | 18 mm | |
| JB | 50 mm | |
| b | 34 mm | width rail |
| A2 | 10 mm | |
| L1 | 111 mm | |
| LS | 2.2 mm | |
| JL | 72 mm | |
| H1 | 6.5 mm | |
| H4 | 41.9 mm | |
| H5 | 10.8 mm | |
| T5 | 10 mm | |
| G2 | M8 | fixing screws below (DIN ISO 4762-12.9) |
| G2 MA | 41 Nm | maximum tightening torque 3 |
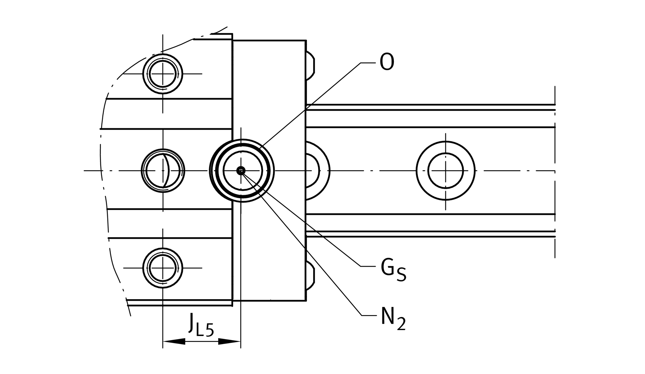
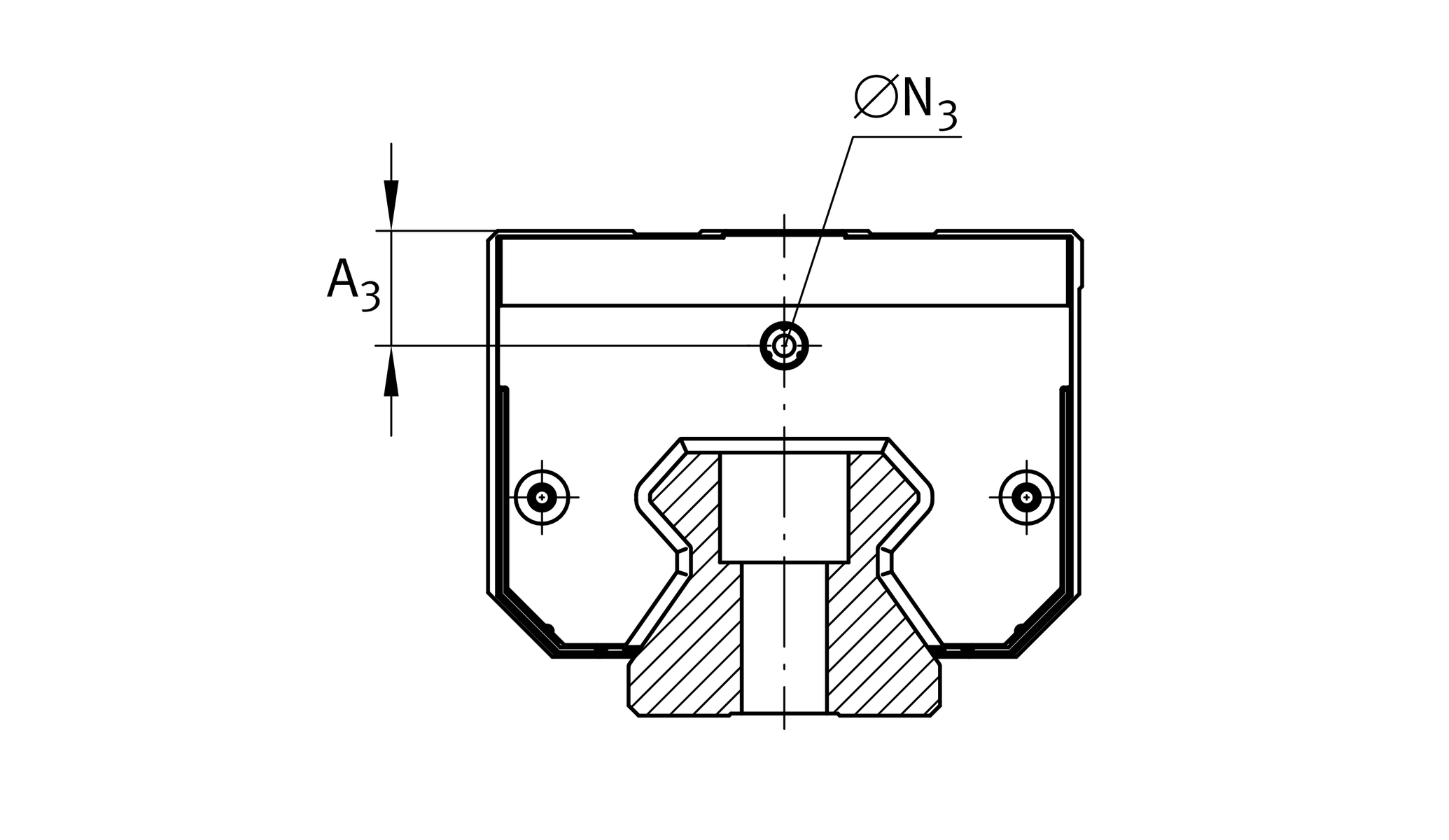
| A3 | 13.6 mm | position lubrication connector |
| N3 | M6 | lubrication connector |
| t N3 | 6 mm | maximum permissible screw depth for lubrication connectors |
| A4 | 12.6 mm | position lubrication connector |
| N4 | 6 mm | lubrication connector |
| t N4 | 6 mm | maximum permissible screw depth for lubrication connectors |
| JL6 | 32.4 mm | position lubrication connector |
| N2 | 6 mm | max. diameter of lubrication hole in adjacent construction 4 |
| JL5 | 22.2 mm | position lubrication connector 5 |
| GS | M4x4 | |
| O | 10x1,5 | O-Ring DIN 3771 |
| Size code | 35 | |
| Version | F | version |
| Carriage design | HL | High, long carriage |