PRODUCTS
- Home
- Product Info
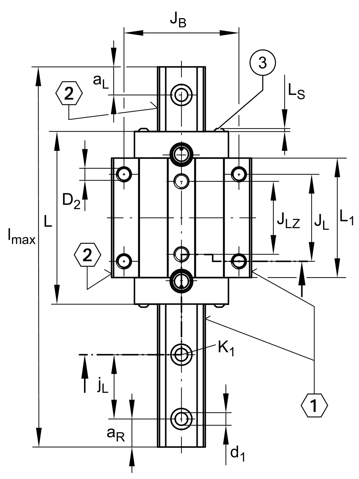
| H | 36 mm | height system |
| B | 70 mm | width carriage |
| L | 91 mm | overall length carriage 1 |
| C | 28,000 N | dynamic load rating 2 |
| C0 | 65,000 N | dynamic load rating 2 |
| M0x | 350 Nm | static moment rating about X axis |
| M0y | 760 Nm | static moment rating about Y axis |
| M0Z | 680 Nm | static moment rating about Z axis |
| ≈m | 0.68 kg | Weight |
| A1 | 23.5 mm | |
| JB | 57 mm | |
| b | 23 mm | width rail |
| A2 | 6.5 mm | |
| L1 | 65.6 mm | |
| LS | 2.2 mm | |
| JL | 45 mm | |
| JLZ | 40 mm | |
| H1 | 6.5 mm | |
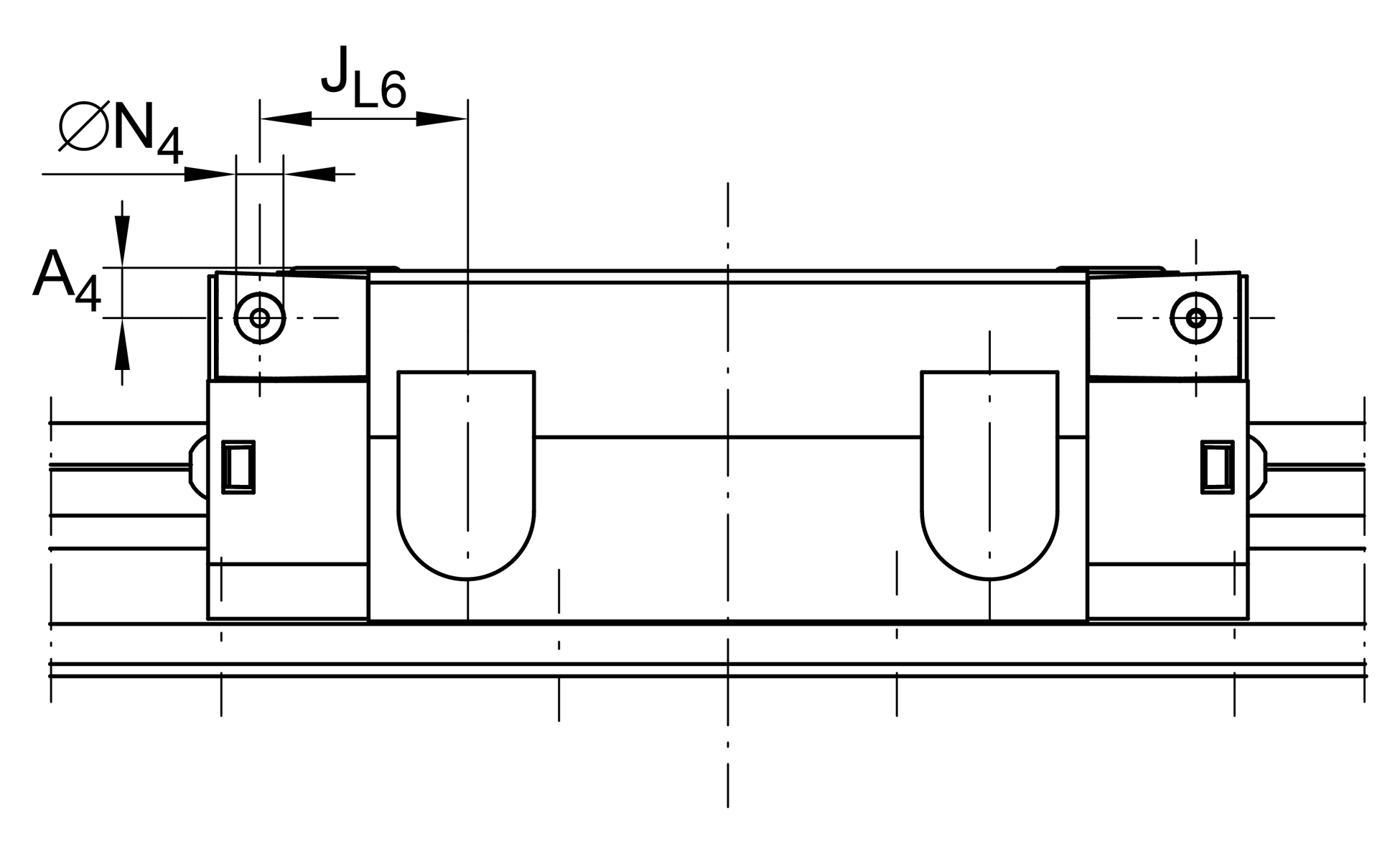
| H4 | 17.8 mm | |
| H5 | 5.25 mm | |
| T5 | 10 mm | |
| T6 | 8.5 mm | |
| G2 | M8 | fixing screws below (DIN ISO 4762-12.9) |
| G2 MA | 24 Nm | maximum tightening torque 3 |
| K3 | M6 | fixing screws below (DIN ISO 4762-12.9) |
| K3 MA | 17 Nm | maximum tightening torque 3 |
| K6 | M6 | fixing screws below (DIN 7984-8.8) |
| K6 MA | 10 Nm | maximum tightening torque 3 |
| D2 | 6.7 mm | bore diameter |
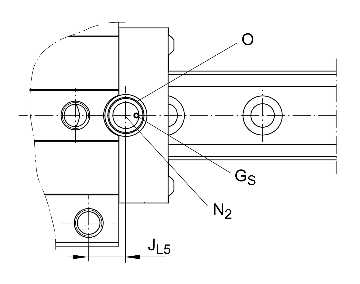
| A3 | 7.5 mm | position lubrication connector |
| N3 | M6 | lubrication connector |
| t N3 | 6 mm | maximum permissible screw depth for lubrication connectors |
| N2 | 3 mm | max. diameter of lubrication hole in adjacent construction 4 |
| JL5 | 14.5 mm | position lubrication connector 5 |
| GS | M4x4 | |
| O | 10x1,5 | O-Ring DIN 3771 |
| VMKB_065 | RWU | Material name |
| Size code | 25 | |
| Version | E | version |
| Carriage design | / | Standard carriage |